Programmable Control Units in relay design
Micro ICCS are small and programmable control units packaged as a relay with 9 pins, which can be connected to the circuit board over the 9 pin relay sockets. Thanks to the MSP430 16 Bit microprocessor with flash memory, they can be used for functions such as voltage or frequency monitoring with:
|
Operating Temperature |
-40 °C to +85 °C |
|---|---|
|
Limiting Continuous Current (Relay Output) |
10/15 A (NC/NO) |
|
Quiescent Current |
250 µA |
|
Ingress Protection |
IP 53 (for versions without potentiometer) |
|
e1-Approval |
03 3218 |
|
Dimensions |
30 x 30 x 40 mm |
|
Description |
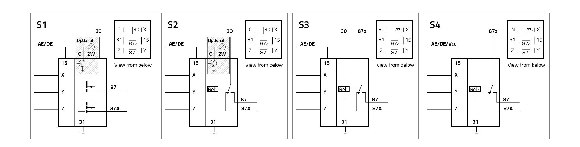
Diagram | Outputs |
VCC |
Order Number WE ICS |
|---|---|---|---|---|
|
Micro ICCS 9-30 V |
S1 | 1 Highside |
VCC pin 30 |
ICS-94830 |
|
Micro ICCS 9-30 V |
S1 | 2 Highside |
VCC pin 30 |
ICS-94831 |
|
Micro ICCS 9-30 V |
S1 | 1 Highside and 1 Open Collector |
VCC pin 30 |
ICS-95918 |
|
Micro ICCS 9-30 V |
S1 | 2 Highside and 1 Open Collector |
VCC pin 30 |
ICS-94832 |
|
Micro ICCS 9-30 V |
S1 | 2 Highside and 1 Open Collector with potentiometer |
VCC pin 30 |
ICS-95882 |
|
Micro ICCS 12 V |
S2 | 1 Relay |
VCC pin 30 |
ICS-94826 |
|
Micro ICCS 12 V |
S2 | 1 Relay and 1 Open Collector |
VCC pin 30 |
ICS-94833 |
|
Micro ICCS 24 V |
S2 | 1 Relay |
VCC pin 30 |
ICS-94827 |
|
Micro ICCS 24 V |
S2 | 1 Relay and 1 Open Collector |
VCC pin 30 |
ICS-94834 |
|
Micro ICCS 12 V |
S3 | 1 Relay |
VCC pin 30 |
ICS-95916 |
| Micro ICCS 24 V | S3 | 1 Relay | VCC pin 30 | ICS-95917 |
| Micro ICCS 24 V | S3 | 1 Relay with potentiometer | VCC pin 30 | ICS-95945 |
| Micro ICCS 12 V | S4 | 1 Relay | VCC pin 15 | ICS-94828 |
| Micro ICCS 12 V | S4 | 1 Relay and 1 Open Collector | VCC pin 15 | ICS-95914 |
| Micro ICCS 24 V | S4 | 1 Relay | VCC pin 15 | ICS-94829 |
| Micro ICCS 24 V | S4 | 1 Relay and 1 Open Collector | VCC pin 15 | ICS-95915 |
Micro ICCS
Tell us your requirements and receive a proposal including a placement suggestion within the shortest possible time.
Better safe than sorry: If the load falls below or exceeds a defined threshold voltage at terminal 15, the Micro ICCS Voltage Monitor switches it off. The standard thresholds are for 12 V applications 11.5 V / 12.5 V and for 24 V applications 23.5 V / 24.5 V. As another option, the voltage thresholds can be defined by the customer. The time delay is also possible.
The range monitor (window comparator) switches off or on the load as soon as the voltage is in a certain range.
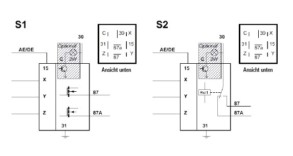
Matching circuit diagram: S1
Application Examples
Micro ICCS Frequency Monitor switches-on or -off loads when certain threshold frequency is exceeded or falls below. The frequency thresholds can be defined by the customer, frequency range is 10-1.000 Hz. Also the combinations with delay times are possible.
The time tolerance is ±1 ms. The switching-off happens at terminal 15 (inverting is possible).
Matching circuit diagrams: S1 and S2
Application Examples
Micro ICCS can also be programmed for individual functions with the following properties:
Application Examples
Do you want to learn more about the application possibilities or ask questions? We are glad to help you.
Programming
In the development phase, we are happy to support you in the creation of programs.
In the series phase we deliver Micro ICCS already programmed with the desired function.



