OverviewAll product unitsProduct unitPassive ComponentsProduct groupPower MagneticsProduct familyShielded Power InductorsProduct seriesWE-PD SMT Power Inductor

WE-PD SMT Power Inductor EXTENDED

Shielded

WE-PD SMT Power Inductor
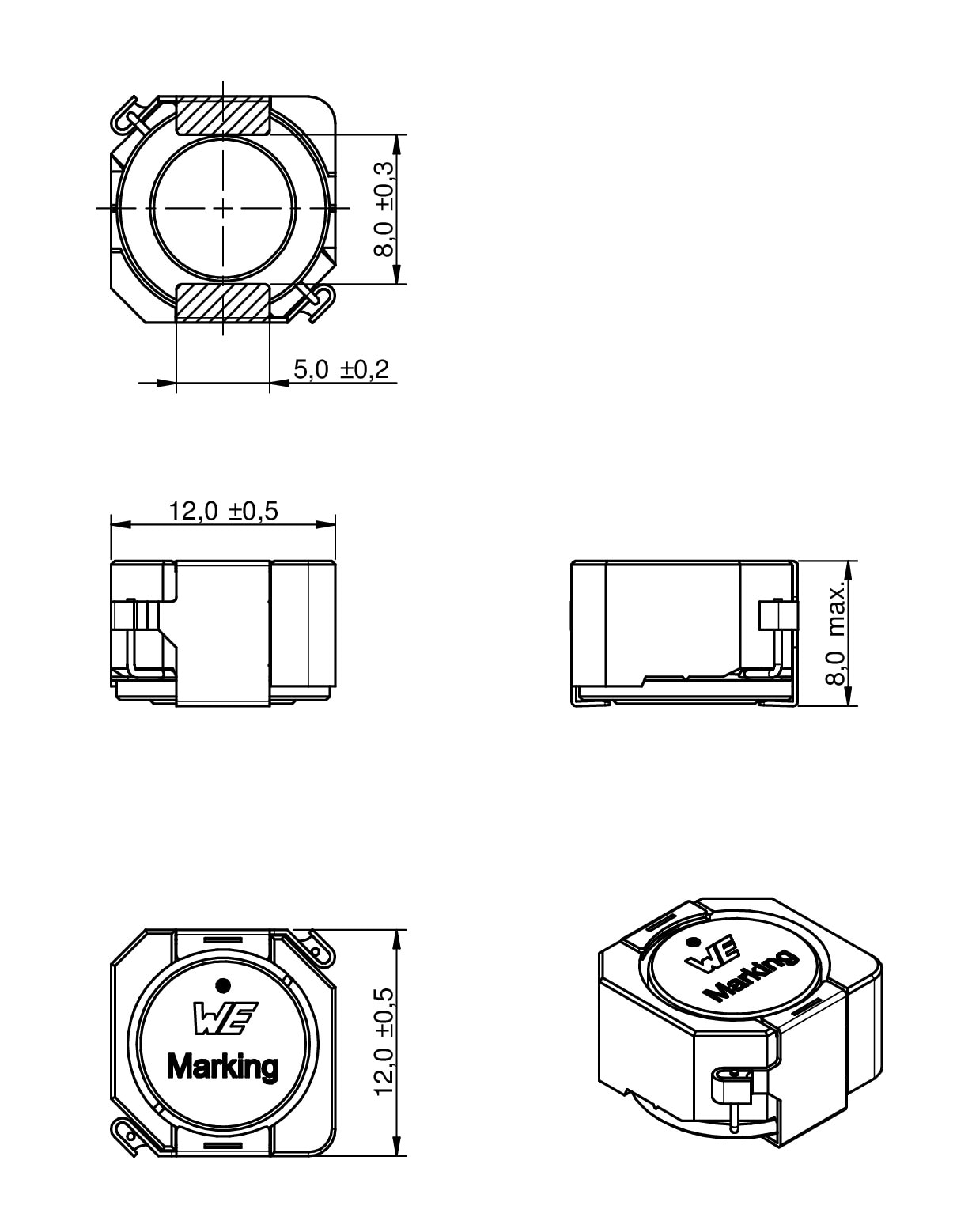
 Size Dimen­sionsL
(mm)
W
(mm)
H
(mm)
Mount
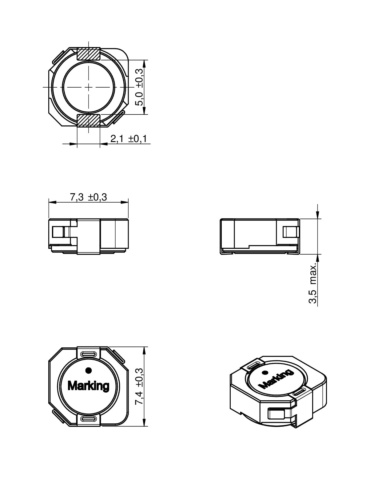
6033 R 5.9 6.2 3.3 SMT
6050 R 5.9 6.2 5 SMT
7332 7.3 7.3 3.2 SMT
7332 P 7.3 7.4 3.2 SMT
7332 R 7.3 7.3 3.2 SMT
7345 7.3 7.3 4.5 SMT
7345 R 7.3 7.3 4.5 SMT
7345 P 7.3 7.3 4.5 SMT
1030 P 10 10 3 SMT
EXT. 1050 P 10 10 5 SMT
1245 12 12 4.5 SMT
1260 12 12 6 SMT
1260 P 12 12 6 SMT
1280 12 12 8 SMT
1280 P 12 12 8 SMT
1210 12 12 10 SMT
1510 15 15 10 SMT

Characteristics

  • AEC-Q 200 qualified
  • Ultra low RDC and RAC
  • Highest possible saturation current based on ferrite
  • Suitable for switching frequency up to 10 MHz
  • Temperature dependent parameter available on REDEXPERT
  • Operating temperature: -40 °C to +125 °C / +150 °C

Types

  • WE-PD: Always offers low loss material, tight tolerances, and high saturation behavior compared to other manufacturers in the market
  • WE-PD Robust: Plastic base improves the mechanical stability and efficiency
  • WE-PD Performance: MnZn core improves saturation and RDC for highest efficiency

Applications

  • Switch mode power supplies from 0.1 W up to 300 W
  • Integrated DC/DC converter
  • Ideal for switch mode power supplies with extreme high efficiency (>95%)

Products

All
6033 R
6050 R
7332
7332 P
7332 R
7345
7345 R
7345 P
1030 P
1050 P
1245
1260
1260 P
1280
1280 P
1210
1510
Order Code Data­sheet Simu­lation Downloads StatusL
(µH)
IRP,40K
(A)
ISAT
(A)
RDC max.
(mΩ)
fres
(MHz)
SizeVersionDesign Kit Samples
74477009SPEC
9 files Active i| Production is active. Expected lifetime: >10 years. 0.47 27 3 120 1280 Standard
744778005SPEC
10 files Active i| Production is active. Expected lifetime: >10 years. 0.54 9.3 9 8.5 155 7332 Standard
7447715906SPEC
9 files Active i| Production is active. Expected lifetime: >10 years. 0.6 19 5.5 160 1245 Standard
74477008SPEC
9 files Active i| Production is active. Expected lifetime: >10 years. 0.75 19.5 5 110 1280 Standard
744778001SPEC
10 files Active i| Production is active. Expected lifetime: >10 years. 1 8.3 6.4 12 115 7332 Standard744778
744777001SPEC
9 files Active i| Production is active. Expected lifetime: >10 years. 1 8.6 10.2 10 100 7345 Standard744777
7447715910SPEC
9 files Active i| Production is active. Expected lifetime: >10 years. 1 13.9 7 98 1245 Standard
7447709001SPEC
9 files Active i| Production is active. Expected lifetime: >10 years. 1 18.7 25 6 120 1210 Standard744770
7447785001SPEC
9 files Active i| Production is active. Expected lifetime: >10 years. 1 3.75 4.5 39 192 6033 Robust
7447786001SPEC
9 files Active i| Production is active. Expected lifetime: >10 years. 1 4.1 5.5 34 180 6050 Robust
7447789001SPEC
9 files Active i| Production is active. Expected lifetime: >10 years. 1 7.9 12 115 7332 Robust744778
7447779001SPEC
9 files Active i| Production is active. Expected lifetime: >10 years. 1 8 15 100 7345 Robust744777
7447773010SPEC
11 files Active i| Production is active. Expected lifetime: >10 years. 1 10 12 98 7345 Performance744777
744771010SPEC
6 files Active i| Production is active. Expected lifetime: >10 years. 1 20 15.6 5 88 1260
74477001SPEC
9 files Active i| Production is active. Expected lifetime: >10 years. 1.2 16.2 7 45 1280 Standard744770
7447713015SPEC
9 files Active i| Production is active. Expected lifetime: >10 years. 1.5 9.5 16 75 1030 Performance744770
7447713
7447714015SPEC
9 files Active i| Production is active. Expected lifetime: >10 years. 1.5 12.5 6.6 69 1050 Performance7447713
744771001SPEC
9 files Active i| Production is active. Expected lifetime: >10 years. 1.5 17.5 13.5 6 60 1260 Standard744770
744770015SPEC
9 files Active i| Production is active. Expected lifetime: >10 years. 1.5 19 5 42 1280 Standard
74477790015SPEC
9 files Active i| Production is active. Expected lifetime: >10 years. 1.5 6.4 18 75 7345 Robust
7447783015SPEC
9 files Active i| Production is active. Expected lifetime: >10 years. 1.5 7.1 7.8 15 73 7332 Performance744778
7447706015SPEC
9 files Active i| Production is active. Expected lifetime: >10 years. 1.5 20 7 50.5 1260 Performance7447706
7447707015SPEC
9 files Active i| Production is active. Expected lifetime: >10 years. 1.5 16.5 24 5.5 49.2 1280 Performance7447706
7447715001SPEC
9 files Active i| Production is active. Expected lifetime: >10 years. 1.8 10.2 9.5 76 1245 Standard
744778002SPEC
10 files Active i| Production is active. Expected lifetime: >10 years. 2.2 6.6 4.8 20 67 7332 Standard744778
744777002SPEC
9 files Active i| Production is active. Expected lifetime: >10 years. 2.2 6.9 6.5 20 60 7345 Standard744777
7447713022SPEC
9 files Active i| Production is active. Expected lifetime: >10 years. 2.2 8.5 20 71 1030 Performance7447713
7447714022SPEC
9 files Active i| Production is active. Expected lifetime: >10 years. 2.2 9.5 8 53 1050 Performance7447713
744771002SPEC
9 files Active i| Production is active. Expected lifetime: >10 years. 2.2 15.5 11 7 50 1260 Standard744770
7447709002SPEC
9 files Active i| Production is active. Expected lifetime: >10 years. 2.2 16.3 6 65 1210 Standard744770
7447785002SPEC
9 files Active i| Production is active. Expected lifetime: >10 years. 2.2 3.15 3.3 54 88 6033 Robust
7447786002SPEC
9 files Active i| Production is active. Expected lifetime: >10 years. 2.2 3.4 4 49 115 6050 Robust
7447789002SPEC
9 files Active i| Production is active. Expected lifetime: >10 years. 2.2 5.6 23 67 7332 Robust744778
7447779002SPEC
9 files Active i| Production is active. Expected lifetime: >10 years. 2.2 6.2 20 60 7345 Robust744777
7447783022SPEC
9 files Active i| Production is active. Expected lifetime: >10 years. 2.2 6.2 6.5 19 62 7332 Performance744778
7447773022SPEC
11 files Active i| Production is active. Expected lifetime: >10 years. 2.2 8 17.5 61 7345 Performance744777
7447706022SPEC
9 files Active i| Production is active. Expected lifetime: >10 years. 2.2 16.5 8.5 40.2 1260 Performance7447706
7447707022SPEC
9 files Active i| Production is active. Expected lifetime: >10 years. 2.2 14.8 20.5 6.8 41.7 1280 Performance7447706
74477002SPEC
9 files Active i| Production is active. Expected lifetime: >10 years. 2.4 13.5 9 41 1280 Standard744770
7447715002SPEC
9 files Active i| Production is active. Expected lifetime: >10 years. 2.5 8.5 11 50 1245 Standard
744778003SPEC
10 files Active i| Production is active. Expected lifetime: >10 years. 3.3 4.9 4.1 32 61 7332 Standard
744777003SPEC
9 files Active i| Production is active. Expected lifetime: >10 years. 3.3 4.85 4.6 30 55 7345 Standard
7447713033SPEC
9 files Active i| Production is active. Expected lifetime: >10 years. 3.3 7.2 24 50 1030 Performance7447713
7447714033SPEC
9 files Active i| Production is active. Expected lifetime: >10 years. 3.3 9 10.5 42 1050 Performance7447713
7447715003SPEC
9 files Active i| Production is active. Expected lifetime: >10 years. 3.3 7.1 13 40 1245 Standard
7447785003SPEC
9 files Active i| Production is active. Expected lifetime: >10 years. 3.3 3.15 3 67 60 6033 Robust
7447789003SPEC
9 files Active i| Production is active. Expected lifetime: >10 years. 3.3 4.9 30 61 7332 Robust
7447779003SPEC
9 files Active i| Production is active. Expected lifetime: >10 years. 3.3 4.75 30 55 7345 Robust
7447783033SPEC
9 files Active i| Production is active. Expected lifetime: >10 years. 3.3 5.7 5.3 24 51 7332 Performance
7447773033SPEC
11 files Active i| Production is active. Expected lifetime: >10 years. 3.3 6.6 21 51 7345 Performance
7447706033SPEC
9 files Active i| Production is active. Expected lifetime: >10 years. 3.3 13.5 10 32.2 1260 Performance7447706
7447707033SPEC
9 files Active i| Production is active. Expected lifetime: >10 years. 3.3 12.8 17.5 9 32.3 1280 Performance7447706
744771003SPEC
9 files Active i| Production is active. Expected lifetime: >10 years. 3.5 14.5 9.5 8 40 1260 Standard
74477003SPEC
9 files Active i| Production is active. Expected lifetime: >10 years. 3.5 12 11 37.5 1280 Standard
7447709003SPEC
9 files Active i| Production is active. Expected lifetime: >10 years. 3.5 14.7 9 45 1210 Standard
744778004SPEC
10 files Active i| Production is active. Expected lifetime: >10 years. 4.7 3.65 4.2 60 45 7332 Standard744778
744777004SPEC
9 files Active i| Production is active. Expected lifetime: >10 years. 4.7 4.9 4 40 37 7345 Standard744777
7447713047SPEC
9 files Active i| Production is active. Expected lifetime: >10 years. 4.7 6 31 42 1030 Performance7447713
7447714047SPEC
9 files Active i| Production is active. Expected lifetime: >10 years. 4.7 8 12.4 34 1050 Performance7447713
7447715004SPEC
9 files Active i| Production is active. Expected lifetime: >10 years. 4.7 6.3 16 37 1245 Standard
744771004SPEC
9 files Active i| Production is active. Expected lifetime: >10 years. 4.7 11.8 8.25 11 35 1260 Standard744770
74477004SPEC
9 files Active i| Production is active. Expected lifetime: >10 years. 4.7 11 12 31.2 1280 Standard744770
7447709004SPEC
9 files Active i| Production is active. Expected lifetime: >10 years. 4.7 13.1 11 38 1210 Standard744770
7447785004SPEC
9 files Active i| Production is active. Expected lifetime: >10 years. 4.7 2.5 78 53 6033 Robust
7447786004SPEC
9 files Active i| Production is active. Expected lifetime: >10 years. 4.7 2.8 2.8 65 60 6050 Robust
7447789004SPEC
9 files Active i| Production is active. Expected lifetime: >10 years. 4.7 4.2 35 45 7332 Robust744778
7447779004SPEC
9 files Active i| Production is active. Expected lifetime: >10 years. 4.7 4.6 32 37 7345 Robust744777
7447783047SPEC
9 files Active i| Production is active. Expected lifetime: >10 years. 4.7 4.65 4.6 35 38 7332 Performance744778
7447773047SPEC
11 files Active i| Production is active. Expected lifetime: >10 years. 4.7 5.5 26 35.5 7345 Performance744777
7447706047SPEC
9 files Active i| Production is active. Expected lifetime: >10 years. 4.7 11.5 12 27.4 1260 Performance7447706
7447707047SPEC
9 files Active i| Production is active. Expected lifetime: >10 years. 4.7 12 15.5 10 28.8 1280 Performance7447706
7447714056SPEC
9 files Active i| Production is active. Expected lifetime: >10 years. 5.6 7.2 14.4 28 1050 Performance7447713
74477005SPEC
9 files Active i| Production is active. Expected lifetime: >10 years. 5.6 10 13.5 24 1280 Standard
74477006SPEC
9 files Active i| Production is active. Expected lifetime: >10 years. 6.1 9.5 14 25 1280 Standard
7447773062SPEC
11 files Active i| Production is active. Expected lifetime: >10 years. 6.2 4.8 30 31 7345 Performance
7447706062SPEC
9 files Active i| Production is active. Expected lifetime: >10 years. 6.2 10 15 22.5 1260 Performance7447706
7447714068SPEC
9 files Active i| Production is active. Expected lifetime: >10 years. 6.8 5.8 22 23.5 1050 Performance7447713
7447715006SPEC
9 files Active i| Production is active. Expected lifetime: >10 years. 6.8 4.7 25 27 1245 Standard
744771006SPEC
9 files Active i| Production is active. Expected lifetime: >10 years. 6.8 9 6.5 18 27 1260 Standard
7447709006SPEC
9 files Active i| Production is active. Expected lifetime: >10 years. 6.8 11.7 14 23 1210 Standard
7447785006SPEC
9 files Active i| Production is active. Expected lifetime: >10 years. 6.8 2.3 2 100 45 6033 Robust
7447786006SPEC
9 files Active i| Production is active. Expected lifetime: >10 years. 6.8 2.7 2.3 75 43 6050 Robust
7447789006SPEC
9 files Active i| Production is active. Expected lifetime: >10 years. 6.8 3.75 44 38 7332 Robust
7447779006SPEC
9 files Active i| Production is active. Expected lifetime: >10 years. 6.8 4.25 35 32 7345 Robust
7447783068SPEC
9 files Active i| Production is active. Expected lifetime: >10 years. 6.8 4.2 3.8 41 35 7332 Performance
7447707068SPEC
9 files Active i| Production is active. Expected lifetime: >10 years. 6.8 10 13 14 19.1 1280 Performance7447706
74477007SPEC
9 files Active i| Production is active. Expected lifetime: >10 years. 7.6 9.3 15 21.3 1280 Standard
7447713082SPEC
9 files Active i| Production is active. Expected lifetime: >10 years. 8.2 4.7 49 30 1030 Performance7447713
744771008SPEC
9 files Active i| Production is active. Expected lifetime: >10 years. 8.2 8.5 6.2 20 25 1260 Standard
7447786008SPEC
9 files Active i| Production is active. Expected lifetime: >10 years. 8.2 2.6 2.1 80 40 6050 Robust
7447779008SPEC
9 files Active i| Production is active. Expected lifetime: >10 years. 8.2 3.45 53 28 7345 Robust
74477810SPEC
10 files Active i| Production is active. Expected lifetime: >10 years. 10 2.85 2.2 72 32 7332 Standard744778
74477710SPEC
9 files Active i| Production is active. Expected lifetime: >10 years. 10 3.55 2.6 49 26 7345 Standard744777
7447713100SPEC
9 files Active i| Production is active. Expected lifetime: >10 years. 10 4.1 62 25 1030 Performance7447713
7447714100SPEC
9 files Active i| Production is active. Expected lifetime: >10 years. 10 5 27 20.5 1050 Performance7447713
7447715100SPEC
9 files Active i| Production is active. Expected lifetime: >10 years. 10 4.2 30 22 1245 Standard
74477110SPEC
9 files Active i| Production is active. Expected lifetime: >10 years. 10 7.7 5.5 24 21.5 1260 Standard744770
74477010SPEC
9 files Active i| Production is active. Expected lifetime: >10 years. 10 8.2 20 18 1280 Standard744770
7447709100SPEC
9 files Active i| Production is active. Expected lifetime: >10 years. 10 9.5 21 21 1210 Standard744770
744778510SPEC
9 files Active i| Production is active. Expected lifetime: >10 years. 10 1.6 125 37 6033 Robust
744778610SPEC
9 files Active i| Production is active. Expected lifetime: >10 years. 10 2.45 1.8 88 35 6050 Robust
744778910SPEC
9 files Active i| Production is active. Expected lifetime: >10 years. 10 2.9 72 32 7332 Robust744778
744777910SPEC
9 files Active i| Production is active. Expected lifetime: >10 years. 10 3.5 49 26 7345 Robust744777
7447783100SPEC
9 files Active i| Production is active. Expected lifetime: >10 years. 10 3.1 3.1 68 30 7332 Performance744778
7447773100SPEC
11 files Active i| Production is active. Expected lifetime: >10 years. 10 3.8 45 23 7345 Performance744777
7447706100SPEC
9 files Active i| Production is active. Expected lifetime: >10 years. 10 7.8 20 17.6 1260 Performance7447706
7447707100SPEC
9 files Active i| Production is active. Expected lifetime: >10 years. 10 8 11 21 15.1 1280 Performance7447706
744778112SPEC
10 files Active i| Production is active. Expected lifetime: >10 years. 12 2.65 2.15 98 27 7332 Standard
744777112SPEC
9 files Active i| Production is active. Expected lifetime: >10 years. 12 3.2 2.4 58 23 7345 Standard
7447715120SPEC
9 files Active i| Production is active. Expected lifetime: >10 years. 12 3.6 38 19 1245 Standard
744771112SPEC
9 files Active i| Production is active. Expected lifetime: >10 years. 12 7.4 4.9 26 19.7 1260 Standard
744770112SPEC
9 files Active i| Production is active. Expected lifetime: >10 years. 12 7.8 21 16 1280 Standard
7447789112SPEC
9 files Active i| Production is active. Expected lifetime: >10 years. 12 2.65 98 27 7332 Robust
7447779112SPEC
9 files Active i| Production is active. Expected lifetime: >10 years. 12 3.35 58 23 7345 Robust
744778115SPEC
10 files Active i| Production is active. Expected lifetime: >10 years. 15 2.25 1.75 130 26 7332 Standard744778
744777115SPEC
9 files Active i| Production is active. Expected lifetime: >10 years. 15 2.6 2.2 81 19.5 7345 Standard744777
7447713150SPEC
9 files Active i| Production is active. Expected lifetime: >10 years. 15 3.4 89 19.5 1030 Performance7447713
7447714150SPEC
9 files Active i| Production is active. Expected lifetime: >10 years. 15 4.1 43 16.8 1050 Performance7447713
744771115SPEC
9 files Active i| Production is active. Expected lifetime: >10 years. 15 7 4.5 28 16.6 1260 Standard744770
744770115SPEC
9 files Active i| Production is active. Expected lifetime: >10 years. 15 7.4 23 14.5 1280 Standard744770
7447709150SPEC
9 files Active i| Production is active. Expected lifetime: >10 years. 15 7.4 26 17 1210 Standard744770
7447785115SPEC
9 files Active i| Production is active. Expected lifetime: >10 years. 15 1.55 1.4 200 28 6033 Robust
7447789115SPEC
9 files Active i| Production is active. Expected lifetime: >10 years. 15 2.25 130 26 7332 Robust744778
7447779115SPEC
9 files Active i| Production is active. Expected lifetime: >10 years. 15 2.8 2.2 81 19.5 7345 Robust744777
7447783150SPEC
9 files Active i| Production is active. Expected lifetime: >10 years. 15 2.8 2.5 85 23 7332 Performance744778
7447704150SPEC
9 files Active i| Production is active. Expected lifetime: >10 years. 15 8.8 26 20.5 1510 Standard
7447773150SPEC
11 files Active i| Production is active. Expected lifetime: >10 years. 15 3.1 69.5 20.7 7345 Performance744777
7447706150SPEC
9 files Active i| Production is active. Expected lifetime: >10 years. 15 6.4 28 13.9 1260 Performance7447706
7447707150SPEC
9 files Active i| Production is active. Expected lifetime: >10 years. 15 7 9 26.5 13.2 1280 Performance7447706
744778118SPEC
10 files Active i| Production is active. Expected lifetime: >10 years. 18 2.1 1.7 140 24 7332 Standard
744777118SPEC
9 files Active i| Production is active. Expected lifetime: >10 years. 18 2.6 2.05 91 19 7345 Standard
7447715180SPEC
9 files Active i| Production is active. Expected lifetime: >10 years. 18 3.2 51 17 1245 Standard
744771118SPEC
9 files Active i| Production is active. Expected lifetime: >10 years. 18 6.7 4.2 30 15 1260 Standard
744770118SPEC
9 files Active i| Production is active. Expected lifetime: >10 years. 18 6.3 32 13.2 1280 Standard
7447789118SPEC
9 files Active i| Production is active. Expected lifetime: >10 years. 18 2.1 140 24 7332 Robust
7447779118SPEC
9 files Active i| Production is active. Expected lifetime: >10 years. 18 2.6 91 19 7345 Robust
744778122SPEC
10 files Active i| Production is active. Expected lifetime: >10 years. 22 2.05 1.4 190 20 7332 Standard744778
744777122SPEC
9 files Active i| Production is active. Expected lifetime: >10 years. 22 2.45 1.7 110 17 7345 Standard744777
7447713220SPEC
9 files Active i| Production is active. Expected lifetime: >10 years. 22 2.7 133 17.5 1030 Performance7447713
7447714220SPEC
9 files Active i| Production is active. Expected lifetime: >10 years. 22 3.6 50 14.5 1050 Performance7447713
7447715220SPEC
9 files Active i| Production is active. Expected lifetime: >10 years. 22 3.1 65 15.5 1245 Standard
744771122SPEC
9 files Active i| Production is active. Expected lifetime: >10 years. 22 6 3.7 36 13.5 1260 Standard744770
744770122SPEC
9 files Active i| Production is active. Expected lifetime: >10 years. 22 5.8 35 12 1280 Standard744770
7447709220SPEC
9 files Active i| Production is active. Expected lifetime: >10 years. 22 7 28 10 1210 Standard744770
7447785122SPEC
9 files Active i| Production is active. Expected lifetime: >10 years. 22 1.1 250 23 6033 Robust
7447786122SPEC
9 files Active i| Production is active. Expected lifetime: >10 years. 22 2.1 1.3 115 15 6050 Robust
7447789122SPEC
9 files Active i| Production is active. Expected lifetime: >10 years. 22 2.1 190 20 7332 Robust744778
7447779122SPEC
9 files Active i| Production is active. Expected lifetime: >10 years. 22 2.45 110 17 7345 Robust744777
7447783220SPEC
9 files Active i| Production is active. Expected lifetime: >10 years. 22 2.4 2.15 115 18 7332 Performance744778
7447704220SPEC
9 files Active i| Production is active. Expected lifetime: >10 years. 22 7.2 33 11.5 1510 Standard
7447773220SPEC
11 files Active i| Production is active. Expected lifetime: >10 years. 22 2.5 87 16.1 7345 Performance744777
7447706220SPEC
9 files Active i| Production is active. Expected lifetime: >10 years. 22 5.2 41 11 1260 Performance7447706
7447707220SPEC
9 files Active i| Production is active. Expected lifetime: >10 years. 22 6 7.4 36 10.2 1280 Performance7447706
744778127SPEC
10 files Active i| Production is active. Expected lifetime: >10 years. 27 1.95 1.3 240 18 7332 Standard
744777127SPEC
9 files Active i| Production is active. Expected lifetime: >10 years. 27 2.15 1.55 150 15 7345 Standard
744771127SPEC
9 files Active i| Production is active. Expected lifetime: >10 years. 27 5.3 3.5 45 12 1260 Standard
744770127SPEC
9 files Active i| Production is active. Expected lifetime: >10 years. 27 5.6 38 10 1280 Standard
7447709270SPEC
9 files Active i| Production is active. Expected lifetime: >10 years. 27 6.1 40 8 1210 Standard
7447785127SPEC
9 files Active i| Production is active. Expected lifetime: >10 years. 27 1.15 1 360 18 6033 Robust
7447789127SPEC
9 files Active i| Production is active. Expected lifetime: >10 years. 27 2 210 18 7332 Robust
7447779127SPEC
9 files Active i| Production is active. Expected lifetime: >10 years. 27 2.1 150 15 7345 Robust
7447714270SPEC
9 files Active i| Production is active. Expected lifetime: >10 years. 27 3.4 74 14 1050 Performance
744778133SPEC
10 files Active i| Production is active. Expected lifetime: >10 years. 33 1.85 1.15 240 16 7332 Standard
744777133SPEC
9 files Active i| Production is active. Expected lifetime: >10 years. 33 1.9 1.4 170 13 7345 Standard
7447713330SPEC
9 files Active i| Production is active. Expected lifetime: >10 years. 33 2.2 204 13 1030 Performance7447713
7447714330SPEC
9 files Active i| Production is active. Expected lifetime: >10 years. 33 2.9 79 11.1 1050 Performance7447713
7447715330SPEC
9 files Active i| Production is active. Expected lifetime: >10 years. 33 2.5 85 13 1245 Standard
744771133SPEC
9 files Active i| Production is active. Expected lifetime: >10 years. 33 4.6 3 57 11 1260 Standard
744770133SPEC
9 files Active i| Production is active. Expected lifetime: >10 years. 33 4.7 53 8.5 1280 Standard
7447709330SPEC
9 files Active i| Production is active. Expected lifetime: >10 years. 33 5.5 45 8.5 1210 Standard
7447785133SPEC
9 files Active i| Production is active. Expected lifetime: >10 years. 33 1.05 0.9 400 17 6033 Robust
7447789133SPEC
9 files Active i| Production is active. Expected lifetime: >10 years. 33 1.85 240 16 7332 Robust
7447779133SPEC
9 files Active i| Production is active. Expected lifetime: >10 years. 33 1.95 170 13 7345 Robust
7447783330SPEC
9 files Active i| Production is active. Expected lifetime: >10 years. 33 1.75 165 14 7332 Performance
7447773330SPEC
11 files Active i| Production is active. Expected lifetime: >10 years. 33 2.1 147 13.5 7345 Performance
7447706330SPEC
9 files Active i| Production is active. Expected lifetime: >10 years. 33 4.2 60 9.2 1260 Performance7447706
7447707330SPEC
9 files Active i| Production is active. Expected lifetime: >10 years. 33 4.8 6.1 53 8.3 1280 Performance7447706
744778139SPEC
10 files Active i| Production is active. Expected lifetime: >10 years. 39 1.5 1.1 320 14 7332 Standard
744777139SPEC
9 files Active i| Production is active. Expected lifetime: >10 years. 39 1.9 1.23 230 12 7345 Standard
744771139SPEC
9 files Active i| Production is active. Expected lifetime: >10 years. 39 4.3 2.7 68 10 1260 Standard
744770139SPEC
9 files Active i| Production is active. Expected lifetime: >10 years. 39 4.5 56 8.2 1280 Standard
7447709390SPEC
9 files Active i| Production is active. Expected lifetime: >10 years. 39 5 56 6 1210 Standard
7447789139SPEC
9 files Active i| Production is active. Expected lifetime: >10 years. 39 1.6 320 14 7332 Robust
7447779139SPEC
9 files Active i| Production is active. Expected lifetime: >10 years. 39 1.9 230 12 7345 Robust
744778147SPEC
10 files Active i| Production is active. Expected lifetime: >10 years. 47 1.25 1 360 13.5 7332 Standard744778
744777147SPEC
9 files Active i| Production is active. Expected lifetime: >10 years. 47 1.8 1.1 260 10.5 7345 Standard744777
7447713470SPEC
9 files Active i| Production is active. Expected lifetime: >10 years. 47 1.9 248 11.4 1030 Performance7447713
7447714470SPEC
9 files Active i| Production is active. Expected lifetime: >10 years. 47 2.5 99 8.8 1050 Performance7447713
7447715470SPEC
9 files Active i| Production is active. Expected lifetime: >10 years. 47 2.1 125 9.7 1245 Standard
744770147SPEC
9 files Active i| Production is active. Expected lifetime: >10 years. 47 4.25 64 7.9 1280 Standard744770
7447709470SPEC
9 files Active i| Production is active. Expected lifetime: >10 years. 47 4.9 60 6.5 1210 Standard744770
7447785147SPEC
9 files Active i| Production is active. Expected lifetime: >10 years. 47 0.88 0.74 600 16.5 6033 Robust
7447786147SPEC
9 files Active i| Production is active. Expected lifetime: >10 years. 47 1.25 0.8 295 10 6050 Robust
7447789147SPEC
9 files Active i| Production is active. Expected lifetime: >10 years. 47 1.25 360 13.5 7332 Robust744778
7447779147SPEC
9 files Active i| Production is active. Expected lifetime: >10 years. 47 1.65 260 10.5 7345 Robust744777
744771147SPEC
9 files Active i| Production is active. Expected lifetime: >10 years. 47 4.1 2.6 77 9.2 1260 Standard744770
7447783470SPEC
9 files Active i| Production is active. Expected lifetime: >10 years. 47 1.45 210 11.6 7332 Performance744778
7447773470SPEC
11 files Active i| Production is active. Expected lifetime: >10 years. 47 1.7 182 10.3 7345 Performance744777
7447706470SPEC
9 files Active i| Production is active. Expected lifetime: >10 years. 47 3.6 72 7.5 1260 Performance7447706
7447707470SPEC
9 files Active i| Production is active. Expected lifetime: >10 years. 47 4.35 5.1 63 7.2 1280 Performance7447706
744778156SPEC
10 files Active i| Production is active. Expected lifetime: >10 years. 56 1.2 0.88 470 12.5 7332 Standard
744777156SPEC
9 files Active i| Production is active. Expected lifetime: >10 years. 56 1.55 1.05 350 10 7345 Standard
7447714560SPEC
9 files Active i| Production is active. Expected lifetime: >10 years. 56 2.3 121 8.6 1050 Performance7447713
744771156SPEC
9 files Active i| Production is active. Expected lifetime: >10 years. 56 3.75 2.3 92 8 1260 Standard
744770156SPEC
9 files Active i| Production is active. Expected lifetime: >10 years. 56 4 71 7.1 1280 Standard
7447789156SPEC
9 files Active i| Production is active. Expected lifetime: >10 years. 56 1.2 470 12.5 7332 Robust
7447779156SPEC
9 files Active i| Production is active. Expected lifetime: >10 years. 56 1.5 350 10 7345 Robust
744778168SPEC
10 files Active i| Production is active. Expected lifetime: >10 years. 68 1.05 0.84 520 11.5 7332 Standard
744777168SPEC
9 files Active i| Production is active. Expected lifetime: >10 years. 68 1.45 0.95 380 9 7345 Standard
7447713680SPEC
9 files Active i| Production is active. Expected lifetime: >10 years. 68 1.6 330 9.4 1030 Performance7447713
7447714680SPEC
9 files Active i| Production is active. Expected lifetime: >10 years. 68 2.2 132 8 1050 Performance7447713
744771168SPEC
9 files Active i| Production is active. Expected lifetime: >10 years. 68 3.55 2.2 105 7.6 1260 Standard
744770168SPEC
9 files Active i| Production is active. Expected lifetime: >10 years. 68 3.5 90 6.4 1280 Standard
7447709680SPEC
9 files Active i| Production is active. Expected lifetime: >10 years. 68 3.9 89 5.5 1210 Standard
7447789168SPEC
9 files Active i| Production is active. Expected lifetime: >10 years. 68 1.05 520 11.5 7332 Robust
7447779168SPEC
9 files Active i| Production is active. Expected lifetime: >10 years. 68 1.45 380 9 7345 Robust
7447783680SPEC
9 files Active i| Production is active. Expected lifetime: >10 years. 68 1.25 300 9.3 7332 Performance
7447773680SPEC
11 files Active i| Production is active. Expected lifetime: >10 years. 68 1.45 230 8.4 7345 Performance
7447706680SPEC
9 files Active i| Production is active. Expected lifetime: >10 years. 68 3 97 6.5 1260 Performance7447706
7447707680SPEC
9 files Active i| Production is active. Expected lifetime: >10 years. 68 3.6 4.2 90 5.5 1280 Performance7447706
744778182SPEC
10 files Active i| Production is active. Expected lifetime: >10 years. 82 1 0.78 690 9.8 7332 Standard
744777182SPEC
9 files Active i| Production is active. Expected lifetime: >10 years. 82 1.4 0.9 430 8 7345 Standard
7447713820SPEC
9 files Active i| Production is active. Expected lifetime: >10 years. 82 1.5 419 8.8 1030 Performance7447713
7447714820SPEC
9 files Active i| Production is active. Expected lifetime: >10 years. 82 1.85 176 6.6 1050 Performance7447713
744771182SPEC
9 files Active i| Production is active. Expected lifetime: >10 years. 82 3.05 1.9 135 7.2 1260 Standard
744770182SPEC
9 files Active i| Production is active. Expected lifetime: >10 years. 82 3.3 105 3.5 1280 Standard
7447709820SPEC
9 files Active i| Production is active. Expected lifetime: >10 years. 82 3.35 105 4.5 1210 Standard
7447789182SPEC
9 files Active i| Production is active. Expected lifetime: >10 years. 82 1 690 9.8 7332 Robust
7447779182SPEC
9 files Active i| Production is active. Expected lifetime: >10 years. 82 1.4 430 8 7345 Robust
74477820SPEC
10 files Active i| Production is active. Expected lifetime: >10 years. 100 0.91 0.76 790 9 7332 Standard744778
74477720SPEC
9 files Active i| Production is active. Expected lifetime: >10 years. 100 1.3 0.75 610 7.5 7345 Standard744777
7447713101SPEC
9 files Active i| Production is active. Expected lifetime: >10 years. 100 1.4 478 7.7 1030 Performance7447713
7447714101SPEC
9 files Active i| Production is active. Expected lifetime: >10 years. 100 1.8 198 5.9 1050 Performance7447713
7447715101SPEC
9 files Active i| Production is active. Expected lifetime: >10 years. 100 1.4 270 6.9 1245 Standard
74477120SPEC
9 files Active i| Production is active. Expected lifetime: >10 years. 100 2.8 1.7 160 6.6 1260 Standard744770
74477020SPEC
9 files Active i| Production is active. Expected lifetime: >10 years. 100 2.85 140 5.2 1280 Standard744770
7447709101SPEC
9 files Active i| Production is active. Expected lifetime: >10 years. 100 3.2 110 4.3 1210 Standard744770
744778520SPEC
9 files Active i| Production is active. Expected lifetime: >10 years. 100 0.63 0.5 1060 11 6033 Robust
744778920SPEC
9 files Active i| Production is active. Expected lifetime: >10 years. 100 0.91 790 9 7332 Robust744778
744777920SPEC
9 files Active i| Production is active. Expected lifetime: >10 years. 100 1.3 380 7.5 7345 Robust744777
7447783101SPEC
9 files Active i| Production is active. Expected lifetime: >10 years. 100 1 450 7.8 7332 Performance744778
7447773101SPEC
11 files Active i| Production is active. Expected lifetime: >10 years. 100 1.2 335 6.7 7345 Performance744777
7447706101SPEC
9 files Active i| Production is active. Expected lifetime: >10 years. 100 2.5 140 5.2 1260 Performance7447706
7447707101SPEC
9 files Active i| Production is active. Expected lifetime: >10 years. 100 3.1 3.5 120 4.3 1280 Performance7447706
744778212SPEC
10 files Active i| Production is active. Expected lifetime: >10 years. 120 0.87 0.68 890 8.5 7332 Standard
744777212SPEC
9 files Active i| Production is active. Expected lifetime: >10 years. 120 1.1 0.7 660 6.7 7345 Standard
7447713121SPEC
9 files Active i| Production is active. Expected lifetime: >10 years. 120 1.25 598 7 1030 Performance
744771212SPEC
9 files Active i| Production is active. Expected lifetime: >10 years. 120 2.6 1.6 180 5.2 1260 Standard
7447789212SPEC
9 files Active i| Production is active. Expected lifetime: >10 years. 120 0.93 890 8.5 7332 Robust
7447779212SPEC
9 files Active i| Production is active. Expected lifetime: >10 years. 120 1.1 660 6.7 7345 Robust
744778215SPEC
10 files Active i| Production is active. Expected lifetime: >10 years. 150 0.82 0.53 1270 7.2 7332 Standard
744777215SPEC
9 files Active i| Production is active. Expected lifetime: >10 years. 150 0.86 0.63 880 6 7345 Standard
7447713151SPEC
9 files Active i| Production is active. Expected lifetime: >10 years. 150 1.1 684 6.1 1030 Performance
7447714151SPEC
9 files Active i| Production is active. Expected lifetime: >10 years. 150 1.4 300 4.9 1050 Performance7447713
744771215SPEC
9 files Active i| Production is active. Expected lifetime: >10 years. 150 2.3 1.45 220 4.4 1260 Standard
744770215SPEC
9 files Active i| Production is active. Expected lifetime: >10 years. 150 2.55 175 3 1280 Standard
7447709151SPEC
10 files Active i| Production is active. Expected lifetime: >10 years. 150 2.6 200 3.5 1210 Standard
7447789215SPEC
9 files Active i| Production is active. Expected lifetime: >10 years. 150 0.81 1270 7.2 7332 Robust
7447779215SPEC
9 files Active i| Production is active. Expected lifetime: >10 years. 150 0.96 880 6 7345 Robust
7447783151SPEC
9 files Active i| Production is active. Expected lifetime: >10 years. 150 0.84 750 6.25 7332 Performance
7447773151SPEC
11 files Active i| Production is active. Expected lifetime: >10 years. 150 0.95 515 5.2 7345 Performance
7447706151SPEC
9 files Active i| Production is active. Expected lifetime: >10 years. 150 2 200 4.2 1260 Performance7447706
7447707151SPEC
9 files Active i| Production is active. Expected lifetime: >10 years. 150 2.45 2.8 190 3.5 1280 Performance7447706
744778218SPEC
10 files Active i| Production is active. Expected lifetime: >10 years. 180 0.71 0.5 1450 7 7332 Standard
744777218SPEC
9 files Active i| Production is active. Expected lifetime: >10 years. 180 0.85 0.56 980 5.3 7345 Standard
744771218SPEC
9 files Active i| Production is active. Expected lifetime: >10 years. 180 2.05 1.25 280 4.1 1260 Standard
744770218SPEC
9 files Active i| Production is active. Expected lifetime: >10 years. 180 2.25 220 4.2 1280 Standard
7447789218SPEC
9 files Active i| Production is active. Expected lifetime: >10 years. 180 0.7 1450 7 7332 Robust
7447779218SPEC
9 files Active i| Production is active. Expected lifetime: >10 years. 180 0.9 980 5.3 7345 Robust
744778222SPEC
10 files Active i| Production is active. Expected lifetime: >10 years. 220 0.62 0.42 1650 6 7332 Standard744778
744777222SPEC
9 files Active i| Production is active. Expected lifetime: >10 years. 220 0.72 0.54 1170 5 7345 Standard744777
7447714221SPEC
9 files Active i| Production is active. Expected lifetime: >10 years. 220 1.2 439 4.3 1050 Performance7447713
7447715221SPEC
9 files Active i| Production is active. Expected lifetime: >10 years. 220 1 480 4.7 1245 Standard
744771220SPEC
9 files Active i| Production is active. Expected lifetime: >10 years. 220 1.85 1.2 340 3.8 1260 Standard744770
744770222SPEC
9 files Active i| Production is active. Expected lifetime: >10 years. 220 2 275 3.8 1280 Standard744770
7447709221SPEC
9 files Active i| Production is active. Expected lifetime: >10 years. 220 2.25 300 2.7 1210 Standard744770
7447789222SPEC
9 files Active i| Production is active. Expected lifetime: >10 years. 220 0.59 1650 6 7332 Robust744778
7447779222SPEC
9 files Active i| Production is active. Expected lifetime: >10 years. 220 0.72 1170 5 7345 Robust744777
7447783221SPEC
9 files Active i| Production is active. Expected lifetime: >10 years. 220 0.69 1040 5 7332 Performance744778
7447773221SPEC
11 files Active i| Production is active. Expected lifetime: >10 years. 220 0.81 770 4.3 7345 Performance744777
7447706221SPEC
9 files Active i| Production is active. Expected lifetime: >10 years. 220 1.7 310 3.3 1260 Performance7447706
7447707221SPEC
9 files Active i| Production is active. Expected lifetime: >10 years. 220 2 2.35 265 2.9 1280 Performance7447706
744778270SPEC
10 files Active i| Production is active. Expected lifetime: >10 years. 270 0.57 0.39 2310 5.2 7332 Standard
744777270SPEC
9 files Active i| Production is active. Expected lifetime: >10 years. 270 0.7 1640 4.3 7345 Standard
744771270SPEC
9 files Active i| Production is active. Expected lifetime: >10 years. 270 1.7 1 400 3.4 1260 Standard
7447709271SPEC
9 files Active i| Production is active. Expected lifetime: >10 years. 270 2 330 2.5 1210 Standard
7447789270SPEC
9 files Active i| Production is active. Expected lifetime: >10 years. 270 0.56 2310 5.2 7332 Robust
7447779270SPEC
9 files Active i| Production is active. Expected lifetime: >10 years. 270 0.66 1640 4.3 7345 Robust
744778233SPEC
10 files Active i| Production is active. Expected lifetime: >10 years. 330 0.45 2620 4.8 7332 Standard
744777233SPEC
9 files Active i| Production is active. Expected lifetime: >10 years. 330 0.64 0.45 1860 4 7345 Standard
7447713331SPEC
9 files Active i| Production is active. Expected lifetime: >10 years. 330 0.73 1500 4.3 1030 Performance7447713
7447714331SPEC
9 files Active i| Production is active. Expected lifetime: >10 years. 330 1 750 3.15 1050 Performance7447713
744771233SPEC
9 files Active i| Production is active. Expected lifetime: >10 years. 330 1.5 0.97 490 3 1260 Standard
744770233SPEC
9 files Active i| Production is active. Expected lifetime: >10 years. 330 1.65 410 3 1280 Standard
7447709331SPEC
9 files Active i| Production is active. Expected lifetime: >10 years. 330 1.6 430 2 1210 Standard
7447789233SPEC
9 files Active i| Production is active. Expected lifetime: >10 years. 330 0.45 2620 4.8 7332 Robust
7447779233SPEC
9 files Active i| Production is active. Expected lifetime: >10 years. 330 0.64 1860 4 7345 Robust
7447783331SPEC
9 files Active i| Production is active. Expected lifetime: >10 years. 330 0.56 1430 4 7332 Performance
7447773331SPEC
11 files Active i| Production is active. Expected lifetime: >10 years. 330 0.66 1085 3.6 7345 Performance
7447706331SPEC
9 files Active i| Production is active. Expected lifetime: >10 years. 330 1.4 450 2.6 1260 Performance7447706
7447707331SPEC
9 files Active i| Production is active. Expected lifetime: >10 years. 330 1.6 1.9 410 2.1 1280 Performance7447706
744778239SPEC
10 files Active i| Production is active. Expected lifetime: >10 years. 390 0.43 0.34 2940 4.4 7332 Standard
744777239SPEC
9 files Active i| Production is active. Expected lifetime: >10 years. 390 0.61 0.42 2850 3.8 7345 Standard
744771239SPEC
9 files Active i| Production is active. Expected lifetime: >10 years. 390 1.3 0.85 640 2.8 1260 Standard
7447789239SPEC
9 files Active i| Production is active. Expected lifetime: >10 years. 390 0.43 2940 4.4 7332 Robust
7447779239SPEC
9 files Active i| Production is active. Expected lifetime: >10 years. 390 0.58 2850 3.8 7345 Robust
74477824SPEC
10 files Active i| Production is active. Expected lifetime: >10 years. 470 0.42 0.31 4180 4 7332 Standard744778
74477724SPEC
9 files Active i| Production is active. Expected lifetime: >10 years. 470 0.54 0.34 3010 3.2 7345 Standard744777
7447713471SPEC
9 files Active i| Production is active. Expected lifetime: >10 years. 470 0.65 2200 3.4 1030 Performance
7447714471SPEC
9 files Active i| Production is active. Expected lifetime: >10 years. 470 0.82 1100 2.5 1050 Performance7447713
74477124SPEC
9 files Active i| Production is active. Expected lifetime: >10 years. 470 1.25 0.8 710 2.6 1260 Standard744770
744770247SPEC
9 files Active i| Production is active. Expected lifetime: >10 years. 470 1.45 540 2.6 1280 Standard744770
7447709471SPEC
9 files Active i| Production is active. Expected lifetime: >10 years. 470 1.45 560 1.8 1210 Standard744770
744778924SPEC
9 files Active i| Production is active. Expected lifetime: >10 years. 470 0.42 4180 4 7332 Robust744778
744777924SPEC
9 files Active i| Production is active. Expected lifetime: >10 years. 470 0.54 3010 3.2 7345 Robust744777
7447783471SPEC
9 files Active i| Production is active. Expected lifetime: >10 years. 470 0.47 2040 3.3 7332 Performance744778
7447773471SPEC
11 files Active i| Production is active. Expected lifetime: >10 years. 470 0.55 1700 2.8 7345 Performance744777
7447704471SPEC
9 files Active i| Production is active. Expected lifetime: >10 years. 470 1.7 500 1.7 1510 Standard
7447706471SPEC
9 files Active i| Production is active. Expected lifetime: >10 years. 470 1.15 610 2.3 1260 Performance7447706
7447707471SPEC
9 files Active i| Production is active. Expected lifetime: >10 years. 470 1.4 1.6 540 1.9 1280 Performance7447706
74477825SPEC
10 files Active i| Production is active. Expected lifetime: >10 years. 560 0.39 0.3 4670 3.7 7332 Standard
74477725SPEC
9 files Active i| Production is active. Expected lifetime: >10 years. 560 0.52 0.31 3620 3 7345 Standard
74477125SPEC
9 files Active i| Production is active. Expected lifetime: >10 years. 560 1.12 0.7 890 2.5 1260 Standard
744770256SPEC
9 files Active i| Production is active. Expected lifetime: >10 years. 560 1.25 680 2.5 1280 Standard
744778925SPEC
9 files Active i| Production is active. Expected lifetime: >10 years. 560 0.39 4670 3.7 7332 Robust
744777925SPEC
9 files Active i| Production is active. Expected lifetime: >10 years. 560 0.52 3620 3 7345 Robust
74477826SPEC
10 files Active i| Production is active. Expected lifetime: >10 years. 680 0.31 0.22 5730 3.4 7332 Standard
74477726SPEC
9 files Active i| Production is active. Expected lifetime: >10 years. 680 0.42 0.28 4630 2.7 7345 Standard
7447714681SPEC
9 files Active i| Production is active. Expected lifetime: >10 years. 680 0.71 1220 2.05 1050 Performance7447713
744770268SPEC
9 files Active i| Production is active. Expected lifetime: >10 years. 680 1.1 930 2.2 1280 Standard
7447709681SPEC
9 files Active i| Production is active. Expected lifetime: >10 years. 680 1.2 825 1.5 1210 Standard
744778926SPEC
9 files Active i| Production is active. Expected lifetime: >10 years. 680 0.32 5730 3.4 7332 Robust
744777926SPEC
9 files Active i| Production is active. Expected lifetime: >10 years. 680 0.42 4630 2.7 7345 Robust
74477126SPEC
9 files Active i| Production is active. Expected lifetime: >10 years. 680 1.05 0.68 1020 2.3 1260 Standard
7447783681SPEC
9 files Active i| Production is active. Expected lifetime: >10 years. 680 0.39 2900 2.75 7332 Performance
7447773681SPEC
11 files Active i| Production is active. Expected lifetime: >10 years. 680 0.46 2300 2.3 7345 Performance
7447706681SPEC
9 files Active i| Production is active. Expected lifetime: >10 years. 680 0.95 860 1.8 1260 Performance
7447707681SPEC
9 files Active i| Production is active. Expected lifetime: >10 years. 680 1.15 1.3 770 1.5 1280 Performance
74477828SPEC
10 files Active i| Production is active. Expected lifetime: >10 years. 820 0.3 0.2 6500 2.8 7332 Standard
74477728SPEC
9 files Active i| Production is active. Expected lifetime: >10 years. 820 0.39 0.26 5200 2.5 7345 Standard
74477128SPEC
9 files Active i| Production is active. Expected lifetime: >10 years. 820 0.97 0.6 1200 2.1 1260 Standard
744770282SPEC
9 files Active i| Production is active. Expected lifetime: >10 years. 820 1.05 1050 2 1280 Standard
7447709821SPEC
9 files Active i| Production is active. Expected lifetime: >10 years. 820 1.05 1000 1.2 1210 Standard
744778928SPEC
9 files Active i| Production is active. Expected lifetime: >10 years. 820 0.3 6540 2.8 7332 Robust
744777928SPEC
9 files Active i| Production is active. Expected lifetime: >10 years. 820 0.39 5200 2.5 7345 Robust
74477830SPEC
10 files Active i| Production is active. Expected lifetime: >10 years. 1000 0.28 0.18 9440 2.6 7332 Standard744778
74477730SPEC
9 files Active i| Production is active. Expected lifetime: >10 years. 1000 0.37 0.25 6000 2.2 7345 Standard744777
7447713102SPEC
9 files Active i| Production is active. Expected lifetime: >10 years. 1000 0.45 4600 2.3 1030 Performance
7447714102SPEC
9 files Active i| Production is active. Expected lifetime: >10 years. 1000 0.55 2050 1.7 1050 Performance7447713
74477130SPEC
9 files Active i| Production is active. Expected lifetime: >10 years. 1000 0.83 0.55 1600 1.9 1260 Standard
74477030SPEC
9 files Active i| Production is active. Expected lifetime: >10 years. 1000 0.98 1180 1.8 1280 Standard744770
7447709102SPEC
9 files Active i| Production is active. Expected lifetime: >10 years. 1000 1 1200 1 1210 Standard744770
744778930SPEC
9 files Active i| Production is active. Expected lifetime: >10 years. 1000 0.28 9440 2.6 7332 Robust744778
744777930SPEC
9 files Active i| Production is active. Expected lifetime: >10 years. 1000 0.37 6000 2.2 7345 Robust744777
7447783102SPEC
9 files Active i| Production is active. Expected lifetime: >10 years. 1000 0.32 4600 2.2 7332 Performance744778
7447773102SPEC
11 files Active i| Production is active. Expected lifetime: >10 years. 1000 0.38 3300 1.9 7345 Performance744777
7447706102SPEC
9 files Active i| Production is active. Expected lifetime: >10 years. 1000 0.8 1250 1.45 1260 Performance7447706
7447707102SPEC
9 files Active i| Production is active. Expected lifetime: >10 years. 1000 0.97 1090 1.2 1280 Performance7447706
7447709152SPEC
9 files Active i| Production is active. Expected lifetime: >10 years. 1500 0.71 2300 0.9 1210 Standard
7447714152SPEC
10 files New i| Product is new in our portfolio and production is active. Expected lifetime: >10 years. 1500 0.47 3370 1.25 1050 Performance
7447709222SPEC
9 files Active i| Production is active. Expected lifetime: >10 years. 2200 0.53 3750 0.66 1210 Standard
Order Code Data­sheet Simu­lation
74477009SPEC
744778005SPEC
7447715906SPEC
74477008SPEC
744778001SPEC
744777001SPEC
7447715910SPEC
7447709001SPEC
7447785001SPEC
7447786001SPEC
7447789001SPEC
7447779001SPEC
7447773010SPEC
744771010SPEC
74477001SPEC
7447713015SPEC
7447714015SPEC
744771001SPEC
744770015SPEC
74477790015SPEC
7447783015SPEC
7447706015SPEC
7447707015SPEC
7447715001SPEC
744778002SPEC
744777002SPEC
7447713022SPEC
7447714022SPEC
744771002SPEC
7447709002SPEC
7447785002SPEC
7447786002SPEC
7447789002SPEC
7447779002SPEC
7447783022SPEC
7447773022SPEC
7447706022SPEC
7447707022SPEC
74477002SPEC
7447715002SPEC
744778003SPEC
744777003SPEC
7447713033SPEC
7447714033SPEC
7447715003SPEC
7447785003SPEC
7447789003SPEC
7447779003SPEC
7447783033SPEC
7447773033SPEC
7447706033SPEC
7447707033SPEC
744771003SPEC
74477003SPEC
7447709003SPEC
744778004SPEC
744777004SPEC
7447713047SPEC
7447714047SPEC
7447715004SPEC
744771004SPEC
74477004SPEC
7447709004SPEC
7447785004SPEC
7447786004SPEC
7447789004SPEC
7447779004SPEC
7447783047SPEC
7447773047SPEC
7447706047SPEC
7447707047SPEC
7447714056SPEC
74477005SPEC
74477006SPEC
7447773062SPEC
7447706062SPEC
7447714068SPEC
7447715006SPEC
744771006SPEC
7447709006SPEC
7447785006SPEC
7447786006SPEC
7447789006SPEC
7447779006SPEC
7447783068SPEC
7447707068SPEC
74477007SPEC
7447713082SPEC
744771008SPEC
7447786008SPEC
7447779008SPEC
74477810SPEC
74477710SPEC
7447713100SPEC
7447714100SPEC
7447715100SPEC
74477110SPEC
74477010SPEC
7447709100SPEC
744778510SPEC
744778610SPEC
744778910SPEC
744777910SPEC
7447783100SPEC
7447773100SPEC
7447706100SPEC
7447707100SPEC
744778112SPEC
744777112SPEC
7447715120SPEC
744771112SPEC
744770112SPEC
7447789112SPEC
7447779112SPEC
744778115SPEC
744777115SPEC
7447713150SPEC
7447714150SPEC
744771115SPEC
744770115SPEC
7447709150SPEC
7447785115SPEC
7447789115SPEC
7447779115SPEC
7447783150SPEC
7447704150SPEC
7447773150SPEC
7447706150SPEC
7447707150SPEC
744778118SPEC
744777118SPEC
7447715180SPEC
744771118SPEC
744770118SPEC
7447789118SPEC
7447779118SPEC
744778122SPEC
744777122SPEC
7447713220SPEC
7447714220SPEC
7447715220SPEC
744771122SPEC
744770122SPEC
7447709220SPEC
7447785122SPEC
7447786122SPEC
7447789122SPEC
7447779122SPEC
7447783220SPEC
7447704220SPEC
7447773220SPEC
7447706220SPEC
7447707220SPEC
744778127SPEC
744777127SPEC
744771127SPEC
744770127SPEC
7447709270SPEC
7447785127SPEC
7447789127SPEC
7447779127SPEC
7447714270SPEC
744778133SPEC
744777133SPEC
7447713330SPEC
7447714330SPEC
7447715330SPEC
744771133SPEC
744770133SPEC
7447709330SPEC
7447785133SPEC
7447789133SPEC
7447779133SPEC
7447783330SPEC
7447773330SPEC
7447706330SPEC
7447707330SPEC
744778139SPEC
744777139SPEC
744771139SPEC
744770139SPEC
7447709390SPEC
7447789139SPEC
7447779139SPEC
744778147SPEC
744777147SPEC
7447713470SPEC
7447714470SPEC
7447715470SPEC
744770147SPEC
7447709470SPEC
7447785147SPEC
7447786147SPEC
7447789147SPEC
7447779147SPEC
744771147SPEC
7447783470SPEC
7447773470SPEC
7447706470SPEC
7447707470SPEC
744778156SPEC
744777156SPEC
7447714560SPEC
744771156SPEC
744770156SPEC
7447789156SPEC
7447779156SPEC
744778168SPEC
744777168SPEC
7447713680SPEC
7447714680SPEC
744771168SPEC
744770168SPEC
7447709680SPEC
7447789168SPEC
7447779168SPEC
7447783680SPEC
7447773680SPEC
7447706680SPEC
7447707680SPEC
744778182SPEC
744777182SPEC
7447713820SPEC
7447714820SPEC
744771182SPEC
744770182SPEC
7447709820SPEC
7447789182SPEC
7447779182SPEC
74477820SPEC
74477720SPEC
7447713101SPEC
7447714101SPEC
7447715101SPEC
74477120SPEC
74477020SPEC
7447709101SPEC
744778520SPEC
744778920SPEC
744777920SPEC
7447783101SPEC
7447773101SPEC
7447706101SPEC
7447707101SPEC
744778212SPEC
744777212SPEC
7447713121SPEC
744771212SPEC
7447789212SPEC
7447779212SPEC
744778215SPEC
744777215SPEC
7447713151SPEC
7447714151SPEC
744771215SPEC
744770215SPEC
7447709151SPEC
7447789215SPEC
7447779215SPEC
7447783151SPEC
7447773151SPEC
7447706151SPEC
7447707151SPEC
744778218SPEC
744777218SPEC
744771218SPEC
744770218SPEC
7447789218SPEC
7447779218SPEC
744778222SPEC
744777222SPEC
7447714221SPEC
7447715221SPEC
744771220SPEC
744770222SPEC
7447709221SPEC
7447789222SPEC
7447779222SPEC
7447783221SPEC
7447773221SPEC
7447706221SPEC
7447707221SPEC
744778270SPEC
744777270SPEC
744771270SPEC
7447709271SPEC
7447789270SPEC
7447779270SPEC
744778233SPEC
744777233SPEC
7447713331SPEC
7447714331SPEC
744771233SPEC
744770233SPEC
7447709331SPEC
7447789233SPEC
7447779233SPEC
7447783331SPEC
7447773331SPEC
7447706331SPEC
7447707331SPEC
744778239SPEC
744777239SPEC
744771239SPEC
7447789239SPEC
7447779239SPEC
74477824SPEC
74477724SPEC
7447713471SPEC
7447714471SPEC
74477124SPEC
744770247SPEC
7447709471SPEC
744778924SPEC
744777924SPEC
7447783471SPEC
7447773471SPEC
7447704471SPEC
7447706471SPEC
7447707471SPEC
74477825SPEC
74477725SPEC
74477125SPEC
744770256SPEC
744778925SPEC
744777925SPEC
74477826SPEC
74477726SPEC
7447714681SPEC
744770268SPEC
7447709681SPEC
744778926SPEC
744777926SPEC
74477126SPEC
7447783681SPEC
7447773681SPEC
7447706681SPEC
7447707681SPEC
74477828SPEC
74477728SPEC
74477128SPEC
744770282SPEC
7447709821SPEC
744778928SPEC
744777928SPEC
74477830SPEC
74477730SPEC
7447713102SPEC
7447714102SPEC
74477130SPEC
74477030SPEC
7447709102SPEC
744778930SPEC
744777930SPEC
7447783102SPEC
7447773102SPEC
7447706102SPEC
7447707102SPEC
7447709152SPEC
7447714152SPEC
7447709222SPEC
Samples
Order Code Data­sheet Simu­lation Downloads StatusL
(µH)
IRP,40K
(A)
ISAT
(A)
RDC max.
(mΩ)
fres
(MHz)
SizeVersionDesign Kit Samples

Simple but efficient

Simple but efficient

The WE-PD is a high performance inductor known for its reliability and consistency under various operating conditions. Four carefully selected components make sure that the power inductor meets the requirements to deliver high performance.

The base is available in two different variants and connects the component to the PCB to achieve mechanical stability. The windings are made of copper with very low RDC and RAC to ensure consistency and efficiency. The core is the heart of the WE-PD and is made of NiZn for a high dielectric strength or MnZn material, enabling the inductor to provide high saturation currents and low core losses while an advanced shielding technology with an outside air gap not only reduces unwanted noise and electromagnetic interference but also avoids eddy current losses in the windings.

All the components and materials work together to ensure resistance against thermal aging for high reliability and long term usability.

Explosion view WE-PD

Variants

View on WE-PD
WE-PD

Small air gap between the pin. Inductor is elevated by the base.

Image of WE-PD Robust
WE-PD Robust

Molding ensures very good contact area between part and PCB.

Image of WE-PD Performance
WE-PD Performance

MnZn core for 40 % higher saturation current.

WE-PD Performance

WE-PD Performance

  • up to 25% lower RDC than NiZn
  • up to 40% higher Saturation Current than WE-PD and WE-PD Robust
  • same land pattern geometry like all WE-PD 12xx sizes
Graph of the current inductance of a WE-PD

REDEXPERT loss simulation

Find the best inductor!

REDEXPERT loss simulation

Find the best inductor!

REDEXPERT has the world’s most accurate AC loss model, which even includes the DC-bias current. With dedicated DC-DC topologies or the generic loss simulator, you can accurately determine the AC and DC losses for your converter. The model includes the core material, shape and winding structure of the inductor. REDEXPERT recommends suitable inductors and allows you to add more filters to find the best inductor for your application.

Schematic representations of the REDEXPERT loss simulator

Comments

  • The ambient temperature when operating the WE-PD series of storage chokes at full current rating load should generally range from –40 °C to +85 °C.
  • The self-heating of the component must be taken into account at higher ambient temperatures in order that the permissible solder joint temperature is not exceeded or the wire insulation damaged.
  • The wire used can withstand a temperature of up to +150 °C.
  • The ferrite core itself may be used over a far greater temperature range (approx. –50 °C to +250 °C (curie temperature))
  • However, in this case, the tolerance limits of the inductor may be exceeded due to the temperature dependence of permeability.

Videos

Würth Elektronik Webinar: How do I select the right inductor for a DC/DC converter design?

Videos

How to choose the right coil type (inductor)?!

Videos

Würth Elektronik Webinar: Magnetics design & selection – intermediate level

Videos

Definition of component heating of power inductors in switching regulators