Power Supply
Kondensatoren
Aufgrund der hohen Spannungen im DC-Link-Kreis sind zwei verschiedene Technologien geeignet. Elektrolytkondensatoren bieten eine höhere Kapazität, während DC-Link-Folienkondensatoren eine höhere Ripple-Strombelastbarkeit verkraften.
Terminal Blocks
Terminal Blocks (TBL) bieten eine sichere und zuverlässige Möglichkeit, Leitungen in Netzanschlussbaugruppen zu verbinden. Sie ermöglichen eine schnelle Installation, einen sicheren Umgang mit hohen Spannungen und flexible Verdrahtungsoptionen. Ihre robuste Bauweise gewährleistet langlebige Verbindungen in Industrieanlagen.
Optokoppler
Optokoppler übertragen Signale zwischen Schaltungen und gewährleisten dabei die elektrische Isolation zwischen Primär- und Sekundärwicklung eines Leistungstransformators. In AC/DC-Wandlern werden sie verwendet, um eine Rückkopplung der Ausgangsspannung an den Regler auf der Primärseite bereitzustellen.
Verbindungstechnik
Verbindungstechnik umfasst mechanische und elektromechanische Komponenten, die die Integration von Leiterplatten vereinfachen. Dazu gehören Abstandshalter, Montageschrauben und Befestigungselemente, die eine sichere und korrekte Montage gewährleisten.
REDCUBE
REDCUBE-Klemmen sind Hochstromverbinder, die für die Pressfit-Montage auf Leiterplatten ausgelegt sind. Sie bieten einen extrem niedrigen Übergangswiderstand und eine hohe mechanische Stabilität für die Leistungsübertragung. Durch ihre robuste Konstruktion eignen sie sich ideal für Anwendungen, die eine zuverlässige Stromführung und effektives Wärmemanagement erfordern.
Hochvolt Speicherinduktivitäten
REDEXPERT hilft Ihnen, die optimale Speicherinduktivität für Ihr Schaltnetzteil (SMPS) zu finden, und liefert nützliche Informationen zu Wirkungsgrad und Temperaturanstieg.
Offline Transformers
Offline-Transformatoren bieten eine sichere galvanische Trennung und Spannungsumwandlung zwischen dem Netzanschluss und den Niederspannungsschaltungen. Ihr Design beeinflusst die Effizienz, das EMV-Verhalten und die Leistungsdichte des AC/DC-Wandlers.
Topologien
Grundlagen über Power Supply
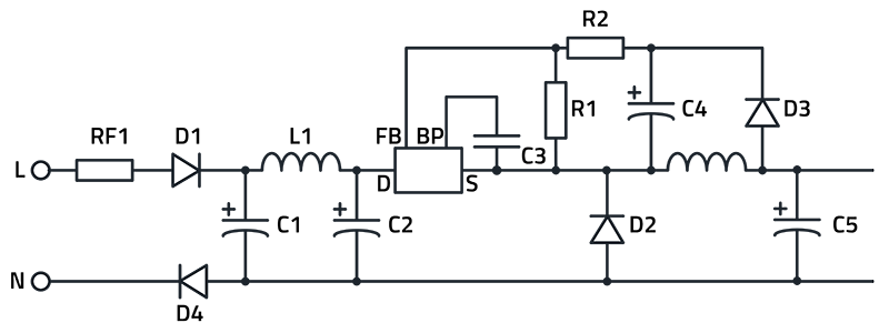
Moderne Elektronik benötigt niedrige, stabile Gleichspannungen – das Stromnetz liefert jedoch Wechselstrom (230 V oder 110 V). AC/DC-Wandler wandeln diesen in sichere und zuverlässige DC-Spannung um, indem sie ihn gleichrichten, puffern und regeln. Abhängig von Leistungsanforderung und Sicherheitsstandard kommen isolierte oder nicht isolierte Topologien zum Einsatz. In den meisten modernen Anwendungen sorgen hocheffiziente Schaltnetzteile (DC/DC-Wandler) mit vorgeschaltetem Gleichrichter für die Energieversorgung. Da Schaltnetzteile elektromagnetische Störungen (EMI) erzeugen können, sind gezielte EMV-Maßnahmen unerlässlich, um Normen einzuhalten und einen störungsfreien Betrieb zu gewährleisten.
Mehr Wissen zum Thema Power Supply
-
Optokoppler finden häufig Einsatz im Steuerpfad von Stromversorgungsschaltungen, die eine galvanische Trennung zwischen Primär- und Sekundärseite erfordern. Zu den wichtigsten Parametern zählen die Current Transfer Ratio (CTR) und die Isolationsspannung. Darlington-Optokoppler (links) bieten eine hohe CTR, während Phototransistor-Optokoppler kurze Schaltzeiten ermöglichen.
-
Ein wichtiger Parameter bei Optokopplern ist die Isolationsspannung, die von Luft- (Clearance distance) und Kriechstrecken (Creepage distance) sowie von der Dicke der Isolationsschicht (Isolation thickness - DTI) abhängt. Ein typischer Wert für die maximale Isolationsspannung ist beispielsweise 5 kV.
-
Die Lebensdauer eines Kondensators hängt von der maximal erlaubten Betriebstemperatur, der Umgebungstemperatur, dem Rippelstrom und der angelegten Spannung ab. Die vereinfachten Formeln verzichten auf den Einfluss von Strom und Spannung. In RedExpert lässt sich die Lebensdauer detailliert für Ihre Anwendung berechnen.
-
Für die mechanische Befestigung von Leiterplatten bei der Montage von Stromversorgungen sind die verschiedenen Versionen von SMT-Spacern gedacht. Das Spektrum umfasst Versionen mit Innen- und Außengewinden, gewinkelt und gerade, Reverse und mit Durchgangsloch sowie Automotive-Typen.
-
Bei Offline-Transformern für Stromversorgungen gibt es verschiedene Isolationsklassen: - Funktionale Isolation bietet keinen Schutz, aber vermeidet Masseschleifen und Kurzschlüsse - Basic Isolation gilt allein nicht als sicher (safe), bietet aber eine Schutzschicht und funktionale Isolation - Doppelte Isolation gilt als sicher (safe) und bietet funktionale Isolation mit zwei Schutzschichten - Verstärkte Isolation gilt als sicher (safe) und bietet eine Schutzschicht ohne einen einzigen Ausfallpunkt.
-
Gerade bei Anwendungen mit höheren Leistungen braucht es eine Leistungsfaktorkorrektur (Power Factor Correction - PFC), um die Blindleistung zu reduzieren und damit den Wirkungsgrad zu steigern. Der Standard EN61000-3-2 definiert dabei den Wert der maximal zulässigen harmonischen Ströme. Hier kommen Leistungsfaktorkorrekturdrosseln (PFC Chokes) ins Spiel, die für einen hohen Wirkungsgrad bei einem guten EMV-Verhalten sorgen.
-
Die REDCUBE-Terminals stellen eine leistungsfähige Verbindung zur Leiterplatte her, beispielsweise mit Einpressung als Press-Fit-Version oder als THR- oder SMT-Version. Die REDCUBE-Stecker besitzen eine besondere Beschichtung für optimales Crimping und sind mit hexagonalen Standard-Crimp-Werkzeugen verarbeitbar.
-
Die REDCUBE-Terminals stellen eine leistungsfähige Verbindung zur Leiterplatte her, in genz besonderem Maße als Press-Fit-Version. Der Press-Fit-Prozess sorgt für einen homogenen Materialübergang zwischen Pin und der Beschichtung des Einstecklochs in der Platine, was auch als Kaltverschweißung bezeichnet wird. Eine Stromtragfähigkeit von bis zu 500 A und eine Auszugskraft von 10 kg/Pin belegen die Leistungsfähigkeit der REDCUBE-Terminals.









