WE-PSPA Push Pull & Gate Drive Transformer
| Size | Dimensions | L (mm) | W (mm) | H (mm) | Mount | |
|---|---|---|---|---|---|---|
1208 | 12.6 | 8.3 | 4.1 | SMT | ||
1006 | 10.46 | 6.73 | - | SMT |
Characteristics
- Surface mount
- AEC-Q200
- Variety of turn ratios
- Output voltages from 5 V up to 23 V
- Operating temperature:-40 °C up to +125 ºC
- Automotive approved
Applications
- As a Gate Drive Transformator
- Transformator for Push Pull DC/DC Converter
- For isolated interfaces RS 485, CAN
Products
All
1208
1006
Filter by
show in
article in 2 product lines
Reset allOrder Code | Datasheet | Downloads | Status | L(µH) | n | Test Condition n | RDC 1(mΩ) | RDC 2(mΩ) | RDC 3(mΩ) | RDC 4(mΩ) | ∫Udt(Vµs) | LS(nH) | VT(V (AC)) | VOut1(V) | Vin(V) | IOut1(mA) | Design Kit | SamplesAvailability & Sample | |
|---|---|---|---|---|---|---|---|---|---|---|---|---|---|---|---|---|---|---|---|
78931812505 | SPEC86 µH, 1:1.13, (1-3) : (6-4) | Availability – | Status Activei| Production is active. Expected lifetime: >10 years. | Inductance86 µH | Turns Ratio1:1.13 | Turns Ratio(1-3) : (6-4) | DC Resistance 155 mΩ | DC Resistance 255 mΩ | DC Resistance 360 mΩ | DC Resistance 460 mΩ | Voltage-µSecond9.5 Vµs | Leakage Inductance600 nH | Insulation Test Voltage2500 V (AC) | Output Voltage 15 V | Input Voltage5 V | Output Current 1750 mA | Design Kit | –Check availability | |
78931812512 | SPEC86 µH, 1:2.5, (1-3) : (6-4) | Availability – | Status Activei| Production is active. Expected lifetime: >10 years. | Inductance86 µH | Turns Ratio1:2.5 | Turns Ratio(1-3) : (6-4) | DC Resistance 160 mΩ | DC Resistance 260 mΩ | DC Resistance 3125 mΩ | DC Resistance 4125 mΩ | Voltage-µSecond9.5 Vµs | Leakage Inductance300 nH | Insulation Test Voltage2500 V (AC) | Output Voltage 112 V | Input Voltage5 V | Output Current 1310 mA | Design Kit | –Check availability | |
78931812515 | SPEC86 µH, 1:3.13, (1-3) : (6-4) | Availability – | Status Activei| Production is active. Expected lifetime: >10 years. | Inductance86 µH | Turns Ratio1:3.13 | Turns Ratio(1-3) : (6-4) | DC Resistance 160 mΩ | DC Resistance 260 mΩ | DC Resistance 3230 mΩ | DC Resistance 4230 mΩ | Voltage-µSecond9.5 Vµs | Leakage Inductance300 nH | Insulation Test Voltage2500 V (AC) | Output Voltage 115 V | Input Voltage5 V | Output Current 1250 mA | Design Kit | –Check availability | |
78931812518 | SPEC86 µH, 1:3.75, (1-3) : (6-4) | Availability – | Status Activei| Production is active. Expected lifetime: >10 years. | Inductance86 µH | Turns Ratio1:3.75 | Turns Ratio(1-3) : (6-4) | DC Resistance 160 mΩ | DC Resistance 260 mΩ | DC Resistance 3280 mΩ | DC Resistance 4280 mΩ | Voltage-µSecond9.5 Vµs | Leakage Inductance300 nH | Insulation Test Voltage2500 V (AC) | Output Voltage 118 V | Input Voltage5 V | Output Current 1210 mA | Design Kit | –Check availability | |
78931812523 | SPEC86 µH, 1:4.75, (1-3) : (6-4) | Availability – | Status Activei| Production is active. Expected lifetime: >10 years. | Inductance86 µH | Turns Ratio1:4.75 | Turns Ratio(1-3) : (6-4) | DC Resistance 165 mΩ | DC Resistance 265 mΩ | DC Resistance 3350 mΩ | DC Resistance 4350 mΩ | Voltage-µSecond9.5 Vµs | Leakage Inductance300 nH | Insulation Test Voltage2500 V (AC) | Output Voltage 123 V | Input Voltage5 V | Output Current 1165 mA | Design Kit | –Check availability | |
78931610505 | SPEC475 µH, 1:1.15, (1-3) : (6-4) | Availability – | Status Activei| Production is active. Expected lifetime: >10 years. | Inductance475 µH | Turns Ratio1:1.15 | Turns Ratio(1-3) : (6-4) | DC Resistance 1140 mΩ | DC Resistance 2140 mΩ | DC Resistance 3150 mΩ | DC Resistance 4150 mΩ | Voltage-µSecond11 Vµs | Leakage Inductance500 nH | Insulation Test Voltage2500 V (AC) | Output Voltage 15 V | Input Voltage5 V | Output Current 1350 mA | Design Kit | –Check availability | |
78931610512 | SPEC475 µH, 1:2.54, (1-3) : (6-4) | Availability – | Status Activei| Production is active. Expected lifetime: >10 years. | Inductance475 µH | Turns Ratio1:2.54 | Turns Ratio(1-3) : (6-4) | DC Resistance 1165 mΩ | DC Resistance 2165 mΩ | DC Resistance 3335 mΩ | DC Resistance 4335 mΩ | Voltage-µSecond11 Vµs | Leakage Inductance500 nH | Insulation Test Voltage2500 V (AC) | Output Voltage 112 V | Input Voltage5 V | Output Current 1150 mA | Design Kit | –Check availability | |
78931610515 | SPEC475 µH, 1:3.15, (1-3) : (6-4) | Availability – | Status Activei| Production is active. Expected lifetime: >10 years. | Inductance475 µH | Turns Ratio1:3.15 | Turns Ratio(1-3) : (6-4) | DC Resistance 1155 mΩ | DC Resistance 2155 mΩ | DC Resistance 3635 mΩ | DC Resistance 4635 mΩ | Voltage-µSecond11 Vµs | Leakage Inductance500 nH | Insulation Test Voltage2500 V (AC) | Output Voltage 115 V | Input Voltage5 V | Output Current 1115 mA | Design Kit | –Check availability | |
78931610518 | SPEC475 µH, 1:3.77, (1-3) : (6-4) | Availability – | Status Activei| Production is active. Expected lifetime: >10 years. | Inductance475 µH | Turns Ratio1:3.77 | Turns Ratio(1-3) : (6-4) | DC Resistance 1160 mΩ | DC Resistance 2160 mΩ | DC Resistance 3775 mΩ | DC Resistance 4775 mΩ | Voltage-µSecond11 Vµs | Leakage Inductance500 nH | Insulation Test Voltage2500 V (AC) | Output Voltage 118 V | Input Voltage5 V | Output Current 1100 mA | Design Kit | –Check availability | |
78931610305 | SPEC475 µH, 1:1.69, (1-3) : (6-4) | Availability – | Status Activei| Production is active. Expected lifetime: >10 years. | Inductance475 µH | Turns Ratio1:1.69 | Turns Ratio(1-3) : (6-4) | DC Resistance 1145 mΩ | DC Resistance 2145 mΩ | DC Resistance 3225 mΩ | DC Resistance 4225 mΩ | Voltage-µSecond11 Vµs | Leakage Inductance600 nH | Insulation Test Voltage2500 V (AC) | Output Voltage 15 V | Input Voltage3.3 V | Output Current 1350 mA | Design Kit – | –Check availability | |
78931610306 | SPEC475 µH, 1:2, (1-3) : (6-4) | Availability – | Status Activei| Production is active. Expected lifetime: >10 years. | Inductance475 µH | Turns Ratio1:2 | Turns Ratio(1-3) : (6-4) | DC Resistance 1145 mΩ | DC Resistance 2145 mΩ | DC Resistance 3270 mΩ | DC Resistance 4270 mΩ | Voltage-µSecond11 Vµs | Leakage Inductance500 nH | Insulation Test Voltage2500 V (AC) | Output Voltage 15 V | Input Voltage3.3 V | Output Current 1350 mA | Design Kit – | –Check availability | |
78931610503 | SPEC475 µH, 1:1.23, (1-3) : (6-4) | Availability – | Status Activei| Production is active. Expected lifetime: >10 years. | Inductance475 µH | Turns Ratio1:1.23 | Turns Ratio(1-3) : (6-4) | DC Resistance 1135 mΩ | DC Resistance 2135 mΩ | DC Resistance 3155 mΩ | DC Resistance 4155 mΩ | Voltage-µSecond11 Vµs | Leakage Inductance500 nH | Insulation Test Voltage2500 V (AC) | Output Voltage 13.3 V | Input Voltage5 V | Output Current 1350 mA | Design Kit – | –Check availability | |
78931610506 | SPEC475 µH, 1:1.31, (1-3) : (6-4) | Availability – | Status Activei| Production is active. Expected lifetime: >10 years. | Inductance475 µH | Turns Ratio1:1.31 | Turns Ratio(1-3) : (6-4) | DC Resistance 1135 mΩ | DC Resistance 2135 mΩ | DC Resistance 3160 mΩ | DC Resistance 4160 mΩ | Voltage-µSecond11 Vµs | Leakage Inductance500 nH | Insulation Test Voltage2500 V (AC) | Output Voltage 15 V | Input Voltage5 V | Output Current 1350 mA | Design Kit – | –Check availability |
Availability Forecast
WE item number Packaging unitsLead time
––– weeks
| Expected Availability | Opening inventory | Quantity |
|---|---|---|
| Current Availability | – | – |
There is no forecast for this quantity request.
Does it just not fit? Please contact us.Simply contact our service team for special orders and bulk quantities.Contact us
WE-PSPA
PUSH PULL & GATE DRIVE TRANSFORMER
WE-PSPA
PUSH PULL & GATE DRIVE TRANSFORMER
WE-PSPA is a small sized power transformer specially designed for Push-Pull and Gate Drive applications.
- Space reduction due to its low profile.
- Suitable for a great variety of applications thanks to its different turn ratios.
- Perfectly reliable for automotive applications because of its automated manufacturing process.

An important parameter of the Push Pull and Gate Drive Transformer is the product of time and voltage, until the core saturates. The voltage-time product V- t (unit: volt-second) is calculated of the inductance L and the saturation current Isat. When selecting a transformer, you should ensure, that enough volt-seconds are available, depending on the frequency and pulse bandwidth of the application.

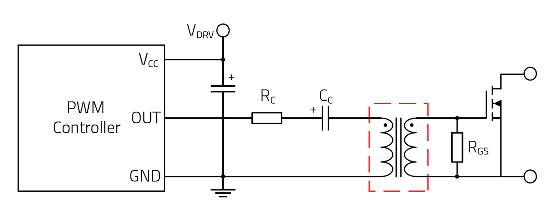
Simplified Gate Drive Transformer Circuit

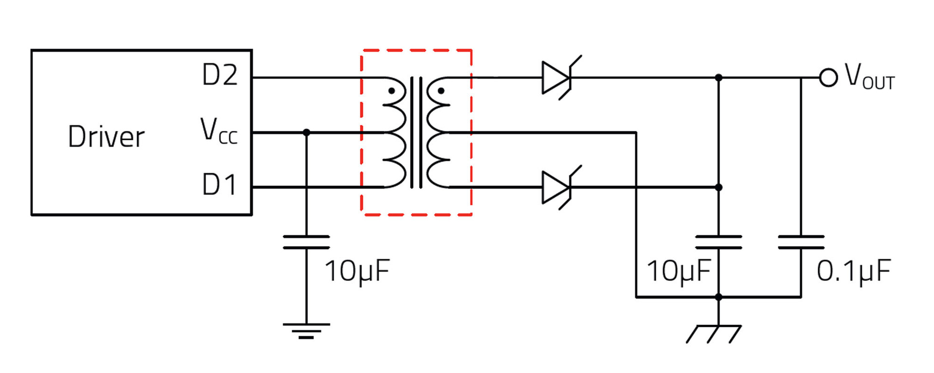
Simplified Push Pull Application
Assortments
Articles from this product series can be found in the following assortments:



