Merkmale
- SMT und THT Modelle
- Hermetisch verschlossene Gehäuse
- Frequenzen zwischen 1.8432 MHz und 50 MHz
- Toleranzen bis zu ±10 ppm erhältlich
- Maximaler Betriebstemperaturbereich: -40 °C bis 125 °C
- Stabilitäten bis zu ±10 ppm erhältlich
Anwendung
- Mikroprozessor
- Drahtlose Kommunikation
- Industriegeräte
- Drahtgebundene Kommunikation (z.B. Ethernet und USB)
- IoT
- Optische Netzwerke
- Audio- und Multimediageräte
- Prüf- und Messgeräte
- Navigation und Lokalisierung
- Wearables
Artikeldaten
Alle
IQXC-240
IQXC-26
IQXC-42
CFPX-218
CFPX-180
CFPX-104
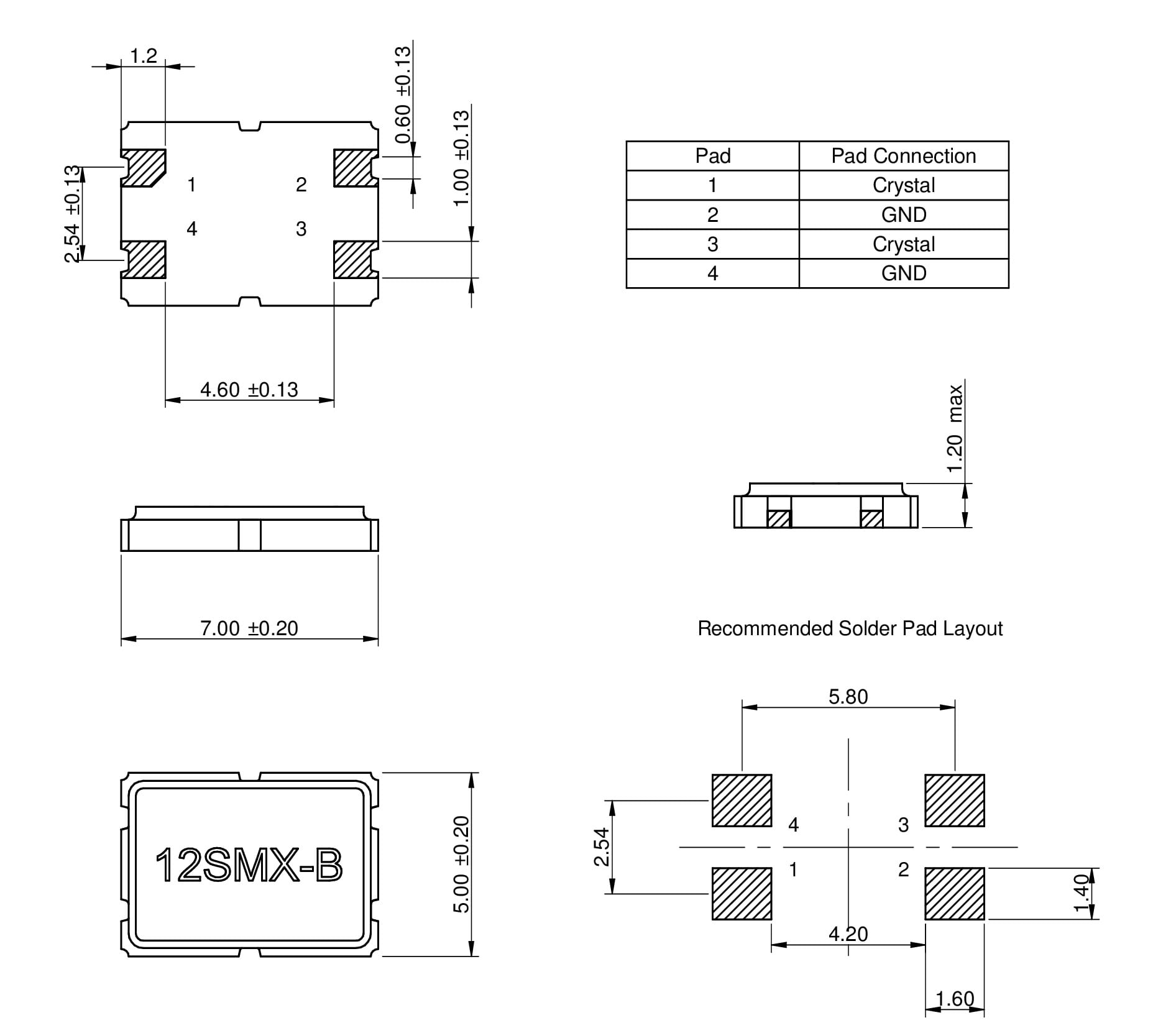
12SMX
HC49
HC49/4H
HC49/4HSMX
| Artikel Nr. | Datenblatt | Simulation | Downloads | Status | Anwendung | f | Tol. f | Stabilität (ppm) | Cload (pF) | Betriebstemperatur | Design Kit | Muster | |
|---|---|---|---|---|---|---|---|---|---|---|---|---|---|
![]() | 830059627 | SPEC | 6 Dateien | Aktiv i| Produktion ist aktiv. Erwartete Lebenszeit: >10 Jahre. | 3G/4G/5G, Audio, Small Cell, UART | 38.4 MHz | ±15ppm | 30 | 10 | -40 °C up to +85 °C | 830002 830004 | ||
![]() | 830108213109 | SPEC | 6 Dateien | Aktiv i| Produktion ist aktiv. Erwartete Lebenszeit: >10 Jahre. | 3G/4G/5G, Audio, Small Cell, UART | 38.4 MHz | ±10ppm | 15 | 8 | -40 °C up to +85 °C | – | ||
![]() | 830108246809 | SPEC | 6 Dateien | Aktiv i| Produktion ist aktiv. Erwartete Lebenszeit: >10 Jahre. | 3G/4G/5G, Audio, Small Cell, UART | 38.4 MHz | ±10ppm | 15 | 10 | -40 °C up to +85 °C | – | ||
![]() | 830108131601 | SPEC | 5 Dateien | Aktiv i| Produktion ist aktiv. Erwartete Lebenszeit: >10 Jahre. | 3G/4G/5G, Audio, Small Cell, UART | 38.4 MHz | ±7ppm | 15 | 5 | -30 °C up to +85 °C | 830002 830004 | ||
![]() | 830003134B | SPEC | 6 Dateien | Aktiv i| Produktion ist aktiv. Erwartete Lebenszeit: >10 Jahre. | Audio, UART | 6.144 MHz | ±20ppm | 50 | 30 | -10 °C up to +60 °C | – | ||
![]() | 830003137B | SPEC | 6 Dateien | Aktiv i| Produktion ist aktiv. Erwartete Lebenszeit: >10 Jahre. | Audio, UART | 6.144 MHz | ±30ppm | 50 | 30 | -10 °C up to +60 °C | 830003 | ||
![]() | 830003271B | SPEC | 6 Dateien | Aktiv i| Produktion ist aktiv. Erwartete Lebenszeit: >10 Jahre. | Audio | 8.192 MHz | ±30ppm | 50 | 30 | -10 °C up to +60 °C | – | ||
![]() | 830026902 | SPEC | 6 Dateien | Aktiv i| Produktion ist aktiv. Erwartete Lebenszeit: >10 Jahre. | Audio | 8.192 MHz | ±20ppm | 50 | 16 | -10 °C up to +60 °C | – | ||
![]() | 830035503 | SPEC | 6 Dateien | Aktiv i| Produktion ist aktiv. Erwartete Lebenszeit: >10 Jahre. | Audio, GPS | 16.384 MHz | ±50ppm | 50 | 16 | -10 °C up to +60 °C | 830002 | ||
![]() | 830059528 | SPEC | 6 Dateien | Aktiv i| Produktion ist aktiv. Erwartete Lebenszeit: >10 Jahre. | Audio, GPS | 16.384 MHz | ±20ppm | 30 | 18 | -40 °C up to +85 °C | – | ||
![]() | 830061486 | SPEC | 6 Dateien | Aktiv i| Produktion ist aktiv. Erwartete Lebenszeit: >10 Jahre. | Audio | 8.192 MHz | ±30ppm | 50 | 10 | -40 °C up to +85 °C | – | ||
![]() | 830063075 | SPEC | 6 Dateien | Aktiv i| Produktion ist aktiv. Erwartete Lebenszeit: >10 Jahre. | Audio, USB | 17.2032 MHz | ±30ppm | 50 | 22 | -40 °C up to +85 °C | – | ||
![]() | 830069395 | SPEC | 6 Dateien | Aktiv i| Produktion ist aktiv. Erwartete Lebenszeit: >10 Jahre. | Audio, GPS | 16.384 MHz | ±20ppm | 20 | 10 | -40 °C up to +85 °C | 830002 | ||
![]() | 830105961509 | SPEC | 6 Dateien | Aktiv i| Produktion ist aktiv. Erwartete Lebenszeit: >10 Jahre. | Audio, GPS | 16.384 MHz | ±20ppm | 30 | 18 | -40 °C up to +85 °C | – | ||
![]() | 830003068B | SPEC | 6 Dateien | Aktiv i| Produktion ist aktiv. Erwartete Lebenszeit: >10 Jahre. | CAN, Processor | 4 MHz | ±20ppm | 50 | 30 | -10 °C up to +60 °C | – | ||
![]() | 830003071 | SPEC | 6 Dateien | Aktiv i| Produktion ist aktiv. Erwartete Lebenszeit: >10 Jahre. | CAN, Processor | 4 MHz | ±30ppm | 50 | 16 | -10 °C up to +60 °C | 830003 | ||
![]() | 830003074B | SPEC | 6 Dateien | Aktiv i| Produktion ist aktiv. Erwartete Lebenszeit: >10 Jahre. | CAN, Processor | 4 MHz | ±20ppm | 50 | 30 | -10 °C up to +60 °C | 830003 | ||
![]() | 830011300 | SPEC | 6 Dateien | Aktiv i| Produktion ist aktiv. Erwartete Lebenszeit: >10 Jahre. | CAN, Processor | 4 MHz | ±30ppm | 50 | 30 | -10 °C up to +60 °C | 830003 | ||
![]() | 830024940 | SPEC | 6 Dateien | Aktiv i| Produktion ist aktiv. Erwartete Lebenszeit: >10 Jahre. | CAN, Processor | 4 MHz | ±30ppm | 50 | 18 | -20 °C up to +70 °C | – | ||
![]() | 830027298B | SPEC | 6 Dateien | Aktiv i| Produktion ist aktiv. Erwartete Lebenszeit: >10 Jahre. | CAN, Processor | 4 MHz | ±30ppm | 50 | 18 | -20 °C up to +70 °C | 830003 | ||
![]() | 830034654 | SPEC | 6 Dateien | Aktiv i| Produktion ist aktiv. Erwartete Lebenszeit: >10 Jahre. | CAN, Processor | 4 MHz | ±20ppm | 50 | 18 | -20 °C up to +70 °C | – | ||
![]() | 830050991 | SPEC | 6 Dateien | Aktiv i| Produktion ist aktiv. Erwartete Lebenszeit: >10 Jahre. | CAN, Bluetooth, GPS, Small Cell | 26 MHz | ±20ppm | 20 | 10 | -40 °C up to +85 °C | 830002 | ||
![]() | 830059591 | SPEC | 6 Dateien | Aktiv i| Produktion ist aktiv. Erwartete Lebenszeit: >10 Jahre. | CAN, Bluetooth, GPS, Small Cell | 26 MHz | ±15ppm | 20 | 10 | -40 °C up to +85 °C | 830002 | ||
![]() | 830059643 | SPEC | 6 Dateien | Aktiv i| Produktion ist aktiv. Erwartete Lebenszeit: >10 Jahre. | CAN, Bluetooth, GPS, Small Cell | 26 MHz | ±20ppm | 30 | 18 | -40 °C up to +85 °C | 830002 | ||
![]() | 830072404 | SPEC | 6 Dateien | Aktiv i| Produktion ist aktiv. Erwartete Lebenszeit: >10 Jahre. | CAN, Bluetooth, GPS, Small Cell | 26 MHz | ±20ppm | 30 | 18 | -40 °C up to +85 °C | 830002 | ||
![]() | 830066742 | SPEC | 6 Dateien | Aktiv i| Produktion ist aktiv. Erwartete Lebenszeit: >10 Jahre. | CAN, Bluetooth, GPS, Small Cell | 26 MHz | ±15ppm | 15 | 8 | -20 °C up to +70 °C | 830002 | ||
![]() | 830108161401 | SPEC | 6 Dateien | Aktiv i| Produktion ist aktiv. Erwartete Lebenszeit: >10 Jahre. | CAN, Bluetooth, GPS, Small Cell | 26 MHz | ±10ppm | 20 | 8 | -40 °C up to +85 °C | – | ||
![]() | 830108186509 | SPEC | 6 Dateien | Aktiv i| Produktion ist aktiv. Erwartete Lebenszeit: >10 Jahre. | CAN, Bluetooth, GPS, Small Cell | 26 MHz | ±10ppm | 10 | 10 | -20 °C up to +70 °C | – | ||
![]() | 830108212609 | SPEC | 6 Dateien | Aktiv i| Produktion ist aktiv. Erwartete Lebenszeit: >10 Jahre. | CAN, Bluetooth, GPS, Small Cell | 26 MHz | ±10ppm | 15 | 8 | -40 °C up to +85 °C | 830004 | ||
![]() | 830108340909 | SPEC | 6 Dateien | Aktiv i| Produktion ist aktiv. Erwartete Lebenszeit: >10 Jahre. | CAN, Bluetooth, GPS, Small Cell | 26 MHz | ±10ppm | 20 | 12 | -40 °C up to +105 °C | 830004 | ||
![]() | 830014948B | SPEC | 6 Dateien | Aktiv i| Produktion ist aktiv. Erwartete Lebenszeit: >10 Jahre. | NFC, RFID | 27.12 MHz | ±30ppm | 50 | – | -10 °C up to +60 °C | – | ||
![]() | 830053099 | SPEC | 6 Dateien | Aktiv i| Produktion ist aktiv. Erwartete Lebenszeit: >10 Jahre. | NFC, RFID | 27.12 MHz | ±10ppm | 10 | 10 | -20 °C up to +70 °C | 830002 830004 | ||
![]() | 830106246109 | SPEC | 6 Dateien | Aktiv i| Produktion ist aktiv. Erwartete Lebenszeit: >10 Jahre. | NFC, RFID | 27.12 MHz | ±10ppm | 20 | 10 | -40 °C up to +85 °C | – | ||
![]() | 830108212709 | SPEC | 6 Dateien | Aktiv i| Produktion ist aktiv. Erwartete Lebenszeit: >10 Jahre. | NFC, RFID | 27.12 MHz | ±10ppm | 15 | 8 | -40 °C up to +85 °C | 830004 | ||
![]() | 830003033B | SPEC | 6 Dateien | Aktiv i| Produktion ist aktiv. Erwartete Lebenszeit: >10 Jahre. | Processor, UART | 1.8432 MHz | ±20ppm | 50 | 30 | -10 °C up to +60 °C | 830003 | ||
![]() | 830003037B | SPEC | 6 Dateien | Aktiv i| Produktion ist aktiv. Erwartete Lebenszeit: >10 Jahre. | Processor | 2 MHz | ±50ppm | 100 | 20 | 0 °C up to +50 °C | – | ||
![]() | 830003056B | SPEC | 6 Dateien | Aktiv i| Produktion ist aktiv. Erwartete Lebenszeit: >10 Jahre. | Processor | 3.579545 MHz | ±20ppm | 50 | 20 | -10 °C up to +60 °C | – | ||
![]() | 830003058 | SPEC | 6 Dateien | Aktiv i| Produktion ist aktiv. Erwartete Lebenszeit: >10 Jahre. | Processor | 3.579545 MHz | ±30ppm | 50 | 16 | -10 °C up to +60 °C | 830003 | ||
![]() | 830003063B | SPEC | 6 Dateien | Aktiv i| Produktion ist aktiv. Erwartete Lebenszeit: >10 Jahre. | Processor | 3.579545 MHz | ±30ppm | 50 | 20 | -20 °C up to +70 °C | 830003 | ||
![]() | 830003084B | SPEC | 6 Dateien | Aktiv i| Produktion ist aktiv. Erwartete Lebenszeit: >10 Jahre. | Processor | 4.096 MHz | ±30ppm | 50 | 30 | -10 °C up to +60 °C | – | ||
![]() | 830003099B | SPEC | 6 Dateien | Aktiv i| Produktion ist aktiv. Erwartete Lebenszeit: >10 Jahre. | Processor | 4.433619 MHz | ±20ppm | 30 | 20 | -10 °C up to +60 °C | – | ||
![]() | 830003102B | SPEC | 6 Dateien | Aktiv i| Produktion ist aktiv. Erwartete Lebenszeit: >10 Jahre. | Processor | 4.433619 MHz | ±30ppm | 50 | 20 | -10 °C up to +60 °C | – | ||
![]() | 830003119B | SPEC | 6 Dateien | Aktiv i| Produktion ist aktiv. Erwartete Lebenszeit: >10 Jahre. | Processor | 5 MHz | ±30ppm | 50 | 30 | -10 °C up to +60 °C | 830003 | ||
![]() | 830003127B | SPEC | 6 Dateien | Aktiv i| Produktion ist aktiv. Erwartete Lebenszeit: >10 Jahre. | Processor, USB | 6 MHz | ±20ppm | 50 | 30 | -10 °C up to +60 °C | – | ||
![]() | 830003132B | SPEC | 6 Dateien | Aktiv i| Produktion ist aktiv. Erwartete Lebenszeit: >10 Jahre. | Processor, USB | 6 MHz | ±30ppm | 50 | 30 | -10 °C up to +60 °C | 830003 | ||
![]() | 830003147B | SPEC | 6 Dateien | Aktiv i| Produktion ist aktiv. Erwartete Lebenszeit: >10 Jahre. | Processor, UART | 8 MHz | ±20ppm | 50 | 30 | -10 °C up to +60 °C | – | ||
![]() | 830003151 | SPEC | 6 Dateien | Aktiv i| Produktion ist aktiv. Erwartete Lebenszeit: >10 Jahre. | Processor, UART | 8 MHz | ±30ppm | 50 | 16 | -10 °C up to +60 °C | 830003 | ||
![]() | 830003156B | SPEC | 6 Dateien | Aktiv i| Produktion ist aktiv. Erwartete Lebenszeit: >10 Jahre. | Processor, UART | 8 MHz | ±30ppm | 50 | 30 | -20 °C up to +70 °C | 830003 | ||
![]() | 830003164B | SPEC | 6 Dateien | Aktiv i| Produktion ist aktiv. Erwartete Lebenszeit: >10 Jahre. | Processor, Ethernet | 10 MHz | ±20ppm | 50 | 30 | -10 °C up to +60 °C | – | ||
![]() | 830003166 | SPEC | 6 Dateien | Aktiv i| Produktion ist aktiv. Erwartete Lebenszeit: >10 Jahre. | Processor, Ethernet | 10 MHz | ±30ppm | 50 | 16 | -10 °C up to +60 °C | 830003 | ||
![]() | 830003169B | SPEC | 6 Dateien | Aktiv i| Produktion ist aktiv. Erwartete Lebenszeit: >10 Jahre. | Processor, Ethernet | 10 MHz | ±30ppm | 50 | 30 | -20 °C up to +70 °C | 830003 | ||
![]() | 830003177B | SPEC | 6 Dateien | Aktiv i| Produktion ist aktiv. Erwartete Lebenszeit: >10 Jahre. | Processor, CAN, USB, Ethernet, Wi-Fi | 20 MHz | ±20ppm | 50 | 30 | -10 °C up to +60 °C | – | ||
![]() | 830003179B | SPEC | 6 Dateien | Aktiv i| Produktion ist aktiv. Erwartete Lebenszeit: >10 Jahre. | Processor, CAN, USB, Ethernet, Wi-Fi | 20 MHz | ±20ppm | 30 | – | -10 °C up to +60 °C | – | ||
![]() | 830003181 | SPEC | 6 Dateien | Aktiv i| Produktion ist aktiv. Erwartete Lebenszeit: >10 Jahre. | Processor, CAN, USB, Ethernet, Wi-Fi | 20 MHz | ±30ppm | 50 | 16 | -10 °C up to +60 °C | 830003 | ||
![]() | 830003185B | SPEC | 6 Dateien | Aktiv i| Produktion ist aktiv. Erwartete Lebenszeit: >10 Jahre. | Processor, CAN, USB, Ethernet, Wi-Fi | 20 MHz | ±30ppm | 50 | 12 | -20 °C up to +70 °C | 830003 | ||
![]() | 830003186B | SPEC | 6 Dateien | Aktiv i| Produktion ist aktiv. Erwartete Lebenszeit: >10 Jahre. | Processor, CAN, USB, Ethernet, Wi-Fi | 20 MHz | ±30ppm | 50 | 20 | -10 °C up to +60 °C | – | ||
![]() | 830003200B | SPEC | 6 Dateien | Aktiv i| Produktion ist aktiv. Erwartete Lebenszeit: >10 Jahre. | Processor | 14.31818 MHz | ±30ppm | 50 | 30 | -20 °C up to +70 °C | – | ||
![]() | 830003206B | SPEC | 6 Dateien | Aktiv i| Produktion ist aktiv. Erwartete Lebenszeit: >10 Jahre. | Processor, USB, CAN | 12 MHz | ±20ppm | 30 | 30 | -10 °C up to +60 °C | – | ||
![]() | 830003210 | SPEC | 6 Dateien | Aktiv i| Produktion ist aktiv. Erwartete Lebenszeit: >10 Jahre. | Processor, USB, CAN | 12 MHz | ±30ppm | 50 | 16 | -10 °C up to +60 °C | 830003 830004 | ||
![]() | 830003215B | SPEC | 6 Dateien | Aktiv i| Produktion ist aktiv. Erwartete Lebenszeit: >10 Jahre. | Processor, USB, CAN | 12 MHz | ±30ppm | 50 | 30 | -20 °C up to +70 °C | 830003 | ||
![]() | 830003231B | SPEC | 6 Dateien | Aktiv i| Produktion ist aktiv. Erwartete Lebenszeit: >10 Jahre. | Processor, CAN, Bluetooth | 16 MHz | ±20ppm | 30 | 30 | -10 °C up to +60 °C | – | ||
![]() | 830003237 | SPEC | 6 Dateien | Aktiv i| Produktion ist aktiv. Erwartete Lebenszeit: >10 Jahre. | Processor, CAN, Bluetooth | 16 MHz | ±30ppm | 50 | 16 | -10 °C up to +60 °C | 830003 | ||
![]() | 830003240B | SPEC | 6 Dateien | Aktiv i| Produktion ist aktiv. Erwartete Lebenszeit: >10 Jahre. | Processor, CAN, Bluetooth | 16 MHz | ±30ppm | 50 | 30 | -20 °C up to +70 °C | 830003 | ||
![]() | 830003257B | SPEC | 6 Dateien | Aktiv i| Produktion ist aktiv. Erwartete Lebenszeit: >10 Jahre. | Processor, UART | 3.6864 MHz | ±20ppm | 50 | 30 | -10 °C up to +60 °C | – | ||
![]() | 830003260 | SPEC | 6 Dateien | Aktiv i| Produktion ist aktiv. Erwartete Lebenszeit: >10 Jahre. | Processor, UART | 3.6864 MHz | ±30ppm | 50 | 16 | -10 °C up to +60 °C | 830003 | ||
![]() | 830003263B | SPEC | 6 Dateien | Aktiv i| Produktion ist aktiv. Erwartete Lebenszeit: >10 Jahre. | Processor, UART | 3.6864 MHz | ±30ppm | 50 | 30 | -20 °C up to +70 °C | 830003 | ||
![]() | 830003298B | SPEC | 6 Dateien | Aktiv i| Produktion ist aktiv. Erwartete Lebenszeit: >10 Jahre. | Processor | 17.73447 MHz | ±20ppm | 30 | 30 | -10 °C up to +60 °C | – | ||
![]() | 830003325B | SPEC | 6 Dateien | Aktiv i| Produktion ist aktiv. Erwartete Lebenszeit: >10 Jahre. | Processor, USB, Bluetooth | 24 MHz | ±30ppm | 50 | 30 | -10 °C up to +60 °C | 830003 | ||
![]() | 830003327B | SPEC | 6 Dateien | Aktiv i| Produktion ist aktiv. Erwartete Lebenszeit: >10 Jahre. | Processor | 11 MHz | ±20ppm | 30 | 30 | -10 °C up to +60 °C | – | ||
![]() | 830003329B | SPEC | 6 Dateien | Aktiv i| Produktion ist aktiv. Erwartete Lebenszeit: >10 Jahre. | Processor, UART | 7.3728 MHz | ±20ppm | 50 | 30 | -10 °C up to +60 °C | – | ||
![]() | 830003334 | SPEC | 6 Dateien | Aktiv i| Produktion ist aktiv. Erwartete Lebenszeit: >10 Jahre. | Processor, UART | 7.3728 MHz | ±30ppm | 50 | 16 | -10 °C up to +60 °C | 830003 | ||
![]() | 830003335B | SPEC | 6 Dateien | Aktiv i| Produktion ist aktiv. Erwartete Lebenszeit: >10 Jahre. | Processor, UART | 7.3728 MHz | ±30ppm | 50 | 30 | -10 °C up to +60 °C | – | ||
![]() | 830003336B | SPEC | 6 Dateien | Aktiv i| Produktion ist aktiv. Erwartete Lebenszeit: >10 Jahre. | Processor, UART | 7.3728 MHz | ±15ppm | 30 | 18 | -10 °C up to +60 °C | 830003 | ||
![]() | 830003342B | SPEC | 6 Dateien | Aktiv i| Produktion ist aktiv. Erwartete Lebenszeit: >10 Jahre. | Processor, USB | 30 MHz | ±20ppm | 50 | – | -10 °C up to +60 °C | – | ||
![]() | 830003515B | SPEC | 6 Dateien | Aktiv i| Produktion ist aktiv. Erwartete Lebenszeit: >10 Jahre. | Processor, UART | 11.0592 MHz | ±20ppm | 30 | 20 | -10 °C up to +60 °C | – | ||
![]() | 830003519 | SPEC | 6 Dateien | Aktiv i| Produktion ist aktiv. Erwartete Lebenszeit: >10 Jahre. | Processor, UART | 11.0592 MHz | ±30ppm | 50 | 16 | -10 °C up to +60 °C | 830003 | ||
![]() | 830003523B | SPEC | 6 Dateien | Aktiv i| Produktion ist aktiv. Erwartete Lebenszeit: >10 Jahre. | Processor, UART | 11.0592 MHz | ±30ppm | 50 | 30 | -20 °C up to +70 °C | 830003 | ||
![]() | 830010043 | SPEC | 6 Dateien | Aktiv i| Produktion ist aktiv. Erwartete Lebenszeit: >10 Jahre. | Processor, USB, CAN | 12 MHz | ±30ppm | 50 | 30 | -10 °C up to +60 °C | – | ||
![]() | 830010595 | SPEC | 6 Dateien | Aktiv i| Produktion ist aktiv. Erwartete Lebenszeit: >10 Jahre. | Processor, USB, 3G/4G/5G, Ethernet, Small Cell, PHY, PCI Express | 25 MHz | ±30ppm | 50 | 16 | -10 °C up to +60 °C | 830003 | ||
![]() | 830010689 | SPEC | 6 Dateien | Aktiv i| Produktion ist aktiv. Erwartete Lebenszeit: >10 Jahre. | Processor, UART | 7.3728 MHz | ±30ppm | 50 | 30 | -10 °C up to +60 °C | 830003 | ||
![]() | 830011263 | SPEC | 6 Dateien | Aktiv i| Produktion ist aktiv. Erwartete Lebenszeit: >10 Jahre. | Processor, CAN, Bluetooth | 16 MHz | ±30ppm | 50 | 30 | -10 °C up to +60 °C | – | ||
![]() | 830011301 | SPEC | 6 Dateien | Aktiv i| Produktion ist aktiv. Erwartete Lebenszeit: >10 Jahre. | Processor, UART | 8 MHz | ±30ppm | 50 | 30 | -10 °C up to +60 °C | 830003 | ||
![]() | 830012312 | SPEC | 6 Dateien | Aktiv i| Produktion ist aktiv. Erwartete Lebenszeit: >10 Jahre. | Processor | 5 MHz | ±30ppm | 50 | 30 | -10 °C up to +60 °C | – | ||
![]() | 830012504 | SPEC | 6 Dateien | Aktiv i| Produktion ist aktiv. Erwartete Lebenszeit: >10 Jahre. | Processor, USB, Bluetooth | 24 MHz | ±30ppm | 50 | 16 | -10 °C up to +60 °C | 830003 | ||
![]() | 830015055 | SPEC | 6 Dateien | Aktiv i| Produktion ist aktiv. Erwartete Lebenszeit: >10 Jahre. | Processor, CAN, Bluetooth | 16 MHz | ±30ppm | 50 | 20 | -10 °C up to +60 °C | – | ||
![]() | 830016788 | SPEC | 6 Dateien | Aktiv i| Produktion ist aktiv. Erwartete Lebenszeit: >10 Jahre. | Processor, USB | 6 MHz | ±30ppm | 50 | 30 | -10 °C up to +60 °C | 830003 | ||
![]() | 830017145 | SPEC | 6 Dateien | Aktiv i| Produktion ist aktiv. Erwartete Lebenszeit: >10 Jahre. | Processor, Ethernet | 10 MHz | ±30ppm | 50 | 30 | -10 °C up to +60 °C | 830003 | ||
![]() | 830017146 | SPEC | 6 Dateien | Aktiv i| Produktion ist aktiv. Erwartete Lebenszeit: >10 Jahre. | Processor, CAN, USB, Ethernet, Wi-Fi | 20 MHz | ±30ppm | 50 | 30 | -10 °C up to +60 °C | 830003 | ||
![]() | 830018496B | SPEC | 6 Dateien | Aktiv i| Produktion ist aktiv. Erwartete Lebenszeit: >10 Jahre. | Processor, UART | 11.0592 MHz | ±30ppm | 50 | 18 | -20 °C up to +70 °C | – | ||
![]() | 830020131 | SPEC | 6 Dateien | Aktiv i| Produktion ist aktiv. Erwartete Lebenszeit: >10 Jahre. | Processor, CAN, USB, Ethernet, Wi-Fi | 20 MHz | ±30ppm | 50 | 18 | -20 °C up to +70 °C | – | ||
![]() | 830020423 | SPEC | 6 Dateien | Aktiv i| Produktion ist aktiv. Erwartete Lebenszeit: >10 Jahre. | Processor, UART | 8 MHz | ±30ppm | 50 | 18 | -20 °C up to +70 °C | 830003 | ||
![]() | 830021675 | SPEC | 6 Dateien | Aktiv i| Produktion ist aktiv. Erwartete Lebenszeit: >10 Jahre. | Processor, Ethernet | 10 MHz | ±30ppm | 50 | 18 | -20 °C up to +70 °C | – | ||
![]() | 830024985B | SPEC | 6 Dateien | Aktiv i| Produktion ist aktiv. Erwartete Lebenszeit: >10 Jahre. | Processor | 3.2768 MHz | ±30ppm | 50 | 12 | -10 °C up to +60 °C | 830003 | ||
![]() | 830026380 | SPEC | 6 Dateien | Neu i| Produkt ist neu im Portfolio und Produktion ist aktiv. Erwartete Lebenszeit: >10 Jahre. | Processor, UART | 8 MHz | ±30ppm | 50 | 16 | -20 °C up to +70 °C | 830002 | ||
![]() | 830026382 | SPEC | 6 Dateien | Aktiv i| Produktion ist aktiv. Erwartete Lebenszeit: >10 Jahre. | Processor, UART | 11.0592 MHz | ±30ppm | 50 | 16 | -20 °C up to +70 °C | 830002 | ||
![]() | 830026384 | SPEC | 6 Dateien | Aktiv i| Produktion ist aktiv. Erwartete Lebenszeit: >10 Jahre. | Processor, USB, CAN | 12 MHz | ±30ppm | 50 | 16 | -20 °C up to +70 °C | 830002 | ||
![]() | 830026386 | SPEC | 6 Dateien | Aktiv i| Produktion ist aktiv. Erwartete Lebenszeit: >10 Jahre. | Processor | 14.31818 MHz | ±30ppm | 50 | 16 | -20 °C up to +70 °C | – | ||
![]() | 830026392 | SPEC | 6 Dateien | Aktiv i| Produktion ist aktiv. Erwartete Lebenszeit: >10 Jahre. | Processor, CAN, Bluetooth | 16 MHz | ±30ppm | 50 | 16 | -20 °C up to +70 °C | 830002 | ||
![]() | 830026394 | SPEC | 6 Dateien | Aktiv i| Produktion ist aktiv. Erwartete Lebenszeit: >10 Jahre. | Processor, CAN, USB, Ethernet, Wi-Fi | 20 MHz | ±30ppm | 50 | 16 | -20 °C up to +70 °C | 830002 | ||
![]() | 830026504 | SPEC | 6 Dateien | Aktiv i| Produktion ist aktiv. Erwartete Lebenszeit: >10 Jahre. | Processor, USB | 30 MHz | ±30ppm | 50 | 16 | -20 °C up to +70 °C | – | ||
![]() | 830026548 | SPEC | 6 Dateien | Aktiv i| Produktion ist aktiv. Erwartete Lebenszeit: >10 Jahre. | Processor, USB, Bluetooth | 24 MHz | ±30ppm | 50 | 18 | -20 °C up to +70 °C | – | ||
![]() | 830026900 | SPEC | 6 Dateien | Aktiv i| Produktion ist aktiv. Erwartete Lebenszeit: >10 Jahre. | Processor, USB | 6 MHz | ±20ppm | 50 | 16 | -10 °C up to +60 °C | 830003 | ||
![]() | 830027527 | SPEC | 6 Dateien | Aktiv i| Produktion ist aktiv. Erwartete Lebenszeit: >10 Jahre. | Processor | 7.175 MHz | ±50ppm | 100 | 16 | -55 °C up to +105 °C | – | ||
![]() | 830028430 | SPEC | 6 Dateien | Aktiv i| Produktion ist aktiv. Erwartete Lebenszeit: >10 Jahre. | Processor | 3.2768 MHz | ±30ppm | 30 | 18 | -20 °C up to +70 °C | – | ||
![]() | 830028710 | SPEC | 6 Dateien | Aktiv i| Produktion ist aktiv. Erwartete Lebenszeit: >10 Jahre. | Processor, CAN, USB, Ethernet, Wi-Fi | 20 MHz | ±30ppm | 50 | 18 | -40 °C up to +85 °C | – | ||
![]() | 830028928 | SPEC | 6 Dateien | Aktiv i| Produktion ist aktiv. Erwartete Lebenszeit: >10 Jahre. | Processor, UART | 11.0592 MHz | ±30ppm | 50 | 20 | -20 °C up to +70 °C | – | ||
![]() | 830029370 | SPEC | 6 Dateien | Aktiv i| Produktion ist aktiv. Erwartete Lebenszeit: >10 Jahre. | Processor, CAN, Bluetooth | 16 MHz | ±30ppm | 50 | 18 | -20 °C up to +70 °C | – | ||
![]() | 830029914 | SPEC | 6 Dateien | Aktiv i| Produktion ist aktiv. Erwartete Lebenszeit: >10 Jahre. | Processor, UART | 8 MHz | ±30ppm | 50 | 16 | -40 °C up to +85 °C | – | ||
![]() | 830030798 | SPEC | 6 Dateien | Aktiv i| Produktion ist aktiv. Erwartete Lebenszeit: >10 Jahre. | Processor, UART | 3.6864 MHz | ±30ppm | 50 | 16 | -40 °C up to +85 °C | 830004 | ||
![]() | 830030819 | SPEC | 6 Dateien | Aktiv i| Produktion ist aktiv. Erwartete Lebenszeit: >10 Jahre. | Processor, CAN, Bluetooth | 16 MHz | ±50ppm | 50 | 18 | -10 °C up to +60 °C | 830002 | ||
![]() | 830030820 | SPEC | 6 Dateien | Aktiv i| Produktion ist aktiv. Erwartete Lebenszeit: >10 Jahre. | Processor, USB | 30 MHz | ±50ppm | 50 | 18 | -10 °C up to +60 °C | – | ||
![]() | 830031646B | SPEC | 6 Dateien | Aktiv i| Produktion ist aktiv. Erwartete Lebenszeit: >10 Jahre. | Processor | 13 MHz | ±30ppm | 50 | 18 | -20 °C up to +70 °C | – | ||
![]() | 830032341B | SPEC | 6 Dateien | Aktiv i| Produktion ist aktiv. Erwartete Lebenszeit: >10 Jahre. | Processor, Ethernet | 10 MHz | ±30ppm | 50 | 18 | -20 °C up to +70 °C | – | ||
![]() | 830032817 | SPEC | 6 Dateien | Aktiv i| Produktion ist aktiv. Erwartete Lebenszeit: >10 Jahre. | Processor, USB, Bluetooth | 24 MHz | ±50ppm | 50 | 18 | -10 °C up to +60 °C | – | ||
![]() | 830032878 | SPEC | 6 Dateien | Aktiv i| Produktion ist aktiv. Erwartete Lebenszeit: >10 Jahre. | Processor, USB, CAN | 12 MHz | ±50ppm | 50 | 18 | -10 °C up to +60 °C | – | ||
![]() | 830033075 | SPEC | 6 Dateien | Aktiv i| Produktion ist aktiv. Erwartete Lebenszeit: >10 Jahre. | Processor, USB, 3G/4G/5G, Ethernet, Small Cell, PHY, PCI Express | 25 MHz | ±50ppm | 50 | 18 | -10 °C up to +60 °C | – | ||
![]() | 830033158 | SPEC | 6 Dateien | Aktiv i| Produktion ist aktiv. Erwartete Lebenszeit: >10 Jahre. | Processor, UART | 3.6864 MHz | ±30ppm | 50 | 18 | -20 °C up to +70 °C | – | ||
![]() | 830033580 | SPEC | 6 Dateien | Aktiv i| Produktion ist aktiv. Erwartete Lebenszeit: >10 Jahre. | Processor, USB, CAN | 12 MHz | ±30ppm | 50 | 18 | -20 °C up to +70 °C | – | ||
![]() | 830033643 | SPEC | 6 Dateien | Aktiv i| Produktion ist aktiv. Erwartete Lebenszeit: >10 Jahre. | Processor | 14.31818 MHz | ±50ppm | 50 | 18 | -10 °C up to +60 °C | 830002 | ||
![]() | 830033645 | SPEC | 6 Dateien | Aktiv i| Produktion ist aktiv. Erwartete Lebenszeit: >10 Jahre. | Processor, USB, 3G/4G/5G, CAN, Wi-Fi | 40 MHz | ±50ppm | 50 | 18 | -10 °C up to +60 °C | – | ||
![]() | 830034122 | SPEC | 6 Dateien | Aktiv i| Produktion ist aktiv. Erwartete Lebenszeit: >10 Jahre. | Processor, CAN, Bluetooth | 16 MHz | ±20ppm | 20 | 12 | -20 °C up to +70 °C | – | ||
![]() | 830034225 | SPEC | 6 Dateien | Aktiv i| Produktion ist aktiv. Erwartete Lebenszeit: >10 Jahre. | Processor, CAN, USB, Ethernet, Wi-Fi | 20 MHz | ±50ppm | 50 | 16 | -30 °C up to +80 °C | – | ||
![]() | 830035264 | SPEC | 6 Dateien | Aktiv i| Produktion ist aktiv. Erwartete Lebenszeit: >10 Jahre. | Processor, CAN, Bluetooth | 16 MHz | ±50ppm | 50 | 16 | -10 °C up to +60 °C | – | ||
![]() | 830035265 | SPEC | 6 Dateien | Aktiv i| Produktion ist aktiv. Erwartete Lebenszeit: >10 Jahre. | Processor, CAN, USB, Ethernet, Wi-Fi | 20 MHz | ±50ppm | 50 | 16 | -10 °C up to +60 °C | – | ||
![]() | 830035266 | SPEC | 6 Dateien | Aktiv i| Produktion ist aktiv. Erwartete Lebenszeit: >10 Jahre. | Processor, USB, Bluetooth | 24 MHz | ±50ppm | 50 | 16 | -10 °C up to +60 °C | – | ||
![]() | 830035268 | SPEC | 6 Dateien | Aktiv i| Produktion ist aktiv. Erwartete Lebenszeit: >10 Jahre. | Processor, USB, 3G/4G/5G, Ethernet, Small Cell, PHY, PCI Express | 25 MHz | ±50ppm | 50 | 16 | -10 °C up to +60 °C | 830002 | ||
![]() | 830035269 | SPEC | 6 Dateien | Aktiv i| Produktion ist aktiv. Erwartete Lebenszeit: >10 Jahre. | Processor, USB | 30 MHz | ±50ppm | 50 | 16 | -10 °C up to +60 °C | – | ||
![]() | 830035293 | SPEC | 6 Dateien | Aktiv i| Produktion ist aktiv. Erwartete Lebenszeit: >10 Jahre. | Processor, USB, CAN | 12 MHz | ±30ppm | 50 | 16 | -40 °C up to +85 °C | 830003 | ||
![]() | 830036034 | SPEC | 6 Dateien | Aktiv i| Produktion ist aktiv. Erwartete Lebenszeit: >10 Jahre. | Processor, CAN, Bluetooth | 16 MHz | ±30ppm | 50 | 16 | -40 °C up to +85 °C | 830004 | ||
![]() | 830036401 | SPEC | 6 Dateien | Aktiv i| Produktion ist aktiv. Erwartete Lebenszeit: >10 Jahre. | Processor, USB, CAN | 12 MHz | ±20ppm | 50 | 18 | -20 °C up to +70 °C | – | ||
![]() | 830036533 | SPEC | 6 Dateien | Aktiv i| Produktion ist aktiv. Erwartete Lebenszeit: >10 Jahre. | Processor, USB, Bluetooth | 24 MHz | ±30ppm | 50 | 18 | -40 °C up to +85 °C | 830003 | ||
![]() | 830050510 | SPEC | 6 Dateien | Aktiv i| Produktion ist aktiv. Erwartete Lebenszeit: >10 Jahre. | Processor, UART | 8 MHz | ±30ppm | 50 | 18 | -40 °C up to +85 °C | 830004 | ||
![]() | 830051068 | SPEC | 6 Dateien | Aktiv i| Produktion ist aktiv. Erwartete Lebenszeit: >10 Jahre. | Processor, USB, 3G/4G/5G, Ethernet, Small Cell, PHY, PCI Express | 25 MHz | ±10ppm | 10 | 9 | -20 °C up to +70 °C | – | ||
![]() | 830051235 | SPEC | 6 Dateien | Aktiv i| Produktion ist aktiv. Erwartete Lebenszeit: >10 Jahre. | Processor, CAN, Bluetooth | 16 MHz | ±30ppm | 50 | 18 | -40 °C up to +85 °C | – | ||
![]() | 830053798 | SPEC | 6 Dateien | Aktiv i| Produktion ist aktiv. Erwartete Lebenszeit: >10 Jahre. | Processor, USB, Bluetooth | 24 MHz | ±10ppm | 25 | 18 | -40 °C up to +85 °C | – | ||
![]() | 830054555 | SPEC | 6 Dateien | Aktiv i| Produktion ist aktiv. Erwartete Lebenszeit: >10 Jahre. | Processor, USB, 3G/4G/5G, Ethernet, Small Cell, PHY, PCI Express | 25 MHz | ±20ppm | 20 | 20 | -40 °C up to +85 °C | – | ||
![]() | 830055295 | SPEC | 6 Dateien | Aktiv i| Produktion ist aktiv. Erwartete Lebenszeit: >10 Jahre. | Processor, USB, CAN | 12 MHz | ±20ppm | 30 | 18 | -40 °C up to +85 °C | 830002 | ||
![]() | 830055299 | SPEC | 6 Dateien | Aktiv i| Produktion ist aktiv. Erwartete Lebenszeit: >10 Jahre. | Processor, USB, 3G/4G/5G, Ethernet, Small Cell, PHY, PCI Express | 25 MHz | ±20ppm | 30 | 18 | -40 °C up to +85 °C | 830002 830004 | ||
![]() | 830055474 | SPEC | 6 Dateien | Aktiv i| Produktion ist aktiv. Erwartete Lebenszeit: >10 Jahre. | Processor, USB, 3G/4G/5G, Ethernet, Small Cell, PHY, PCI Express | 25 MHz | ±50ppm | 50 | 16 | -40 °C up to +85 °C | – | ||
![]() | 830055663 | SPEC | 6 Dateien | Aktiv i| Produktion ist aktiv. Erwartete Lebenszeit: >10 Jahre. | Processor, UART | 8 MHz | ±20ppm | 30 | 18 | -40 °C up to +85 °C | 830002 830004 | ||
![]() | 830055901 | SPEC | 6 Dateien | Aktiv i| Produktion ist aktiv. Erwartete Lebenszeit: >10 Jahre. | Processor, UART | 8 MHz | ±20ppm | 50 | 18 | -20 °C up to +70 °C | – | ||
![]() | 830055951 | SPEC | 6 Dateien | Aktiv i| Produktion ist aktiv. Erwartete Lebenszeit: >10 Jahre. | Processor, CAN, Bluetooth | 16 MHz | ±20ppm | 30 | 18 | -40 °C up to +85 °C | 830002 830004 | ||
![]() | 830055962 | SPEC | 6 Dateien | Aktiv i| Produktion ist aktiv. Erwartete Lebenszeit: >10 Jahre. | Processor, USB | 30 MHz | ±10ppm | 10 | 12 | -10 °C up to +60 °C | – | ||
![]() | 830055999 | SPEC | 6 Dateien | Aktiv i| Produktion ist aktiv. Erwartete Lebenszeit: >10 Jahre. | Processor, USB, CAN | 12 MHz | ±30ppm | 30 | 18 | -40 °C up to +85 °C | 830004 | ||
![]() | 830056346 | SPEC | 6 Dateien | Aktiv i| Produktion ist aktiv. Erwartete Lebenszeit: >10 Jahre. | Processor, USB, CAN | 12 MHz | ±30ppm | 30 | 18 | -40 °C up to +85 °C | – | ||
![]() | 830056463 | SPEC | 6 Dateien | Aktiv i| Produktion ist aktiv. Erwartete Lebenszeit: >10 Jahre. | Processor, USB, 3G/4G/5G, Ethernet, Small Cell, PHY, PCI Express | 25 MHz | ±30ppm | 50 | 18 | -40 °C up to +85 °C | – | ||
![]() | 830056556 | SPEC | 6 Dateien | Aktiv i| Produktion ist aktiv. Erwartete Lebenszeit: >10 Jahre. | Processor | 12.5 MHz | ±50ppm | 50 | 18 | -40 °C up to +85 °C | – | ||
![]() | 830056583 | SPEC | 6 Dateien | Aktiv i| Produktion ist aktiv. Erwartete Lebenszeit: >10 Jahre. | Processor, Ethernet | 10 MHz | ±30ppm | 30 | 12 | -40 °C up to +85 °C | – | ||
![]() | 830056808 | SPEC | 6 Dateien | Aktiv i| Produktion ist aktiv. Erwartete Lebenszeit: >10 Jahre. | Processor, CAN, USB, Ethernet, Wi-Fi | 20 MHz | ±20ppm | 30 | 18 | -40 °C up to +85 °C | 830002 | ||
![]() | 830057824 | SPEC | 6 Dateien | Aktiv i| Produktion ist aktiv. Erwartete Lebenszeit: >10 Jahre. | Processor | 27 MHz | ±20ppm | 30 | 18 | -40 °C up to +85 °C | 830002 | ||
![]() | 830058124 | SPEC | 6 Dateien | Aktiv i| Produktion ist aktiv. Erwartete Lebenszeit: >10 Jahre. | Processor, USB, Bluetooth | 24 MHz | ±20ppm | 30 | 18 | -40 °C up to +85 °C | 830002 | ||
![]() | 830058149 | SPEC | 6 Dateien | Aktiv i| Produktion ist aktiv. Erwartete Lebenszeit: >10 Jahre. | Processor, USB, Bluetooth | 24 MHz | ±10ppm | 10 | 10 | -20 °C up to +70 °C | 830002 | ||
![]() | 830058383B | SPEC | 6 Dateien | Aktiv i| Produktion ist aktiv. Erwartete Lebenszeit: >10 Jahre. | Processor, CAN, Bluetooth | 16 MHz | ±30ppm | 50 | 20 | -40 °C up to +85 °C | – | ||
![]() | 830059082 | SPEC | 6 Dateien | Aktiv i| Produktion ist aktiv. Erwartete Lebenszeit: >10 Jahre. | Processor, UART | 8 MHz | ±20ppm | 50 | 10 | -20 °C up to +70 °C | – | ||
![]() | 830059477 | SPEC | 6 Dateien | Aktiv i| Produktion ist aktiv. Erwartete Lebenszeit: >10 Jahre. | Processor | 12.8 MHz | ±10ppm | 20 | 15 | -40 °C up to +85 °C | 830002 | ||
![]() | 830059522 | SPEC | 6 Dateien | Aktiv i| Produktion ist aktiv. Erwartete Lebenszeit: >10 Jahre. | Processor, USB, CAN | 12 MHz | ±20ppm | 30 | 18 | -40 °C up to +85 °C | 830002 | ||
![]() | 830059526 | SPEC | 6 Dateien | Aktiv i| Produktion ist aktiv. Erwartete Lebenszeit: >10 Jahre. | Processor | 14.31818 MHz | ±20ppm | 30 | 18 | -40 °C up to +85 °C | – | ||
![]() | 830059530 | SPEC | 6 Dateien | Aktiv i| Produktion ist aktiv. Erwartete Lebenszeit: >10 Jahre. | Processor, USB, Bluetooth | 24 MHz | ±20ppm | 30 | 18 | -40 °C up to +85 °C | 830002 | ||
![]() | 830059532 | SPEC | 6 Dateien | Aktiv i| Produktion ist aktiv. Erwartete Lebenszeit: >10 Jahre. | Processor, USB, 3G/4G/5G, Ethernet, Small Cell, PHY, PCI Express | 25 MHz | ±20ppm | 30 | 18 | -40 °C up to +85 °C | 830002 | ||
![]() | 830059535 | SPEC | 6 Dateien | Aktiv i| Produktion ist aktiv. Erwartete Lebenszeit: >10 Jahre. | Processor, Bluetooth | 32 MHz | ±20ppm | 30 | 18 | -40 °C up to +85 °C | 830002 | ||
![]() | 830059537 | SPEC | 6 Dateien | Aktiv i| Produktion ist aktiv. Erwartete Lebenszeit: >10 Jahre. | Processor, USB, 3G/4G/5G, CAN, Wi-Fi | 40 MHz | ±20ppm | 30 | 18 | -40 °C up to +85 °C | 830002 | ||
![]() | 830059539 | SPEC | 6 Dateien | Aktiv i| Produktion ist aktiv. Erwartete Lebenszeit: >10 Jahre. | Processor, USB, Wi-Fi | 48 MHz | ±20ppm | 30 | 18 | -40 °C up to +85 °C | 830002 | ||
![]() | 830059585 | SPEC | 6 Dateien | Aktiv i| Produktion ist aktiv. Erwartete Lebenszeit: >10 Jahre. | Processor, CAN, USB, Ethernet, Wi-Fi | 20 MHz | ±15ppm | 20 | 10 | -40 °C up to +85 °C | 830002 830004 | ||
![]() | 830059596 | SPEC | 6 Dateien | Aktiv i| Produktion ist aktiv. Erwartete Lebenszeit: >10 Jahre. | Processor, USB | 30 MHz | ±15ppm | 20 | 10 | -40 °C up to +85 °C | 830002 | ||
![]() | 830059597 | SPEC | 6 Dateien | Aktiv i| Produktion ist aktiv. Erwartete Lebenszeit: >10 Jahre. | Processor, Bluetooth | 32 MHz | ±15ppm | 20 | 10 | -40 °C up to +85 °C | 830002 | ||
![]() | 830059632 | SPEC | 6 Dateien | Aktiv i| Produktion ist aktiv. Erwartete Lebenszeit: >10 Jahre. | Processor, USB, 3G/4G/5G, CAN, Wi-Fi | 40 MHz | ±15ppm | 20 | 10 | -40 °C up to +85 °C | 830002 | ||
![]() | 830059638 | SPEC | 6 Dateien | Aktiv i| Produktion ist aktiv. Erwartete Lebenszeit: >10 Jahre. | Processor, CAN, USB, Ethernet, Wi-Fi | 20 MHz | ±20ppm | 30 | 18 | -40 °C up to +85 °C | 830002 | ||
![]() | 830059646 | SPEC | 6 Dateien | Aktiv i| Produktion ist aktiv. Erwartete Lebenszeit: >10 Jahre. | Processor, USB | 30 MHz | ±20ppm | 30 | 18 | -40 °C up to +85 °C | 830002 | ||
![]() | 830059648 | SPEC | 6 Dateien | Aktiv i| Produktion ist aktiv. Erwartete Lebenszeit: >10 Jahre. | Processor, USB, 3G/4G/5G, CAN, Wi-Fi | 40 MHz | ±20ppm | 30 | 18 | -40 °C up to +85 °C | 830002 | ||
![]() | 830059800 | SPEC | 6 Dateien | Aktiv i| Produktion ist aktiv. Erwartete Lebenszeit: >10 Jahre. | Processor, USB, 3G/4G/5G, Ethernet, Small Cell, PHY, PCI Express | 25 MHz | ±10ppm | 10 | 10 | -10 °C up to +60 °C | – | ||
![]() | 830060258 | SPEC | 6 Dateien | Aktiv i| Produktion ist aktiv. Erwartete Lebenszeit: >10 Jahre. | Processor, Bluetooth | 32 MHz | ±30ppm | 30 | 10 | -20 °C up to +70 °C | – | ||
![]() | 830060843 | SPEC | 6 Dateien | Aktiv i| Produktion ist aktiv. Erwartete Lebenszeit: >10 Jahre. | Processor, Ethernet, PCI Express, PHY | 50 MHz | ±25ppm | 25 | 10 | -20 °C up to +70 °C | 830002 | ||
![]() | 830061647 | SPEC | 6 Dateien | Aktiv i| Produktion ist aktiv. Erwartete Lebenszeit: >10 Jahre. | Processor, USB, CAN | 12 MHz | ±20ppm | 30 | 12 | -40 °C up to +85 °C | 830004 | ||
![]() | 830061677 | SPEC | 6 Dateien | Aktiv i| Produktion ist aktiv. Erwartete Lebenszeit: >10 Jahre. | Processor, Bluetooth | 32 MHz | ±20ppm | 30 | 12 | -40 °C up to +85 °C | – | ||
![]() | 830072604 | SPEC | 6 Dateien | Aktiv i| Produktion ist aktiv. Erwartete Lebenszeit: >10 Jahre. | Processor, USB, 3G/4G/5G, Ethernet, Small Cell, PHY, PCI Express | 25 MHz | ±10ppm | 20 | 8 | -40 °C up to +85 °C | 830002 | ||
![]() | 830061856 | SPEC | 6 Dateien | Aktiv i| Produktion ist aktiv. Erwartete Lebenszeit: >10 Jahre. | Processor, CAN, USB, Ethernet, Wi-Fi | 20 MHz | ±10ppm | 10 | 18 | -20 °C up to +70 °C | – | ||
![]() | 830072546 | SPEC | 6 Dateien | Aktiv i| Produktion ist aktiv. Erwartete Lebenszeit: >10 Jahre. | Processor, USB, Wi-Fi | 48 MHz | ±15ppm | 20 | 10 | -40 °C up to +85 °C | 830002 | ||
![]() | 830072543 | SPEC | 6 Dateien | Aktiv i| Produktion ist aktiv. Erwartete Lebenszeit: >10 Jahre. | Processor | 27 MHz | ±15ppm | 20 | 10 | -40 °C up to +85 °C | 830002 | ||
![]() | 830063321 | SPEC | 6 Dateien | Aktiv i| Produktion ist aktiv. Erwartete Lebenszeit: >10 Jahre. | Processor, USB, 3G/4G/5G, Ethernet, Small Cell, PHY, PCI Express | 25 MHz | ±20ppm | 50 | 18 | -40 °C up to +85 °C | – | ||
![]() | 830063334 | SPEC | 6 Dateien | Aktiv i| Produktion ist aktiv. Erwartete Lebenszeit: >10 Jahre. | Processor, USB, 3G/4G/5G, Ethernet, Small Cell, PHY, PCI Express | 25 MHz | ±20ppm | 20 | 10 | -40 °C up to +85 °C | 830002 830004 | ||
![]() | 830072541 | SPEC | 6 Dateien | Aktiv i| Produktion ist aktiv. Erwartete Lebenszeit: >10 Jahre. | Processor | 27 MHz | ±15ppm | 15 | 8 | -20 °C up to +70 °C | 830002 | ||
![]() | 830064296 | SPEC | 6 Dateien | Aktiv i| Produktion ist aktiv. Erwartete Lebenszeit: >10 Jahre. | Processor, CAN, Bluetooth | 16 MHz | ±20ppm | 20 | 8 | -10 °C up to +70 °C | – | ||
![]() | 830064703 | SPEC | 6 Dateien | Aktiv i| Produktion ist aktiv. Erwartete Lebenszeit: >10 Jahre. | Processor, USB, Bluetooth | 24 MHz | ±20ppm | 50 | 18 | -40 °C up to +85 °C | – | ||
![]() | 830072539 | SPEC | 6 Dateien | Aktiv i| Produktion ist aktiv. Erwartete Lebenszeit: >10 Jahre. | Processor, USB, Bluetooth | 24 MHz | ±15ppm | 15 | 8 | -20 °C up to +70 °C | 830002 | ||
![]() | 830065460 | SPEC | 6 Dateien | Aktiv i| Produktion ist aktiv. Erwartete Lebenszeit: >10 Jahre. | Processor, USB | 30 MHz | ±10ppm | 20 | 10 | -40 °C up to +85 °C | – | ||
![]() | 830068911 | SPEC | 6 Dateien | Aktiv i| Produktion ist aktiv. Erwartete Lebenszeit: >10 Jahre. | Processor, USB, 3G/4G/5G, Ethernet, Small Cell, PHY, PCI Express | 25 MHz | ±30ppm | 50 | 18 | -20 °C up to +70 °C | – | ||
![]() | 830072402 | SPEC | 6 Dateien | Aktiv i| Produktion ist aktiv. Erwartete Lebenszeit: >10 Jahre. | Processor, Ethernet | 10 MHz | ±20ppm | 30 | 18 | -40 °C up to +85 °C | 830002 | ||
![]() | 830069377 | SPEC | 6 Dateien | Aktiv i| Produktion ist aktiv. Erwartete Lebenszeit: >10 Jahre. | Processor, Bluetooth | 32 MHz | ±20ppm | 30 | 18 | -40 °C up to +85 °C | 830002 | ||
![]() | 830070868 | SPEC | 6 Dateien | Aktiv i| Produktion ist aktiv. Erwartete Lebenszeit: >10 Jahre. | Processor, USB, CAN | 12 MHz | ±10ppm | 20 | 18 | -40 °C up to +85 °C | – | ||
![]() | 830069381 | SPEC | 6 Dateien | Aktiv i| Produktion ist aktiv. Erwartete Lebenszeit: >10 Jahre. | Processor, CAN, USB, Ethernet, Wi-Fi | 20 MHz | ±20ppm | 20 | 10 | -40 °C up to +85 °C | 830002 | ||
![]() | 830069383 | SPEC | 6 Dateien | Aktiv i| Produktion ist aktiv. Erwartete Lebenszeit: >10 Jahre. | Processor, USB, Bluetooth | 24 MHz | ±20ppm | 20 | 10 | -40 °C up to +85 °C | 830002 | ||
![]() | 830069944 | SPEC | 6 Dateien | Aktiv i| Produktion ist aktiv. Erwartete Lebenszeit: >10 Jahre. | Processor, USB, CAN | 12 MHz | ±20ppm | 30 | 15 | -40 °C up to +85 °C | – | ||
![]() | 830069882 | SPEC | 6 Dateien | Aktiv i| Produktion ist aktiv. Erwartete Lebenszeit: >10 Jahre. | Processor, USB, CAN | 12 MHz | ±30ppm | 100 | 10 | -40 °C up to +125 °C | 830002 | ||
![]() | 830069390 | SPEC | 6 Dateien | Aktiv i| Produktion ist aktiv. Erwartete Lebenszeit: >10 Jahre. | Processor, Bluetooth | 32 MHz | ±20ppm | 20 | 10 | -40 °C up to +85 °C | 830002 830004 | ||
![]() | 830069392 | SPEC | 6 Dateien | Aktiv i| Produktion ist aktiv. Erwartete Lebenszeit: >10 Jahre. | Processor, CAN, Bluetooth | 16 MHz | ±20ppm | 20 | 10 | -40 °C up to +85 °C | 830002 | ||
![]() | 830069528 | SPEC | 6 Dateien | Aktiv i| Produktion ist aktiv. Erwartete Lebenszeit: >10 Jahre. | Processor, USB, Wi-Fi | 48 MHz | ±15ppm | 15 | 8 | -20 °C up to +70 °C | 830002 | ||
![]() | 830069527 | SPEC | 6 Dateien | Aktiv i| Produktion ist aktiv. Erwartete Lebenszeit: >10 Jahre. | Processor, USB, 3G/4G/5G, CAN, Wi-Fi | 40 MHz | ±15ppm | 15 | 8 | -20 °C up to +70 °C | 830002 | ||
![]() | 830069526 | SPEC | 6 Dateien | Aktiv i| Produktion ist aktiv. Erwartete Lebenszeit: >10 Jahre. | Processor, Bluetooth | 32 MHz | ±15ppm | 15 | 8 | -20 °C up to +70 °C | 830002 | ||
![]() | 830069405 | SPEC | 6 Dateien | Aktiv i| Produktion ist aktiv. Erwartete Lebenszeit: >10 Jahre. | Processor | 27 MHz | ±20ppm | 20 | 18 | -40 °C up to +85 °C | 830002 | ||
![]() | 830069494 | SPEC | 6 Dateien | Aktiv i| Produktion ist aktiv. Erwartete Lebenszeit: >10 Jahre. | Processor, USB, 3G/4G/5G, Ethernet, Small Cell, PHY, PCI Express | 25 MHz | ±15ppm | 20 | 10 | -40 °C up to +85 °C | 830002 830004 | ||
![]() | 830069407 | SPEC | 6 Dateien | Aktiv i| Produktion ist aktiv. Erwartete Lebenszeit: >10 Jahre. | Processor, USB | 30 MHz | ±20ppm | 20 | 10 | -40 °C up to +85 °C | 830002 | ||
![]() | 830069493 | SPEC | 6 Dateien | Aktiv i| Produktion ist aktiv. Erwartete Lebenszeit: >10 Jahre. | Processor, USB, Bluetooth | 24 MHz | ±15ppm | 20 | 10 | -40 °C up to +85 °C | 830002 830004 | ||
![]() | 830003051B | SPEC | 6 Dateien | Aktiv i| Produktion ist aktiv. Erwartete Lebenszeit: >10 Jahre. | Processor | 3.2768 MHz | ±20ppm | 30 | 12 | -10 °C up to +60 °C | – | ||
![]() | 830108212509 | SPEC | 6 Dateien | Aktiv i| Produktion ist aktiv. Erwartete Lebenszeit: >10 Jahre. | Processor, USB, 3G/4G/5G, Ethernet, Small Cell, PHY, PCI Express | 25 MHz | ±10ppm | 15 | 8 | -40 °C up to +85 °C | – | ||
![]() | 830100965009 | SPEC | 6 Dateien | Aktiv i| Produktion ist aktiv. Erwartete Lebenszeit: >10 Jahre. | Processor, CAN, Bluetooth | 16 MHz | ±10ppm | 20 | 16 | -40 °C up to +85 °C | 830004 | ||
![]() | 830103552209 | SPEC | 6 Dateien | Aktiv i| Produktion ist aktiv. Erwartete Lebenszeit: >10 Jahre. | Processor, Bluetooth | 32 MHz | ±10ppm | 20 | 9 | -40 °C up to +85 °C | – | ||
![]() | 830103622909 | SPEC | 6 Dateien | Aktiv i| Produktion ist aktiv. Erwartete Lebenszeit: >10 Jahre. | Processor, Bluetooth | 32 MHz | ±10ppm | 15 | 9 | -40 °C up to +85 °C | – | ||
![]() | 830105961309 | SPEC | 6 Dateien | Aktiv i| Produktion ist aktiv. Erwartete Lebenszeit: >10 Jahre. | Processor | 14.31818 MHz | ±20ppm | 30 | 18 | -40 °C up to +85 °C | – | ||
![]() | 830107006509 | SPEC | 6 Dateien | Aktiv i| Produktion ist aktiv. Erwartete Lebenszeit: >10 Jahre. | Processor, USB, Bluetooth | 24 MHz | ±10ppm | 15 | 9 | -40 °C up to +85 °C | – | ||
![]() | 830107284409 | SPEC | 6 Dateien | Aktiv i| Produktion ist aktiv. Erwartete Lebenszeit: >10 Jahre. | Processor, USB | 30 MHz | ±10ppm | 10 | 10 | -20 °C up to +70 °C | – | ||
![]() | 830107820709 | SPEC | 6 Dateien | Aktiv i| Produktion ist aktiv. Erwartete Lebenszeit: >10 Jahre. | Processor, Bluetooth | 32 MHz | ±10ppm | 10 | 10 | -20 °C up to +70 °C | – | ||
![]() | 830107871909 | SPEC | 6 Dateien | Aktiv i| Produktion ist aktiv. Erwartete Lebenszeit: >10 Jahre. | Processor, USB, 3G/4G/5G, Ethernet, Small Cell, PHY, PCI Express | 25 MHz | ±10ppm | 10 | 10 | -20 °C up to +70 °C | – | ||
![]() | 830108160801 | SPEC | 6 Dateien | Aktiv i| Produktion ist aktiv. Erwartete Lebenszeit: >10 Jahre. | Processor, USB, Bluetooth | 24 MHz | ±10ppm | 20 | 8 | -40 °C up to +85 °C | – | ||
![]() | 830108161001 | SPEC | 6 Dateien | Aktiv i| Produktion ist aktiv. Erwartete Lebenszeit: >10 Jahre. | Processor | 27 MHz | ±10ppm | 20 | 8 | -40 °C up to +85 °C | 830004 | ||
![]() | 830108161201 | SPEC | 6 Dateien | Aktiv i| Produktion ist aktiv. Erwartete Lebenszeit: >10 Jahre. | Processor, USB | 30 MHz | ±10ppm | 20 | 8 | -40 °C up to +85 °C | – | ||
![]() | 830108161301 | SPEC | 6 Dateien | Aktiv i| Produktion ist aktiv. Erwartete Lebenszeit: >10 Jahre. | Processor, Bluetooth | 32 MHz | ±10ppm | 20 | 8 | -40 °C up to +85 °C | 830004 | ||
![]() | 830108161901 | SPEC | 6 Dateien | Aktiv i| Produktion ist aktiv. Erwartete Lebenszeit: >10 Jahre. | Processor, USB, 3G/4G/5G, CAN, Wi-Fi | 40 MHz | ±10ppm | 20 | 8 | -40 °C up to +85 °C | – | ||
![]() | 830108206909 | SPEC | 6 Dateien | Aktiv i| Produktion ist aktiv. Erwartete Lebenszeit: >10 Jahre. | Processor, USB, CAN | 12 MHz | ±10ppm | 20 | 8 | -40 °C up to +85 °C | 830004 | ||
![]() | 830108207109 | SPEC | 6 Dateien | Aktiv i| Produktion ist aktiv. Erwartete Lebenszeit: >10 Jahre. | Processor, CAN, Bluetooth | 16 MHz | ±10ppm | 20 | 8 | -40 °C up to +85 °C | – | ||
![]() | 830108207209 | SPEC | 6 Dateien | Aktiv i| Produktion ist aktiv. Erwartete Lebenszeit: >10 Jahre. | Processor, CAN, USB, Ethernet, Wi-Fi | 20 MHz | ±10ppm | 20 | 8 | -40 °C up to +85 °C | – | ||
![]() | 830108207309 | SPEC | 6 Dateien | Aktiv i| Produktion ist aktiv. Erwartete Lebenszeit: >10 Jahre. | Processor, USB, Bluetooth | 24 MHz | ±10ppm | 20 | 8 | -40 °C up to +85 °C | – | ||
![]() | 830108207409 | SPEC | 6 Dateien | Aktiv i| Produktion ist aktiv. Erwartete Lebenszeit: >10 Jahre. | Processor | 27 MHz | ±10ppm | 20 | 8 | -40 °C up to +85 °C | – | ||
![]() | 830108207509 | SPEC | 6 Dateien | Aktiv i| Produktion ist aktiv. Erwartete Lebenszeit: >10 Jahre. | Processor, USB | 30 MHz | ±10ppm | 20 | 8 | -40 °C up to +85 °C | – | ||
![]() | 830108207609 | SPEC | 6 Dateien | Aktiv i| Produktion ist aktiv. Erwartete Lebenszeit: >10 Jahre. | Processor, Bluetooth | 32 MHz | ±10ppm | 20 | 8 | -40 °C up to +85 °C | – | ||
![]() | 830108207709 | SPEC | 6 Dateien | Aktiv i| Produktion ist aktiv. Erwartete Lebenszeit: >10 Jahre. | Processor, USB, 3G/4G/5G, CAN, Wi-Fi | 40 MHz | ±10ppm | 20 | 8 | -40 °C up to +85 °C | – | ||
![]() | 830108207809 | SPEC | 6 Dateien | Aktiv i| Produktion ist aktiv. Erwartete Lebenszeit: >10 Jahre. | Processor, Ethernet, PCI Express, PHY | 50 MHz | ±10ppm | 20 | 8 | -40 °C up to +85 °C | – | ||
![]() | 830108208109 | SPEC | 6 Dateien | Aktiv i| Produktion ist aktiv. Erwartete Lebenszeit: >10 Jahre. | Processor, CAN, USB, Ethernet, Wi-Fi | 20 MHz | ±10ppm | 10 | 10 | -20 °C up to +70 °C | – | ||
![]() | 830108208209 | SPEC | 6 Dateien | Aktiv i| Produktion ist aktiv. Erwartete Lebenszeit: >10 Jahre. | Processor, USB, Bluetooth | 24 MHz | ±10ppm | 10 | 10 | -20 °C up to +70 °C | – | ||
![]() | 830108208409 | SPEC | 6 Dateien | Aktiv i| Produktion ist aktiv. Erwartete Lebenszeit: >10 Jahre. | Processor | 27 MHz | ±10ppm | 10 | 10 | -20 °C up to +70 °C | – | ||
![]() | 830108208709 | SPEC | 6 Dateien | Aktiv i| Produktion ist aktiv. Erwartete Lebenszeit: >10 Jahre. | Processor, USB, 3G/4G/5G, CAN, Wi-Fi | 40 MHz | ±10ppm | 10 | 10 | -20 °C up to +70 °C | – | ||
![]() | 830108208809 | SPEC | 6 Dateien | Aktiv i| Produktion ist aktiv. Erwartete Lebenszeit: >10 Jahre. | Processor, Ethernet, PCI Express, PHY | 50 MHz | ±10ppm | 10 | 10 | -20 °C up to +70 °C | 830004 | ||
![]() | 830108212309 | SPEC | 6 Dateien | Aktiv i| Produktion ist aktiv. Erwartete Lebenszeit: >10 Jahre. | Processor, USB, Bluetooth | 24 MHz | ±10ppm | 15 | 8 | -40 °C up to +85 °C | – | ||
![]() | 830108212809 | SPEC | 6 Dateien | Aktiv i| Produktion ist aktiv. Erwartete Lebenszeit: >10 Jahre. | Processor, USB | 30 MHz | ±10ppm | 15 | 8 | -40 °C up to +85 °C | – | ||
![]() | 830108212909 | SPEC | 6 Dateien | Aktiv i| Produktion ist aktiv. Erwartete Lebenszeit: >10 Jahre. | Processor, Bluetooth | 32 MHz | ±10ppm | 15 | 8 | -40 °C up to +85 °C | 830004 | ||
![]() | 830108213209 | SPEC | 6 Dateien | Aktiv i| Produktion ist aktiv. Erwartete Lebenszeit: >10 Jahre. | Processor, USB, 3G/4G/5G, CAN, Wi-Fi | 40 MHz | ±10ppm | 15 | 8 | -40 °C up to +85 °C | 830004 | ||
![]() | 830108178109 | SPEC | 6 Dateien | Aktiv i| Produktion ist aktiv. Erwartete Lebenszeit: >10 Jahre. | Processor, CAN, Bluetooth | 16 MHz | ±10ppm | 20 | 8 | -40 °C up to +85 °C | – | ||
![]() | 830108174209 | SPEC | 6 Dateien | Aktiv i| Produktion ist aktiv. Erwartete Lebenszeit: >10 Jahre. | Processor, USB, 3G/4G/5G, Ethernet, Small Cell, PHY, PCI Express | 25 MHz | ±10ppm | 15 | 10 | -40 °C up to +85 °C | – | ||
![]() | 830108213509 | SPEC | 6 Dateien | Aktiv i| Produktion ist aktiv. Erwartete Lebenszeit: >10 Jahre. | Processor, USB, Wi-Fi | 48 MHz | ±10ppm | 15 | 8 | -40 °C up to +85 °C | – | ||
![]() | 830081609 | SPEC | 6 Dateien | Aktiv i| Produktion ist aktiv. Erwartete Lebenszeit: >10 Jahre. | Processor, USB, 3G/4G/5G, Ethernet, Small Cell, PHY, PCI Express | 25 MHz | ±10ppm | 20 | 8 | -40 °C up to +85 °C | 830004 | ||
![]() | 830081620 | SPEC | 6 Dateien | Aktiv i| Produktion ist aktiv. Erwartete Lebenszeit: >10 Jahre. | Processor, USB, Wi-Fi | 48 MHz | ±10ppm | 20 | 8 | -40 °C up to +85 °C | – | ||
![]() | 830105420809 | SPEC | 6 Dateien | Aktiv i| Produktion ist aktiv. Erwartete Lebenszeit: >10 Jahre. | Processor, USB, CAN | 12 MHz | ±10ppm | 10 | 10 | -20 °C up to +70 °C | – | ||
![]() | 830105863709 | SPEC | 6 Dateien | Aktiv i| Produktion ist aktiv. Erwartete Lebenszeit: >10 Jahre. | Processor, USB, 3G/4G/5G, Ethernet, Small Cell, PHY, PCI Express | 25 MHz | ±30ppm | 30 | 12 | -40 °C up to +85 °C | 830004 | ||
![]() | 830106162701 | SPEC | 6 Dateien | Aktiv i| Produktion ist aktiv. Erwartete Lebenszeit: >10 Jahre. | Processor, UART | 8 MHz | ±20ppm | 30 | 16 | -40 °C up to +85 °C | – | ||
![]() | 830108338709 | SPEC | 6 Dateien | Aktiv i| Produktion ist aktiv. Erwartete Lebenszeit: >10 Jahre. | Processor, Ethernet | 10 MHz | ±20ppm | 50 | 12 | -40 °C up to +105 °C | 830004 | ||
![]() | 830108338809 | SPEC | 6 Dateien | Aktiv i| Produktion ist aktiv. Erwartete Lebenszeit: >10 Jahre. | Processor, USB, CAN | 12 MHz | ±20ppm | 30 | 12 | -40 °C up to +105 °C | – | ||
![]() | 830108340709 | SPEC | 6 Dateien | Aktiv i| Produktion ist aktiv. Erwartete Lebenszeit: >10 Jahre. | Processor, USB, Bluetooth | 24 MHz | ±20ppm | 50 | 12 | -40 °C up to +105 °C | – | ||
![]() | 830108340809 | SPEC | 6 Dateien | Aktiv i| Produktion ist aktiv. Erwartete Lebenszeit: >10 Jahre. | Processor, USB, 3G/4G/5G, Ethernet, Small Cell, PHY, PCI Express | 25 MHz | ±20ppm | 30 | 12 | -40 °C up to +105 °C | – | ||
![]() | 830108313809 | SPEC | 6 Dateien | Aktiv i| Produktion ist aktiv. Erwartete Lebenszeit: >10 Jahre. | Processor, UART | 8 MHz | ±30ppm | 50 | 12 | -40 °C up to +85 °C | 830004 | ||
![]() | 830107878109 | SPEC | 6 Dateien | Aktiv i| Produktion ist aktiv. Erwartete Lebenszeit: >10 Jahre. | Processor, CAN, Bluetooth | 16 MHz | ±30ppm | 50 | 12 | -40 °C up to +125 °C | 830004 | ||
![]() | 830108288709 | SPEC | 6 Dateien | Aktiv i| Produktion ist aktiv. Erwartete Lebenszeit: >10 Jahre. | Processor, CAN, Bluetooth | 16 MHz | ±10ppm | 30 | 10 | -40 °C up to +105 °C | – | ||
![]() | 830108049101 | SPEC | 5 Dateien | Aktiv i| Produktion ist aktiv. Erwartete Lebenszeit: >10 Jahre. | Processor, USB, Wi-Fi | 48 MHz | ±10ppm | 10 | 8 | -30 °C up to +85 °C | 830002 830004 | ||
![]() | 830108254201 | SPEC | 5 Dateien | Aktiv i| Produktion ist aktiv. Erwartete Lebenszeit: >10 Jahre. | Processor, Bluetooth | 32 MHz | ±7ppm | 15 | 5 | -30 °C up to +85 °C | 830002 | ||
![]() | 830082070 | SPEC | 6 Dateien | Aktiv i| Produktion ist aktiv. Erwartete Lebenszeit: >10 Jahre. | RFID | 13.56 MHz | ±10ppm | 20 | 8 | -40 °C up to +85 °C | – | ||
![]() | 830105961109 | SPEC | 6 Dateien | Aktiv i| Produktion ist aktiv. Erwartete Lebenszeit: >10 Jahre. | RFID | 13.56 MHz | ±20ppm | 30 | 18 | -40 °C up to +85 °C | – | ||
![]() | 830106163301 | SPEC | 6 Dateien | Aktiv i| Produktion ist aktiv. Erwartete Lebenszeit: >10 Jahre. | RFID | 13.56 MHz | ±20ppm | 30 | 16 | -40 °C up to +85 °C | 830004 | ||
![]() | 830003086B | SPEC | 6 Dateien | Aktiv i| Produktion ist aktiv. Erwartete Lebenszeit: >10 Jahre. | Real Time Clock | 4.194304 MHz | ±20ppm | 30 | 12 | -10 °C up to +60 °C | – | ||
![]() | 830003093B | SPEC | 6 Dateien | Aktiv i| Produktion ist aktiv. Erwartete Lebenszeit: >10 Jahre. | Real Time Clock | 4.194304 MHz | ±30ppm | 50 | 12 | -10 °C up to +60 °C | 830003 | ||
![]() | 830003044B | SPEC | 6 Dateien | Aktiv i| Produktion ist aktiv. Erwartete Lebenszeit: >10 Jahre. | UART | 2.4576 MHz | ±20ppm | 50 | 30 | -10 °C up to +60 °C | 830003 830004 | ||
![]() | 830003110B | SPEC | 6 Dateien | Aktiv i| Produktion ist aktiv. Erwartete Lebenszeit: >10 Jahre. | UART | 4.9152 MHz | ±20ppm | 50 | 30 | -10 °C up to +60 °C | – | ||
![]() | 830003115B | SPEC | 6 Dateien | Aktiv i| Produktion ist aktiv. Erwartete Lebenszeit: >10 Jahre. | UART | 4.9152 MHz | ±30ppm | 50 | 30 | -20 °C up to +70 °C | 830003 | ||
![]() | 830003174B | SPEC | 6 Dateien | Aktiv i| Produktion ist aktiv. Erwartete Lebenszeit: >10 Jahre. | UART, Audio | 18.432 MHz | ±20ppm | 50 | – | -10 °C up to +60 °C | – | ||
![]() | 830003176B | SPEC | 6 Dateien | Aktiv i| Produktion ist aktiv. Erwartete Lebenszeit: >10 Jahre. | UART, Audio | 18.432 MHz | ±30ppm | 50 | 30 | -20 °C up to +70 °C | – | ||
![]() | 830003218B | SPEC | 6 Dateien | Aktiv i| Produktion ist aktiv. Erwartete Lebenszeit: >10 Jahre. | UART | 14.7456 MHz | ±20ppm | 30 | 30 | -10 °C up to +60 °C | – | ||
![]() | 830003224B | SPEC | 6 Dateien | Aktiv i| Produktion ist aktiv. Erwartete Lebenszeit: >10 Jahre. | UART | 14.7456 MHz | ±30ppm | 50 | 30 | -10 °C up to +60 °C | 830003 | ||
![]() | 830003277B | SPEC | 6 Dateien | Aktiv i| Produktion ist aktiv. Erwartete Lebenszeit: >10 Jahre. | UART | 9.8304 MHz | ±20ppm | 50 | 30 | -10 °C up to +60 °C | – | ||
![]() | 830003279B | SPEC | 6 Dateien | Aktiv i| Produktion ist aktiv. Erwartete Lebenszeit: >10 Jahre. | UART | 9.8304 MHz | ±30ppm | 50 | 30 | -10 °C up to +60 °C | – | ||
![]() | 830003286B | SPEC | 6 Dateien | Aktiv i| Produktion ist aktiv. Erwartete Lebenszeit: >10 Jahre. | UART, Audio | 12.288 MHz | ±30ppm | 50 | 30 | -10 °C up to +60 °C | – | ||
![]() | 830003309B | SPEC | 6 Dateien | Aktiv i| Produktion ist aktiv. Erwartete Lebenszeit: >10 Jahre. | UART | 19.6608 MHz | ±30ppm | 50 | 30 | -10 °C up to +60 °C | – | ||
![]() | 830003312B | SPEC | 6 Dateien | Aktiv i| Produktion ist aktiv. Erwartete Lebenszeit: >10 Jahre. | UART | 22.1184 MHz | ±20ppm | 50 | – | -10 °C up to +60 °C | – | ||
![]() | 830003386B | SPEC | 6 Dateien | Aktiv i| Produktion ist aktiv. Erwartete Lebenszeit: >10 Jahre. | UART, Audio | 24.576 MHz | ±20ppm | 50 | 30 | -10 °C up to +60 °C | – | ||
![]() | 830003387 | SPEC | 6 Dateien | Aktiv i| Produktion ist aktiv. Erwartete Lebenszeit: >10 Jahre. | UART, Audio | 24.576 MHz | ±30ppm | 50 | 20 | -10 °C up to +60 °C | – | ||
![]() | 830012313 | SPEC | 6 Dateien | Aktiv i| Produktion ist aktiv. Erwartete Lebenszeit: >10 Jahre. | UART | 14.7456 MHz | ±30ppm | 50 | 30 | -10 °C up to +60 °C | 830003 | ||
![]() | 830015023 | SPEC | 6 Dateien | Aktiv i| Produktion ist aktiv. Erwartete Lebenszeit: >10 Jahre. | UART, Audio | 18.432 MHz | ±30ppm | 50 | 30 | -20 °C up to +70 °C | – | ||
![]() | 830018153 | SPEC | 6 Dateien | Aktiv i| Produktion ist aktiv. Erwartete Lebenszeit: >10 Jahre. | UART | 4.9152 MHz | ±30ppm | 50 | 16 | -10 °C up to +60 °C | 830003 | ||
![]() | 830026388 | SPEC | 6 Dateien | Aktiv i| Produktion ist aktiv. Erwartete Lebenszeit: >10 Jahre. | UART | 14.7456 MHz | ±30ppm | 50 | 16 | -20 °C up to +70 °C | 830002 | ||
![]() | 830026396 | SPEC | 6 Dateien | Aktiv i| Produktion ist aktiv. Erwartete Lebenszeit: >10 Jahre. | UART, Audio | 24.576 MHz | ±30ppm | 50 | 16 | -20 °C up to +70 °C | 830002 | ||
![]() | 830026904 | SPEC | 6 Dateien | Aktiv i| Produktion ist aktiv. Erwartete Lebenszeit: >10 Jahre. | UART | 9.8304 MHz | ±20ppm | 50 | 16 | -10 °C up to +60 °C | – | ||
![]() | 830026908 | SPEC | 6 Dateien | Aktiv i| Produktion ist aktiv. Erwartete Lebenszeit: >10 Jahre. | UART | 14.7456 MHz | ±20ppm | 50 | 16 | -10 °C up to +60 °C | 830003 | ||
![]() | 830026911 | SPEC | 6 Dateien | Aktiv i| Produktion ist aktiv. Erwartete Lebenszeit: >10 Jahre. | UART, Audio | 18.432 MHz | ±20ppm | 50 | 16 | -10 °C up to +60 °C | 830003 | ||
![]() | 830028392 | SPEC | 6 Dateien | Aktiv i| Produktion ist aktiv. Erwartete Lebenszeit: >10 Jahre. | UART | 4.9152 MHz | ±30ppm | 50 | 18 | -20 °C up to +70 °C | 830004 | ||
![]() | 830033328 | SPEC | 6 Dateien | Aktiv i| Produktion ist aktiv. Erwartete Lebenszeit: >10 Jahre. | UART | 14.7456 MHz | ±50ppm | 50 | 18 | -10 °C up to +60 °C | – | ||
![]() | 830033644 | SPEC | 6 Dateien | Aktiv i| Produktion ist aktiv. Erwartete Lebenszeit: >10 Jahre. | UART, Audio | 24.576 MHz | ±50ppm | 50 | 18 | -10 °C up to +60 °C | – | ||
![]() | 830034439 | SPEC | 6 Dateien | Aktiv i| Produktion ist aktiv. Erwartete Lebenszeit: >10 Jahre. | UART | 4.9152 MHz | ±30ppm | 50 | 16 | -20 °C up to +70 °C | – | ||
![]() | 830035267 | SPEC | 6 Dateien | Aktiv i| Produktion ist aktiv. Erwartete Lebenszeit: >10 Jahre. | UART, Audio | 24.576 MHz | ±50ppm | 50 | 16 | -10 °C up to +60 °C | 830002 | ||
![]() | 830036956 | SPEC | 6 Dateien | Aktiv i| Produktion ist aktiv. Erwartete Lebenszeit: >10 Jahre. | UART | 14.7456 MHz | ±30ppm | 50 | 16 | -20 °C up to +70 °C | – | ||
![]() | 830055293 | SPEC | 6 Dateien | Aktiv i| Produktion ist aktiv. Erwartete Lebenszeit: >10 Jahre. | UART | 14.7456 MHz | ±20ppm | 30 | 18 | -40 °C up to +85 °C | 830002 830004 | ||
![]() | 830059523 | SPEC | 6 Dateien | Aktiv i| Produktion ist aktiv. Erwartete Lebenszeit: >10 Jahre. | UART, Audio | 12.288 MHz | ±20ppm | 30 | 18 | -40 °C up to +85 °C | 830002 830004 | ||
![]() | 830059529 | SPEC | 6 Dateien | Aktiv i| Produktion ist aktiv. Erwartete Lebenszeit: >10 Jahre. | UART, Audio | 18.432 MHz | ±20ppm | 30 | 18 | -40 °C up to +85 °C | – | ||
![]() | 830059531 | SPEC | 6 Dateien | Aktiv i| Produktion ist aktiv. Erwartete Lebenszeit: >10 Jahre. | UART, Audio | 24.576 MHz | ±20ppm | 30 | 18 | -40 °C up to +85 °C | 830002 830004 | ||
![]() | 830072403 | SPEC | 6 Dateien | Aktiv i| Produktion ist aktiv. Erwartete Lebenszeit: >10 Jahre. | UART | 14.7456 MHz | ±20ppm | 30 | 18 | -40 °C up to +85 °C | 830004 | ||
![]() | 830069387 | SPEC | 6 Dateien | Aktiv i| Produktion ist aktiv. Erwartete Lebenszeit: >10 Jahre. | UART, Audio | 24.576 MHz | ±20ppm | 20 | 10 | -40 °C up to +85 °C | 830002 | ||
![]() | 830069400 | SPEC | 6 Dateien | Aktiv i| Produktion ist aktiv. Erwartete Lebenszeit: >10 Jahre. | UART, Audio | 18.432 MHz | ±20ppm | 20 | 18 | -40 °C up to +85 °C | 830002 | ||
![]() | 830069404 | SPEC | 6 Dateien | Aktiv i| Produktion ist aktiv. Erwartete Lebenszeit: >10 Jahre. | UART, 3G/4G/5G, Small Cell | 19.2 MHz | ±20ppm | 20 | 10 | -40 °C up to +85 °C | 830002 | ||
![]() | 830105957509 | SPEC | 6 Dateien | Aktiv i| Produktion ist aktiv. Erwartete Lebenszeit: >10 Jahre. | UART, Audio | 24.576 MHz | ±20ppm | 30 | 18 | -40 °C up to +85 °C | – | ||
![]() | 830105961709 | SPEC | 6 Dateien | Aktiv i| Produktion ist aktiv. Erwartete Lebenszeit: >10 Jahre. | UART, Audio | 18.432 MHz | ±20ppm | 30 | 18 | -40 °C up to +85 °C | – | ||
![]() | 830108208009 | SPEC | 6 Dateien | Aktiv i| Produktion ist aktiv. Erwartete Lebenszeit: >10 Jahre. | UART, 3G/4G/5G, Small Cell | 19.2 MHz | ±10ppm | 10 | 10 | -20 °C up to +70 °C | – | ||
![]() | 830061648 | SPEC | 6 Dateien | Aktiv i| Produktion ist aktiv. Erwartete Lebenszeit: >10 Jahre. | UART, Audio | 12.288 MHz | ±20ppm | 30 | 12 | -40 °C up to +85 °C | – | ||
![]() | 830108161601 | SPEC | 6 Dateien | Aktiv i| Produktion ist aktiv. Erwartete Lebenszeit: >10 Jahre. | Wi-Fi | 37.4 MHz | ±10ppm | 20 | 8 | -40 °C up to +85 °C | – | ||
![]() | 830108213009 | SPEC | 6 Dateien | Aktiv i| Produktion ist aktiv. Erwartete Lebenszeit: >10 Jahre. | Wi-Fi | 37.4 MHz | ±10ppm | 15 | 8 | -40 °C up to +85 °C | – | ||
![]() | 830108131401 | SPEC | 5 Dateien | Aktiv i| Produktion ist aktiv. Erwartete Lebenszeit: >10 Jahre. | Wi-Fi | 37.4 MHz | ±7ppm | 15 | 5 | -30 °C up to +85 °C | 830002 |
| Artikel Nr. | Datenblatt | Simulation | |
|---|---|---|---|
![]() | 830059627 | SPEC | |
![]() | 830108213109 | SPEC | |
![]() | 830108246809 | SPEC | |
![]() | 830108131601 | SPEC | |
![]() | 830003134B | SPEC | |
![]() | 830003137B | SPEC | |
![]() | 830003271B | SPEC | |
![]() | 830026902 | SPEC | |
![]() | 830035503 | SPEC | |
![]() | 830059528 | SPEC | |
![]() | 830061486 | SPEC | |
![]() | 830063075 | SPEC | |
![]() | 830069395 | SPEC | |
![]() | 830105961509 | SPEC | |
![]() | 830003068B | SPEC | |
![]() | 830003071 | SPEC | |
![]() | 830003074B | SPEC | |
![]() | 830011300 | SPEC | |
![]() | 830024940 | SPEC | |
![]() | 830027298B | SPEC | |
![]() | 830034654 | SPEC | |
![]() | 830050991 | SPEC | |
![]() | 830059591 | SPEC | |
![]() | 830059643 | SPEC | |
![]() | 830072404 | SPEC | |
![]() | 830066742 | SPEC | |
![]() | 830108161401 | SPEC | |
![]() | 830108186509 | SPEC | |
![]() | 830108212609 | SPEC | |
![]() | 830108340909 | SPEC | |
![]() | 830014948B | SPEC | |
![]() | 830053099 | SPEC | |
![]() | 830106246109 | SPEC | |
![]() | 830108212709 | SPEC | |
![]() | 830003033B | SPEC | |
![]() | 830003037B | SPEC | |
![]() | 830003056B | SPEC | |
![]() | 830003058 | SPEC | |
![]() | 830003063B | SPEC | |
![]() | 830003084B | SPEC | |
![]() | 830003099B | SPEC | |
![]() | 830003102B | SPEC | |
![]() | 830003119B | SPEC | |
![]() | 830003127B | SPEC | |
![]() | 830003132B | SPEC | |
![]() | 830003147B | SPEC | |
![]() | 830003151 | SPEC | |
![]() | 830003156B | SPEC | |
![]() | 830003164B | SPEC | |
![]() | 830003166 | SPEC | |
![]() | 830003169B | SPEC | |
![]() | 830003177B | SPEC | |
![]() | 830003179B | SPEC | |
![]() | 830003181 | SPEC | |
![]() | 830003185B | SPEC | |
![]() | 830003186B | SPEC | |
![]() | 830003200B | SPEC | |
![]() | 830003206B | SPEC | |
![]() | 830003210 | SPEC | |
![]() | 830003215B | SPEC | |
![]() | 830003231B | SPEC | |
![]() | 830003237 | SPEC | |
![]() | 830003240B | SPEC | |
![]() | 830003257B | SPEC | |
![]() | 830003260 | SPEC | |
![]() | 830003263B | SPEC | |
![]() | 830003298B | SPEC | |
![]() | 830003325B | SPEC | |
![]() | 830003327B | SPEC | |
![]() | 830003329B | SPEC | |
![]() | 830003334 | SPEC | |
![]() | 830003335B | SPEC | |
![]() | 830003336B | SPEC | |
![]() | 830003342B | SPEC | |
![]() | 830003515B | SPEC | |
![]() | 830003519 | SPEC | |
![]() | 830003523B | SPEC | |
![]() | 830010043 | SPEC | |
![]() | 830010595 | SPEC | |
![]() | 830010689 | SPEC | |
![]() | 830011263 | SPEC | |
![]() | 830011301 | SPEC | |
![]() | 830012312 | SPEC | |
![]() | 830012504 | SPEC | |
![]() | 830015055 | SPEC | |
![]() | 830016788 | SPEC | |
![]() | 830017145 | SPEC | |
![]() | 830017146 | SPEC | |
![]() | 830018496B | SPEC | |
![]() | 830020131 | SPEC | |
![]() | 830020423 | SPEC | |
![]() | 830021675 | SPEC | |
![]() | 830024985B | SPEC | |
![]() | 830026380 | SPEC | |
![]() | 830026382 | SPEC | |
![]() | 830026384 | SPEC | |
![]() | 830026386 | SPEC | |
![]() | 830026392 | SPEC | |
![]() | 830026394 | SPEC | |
![]() | 830026504 | SPEC | |
![]() | 830026548 | SPEC | |
![]() | 830026900 | SPEC | |
![]() | 830027527 | SPEC | |
![]() | 830028430 | SPEC | |
![]() | 830028710 | SPEC | |
![]() | 830028928 | SPEC | |
![]() | 830029370 | SPEC | |
![]() | 830029914 | SPEC | |
![]() | 830030798 | SPEC | |
![]() | 830030819 | SPEC | |
![]() | 830030820 | SPEC | |
![]() | 830031646B | SPEC | |
![]() | 830032341B | SPEC | |
![]() | 830032817 | SPEC | |
![]() | 830032878 | SPEC | |
![]() | 830033075 | SPEC | |
![]() | 830033158 | SPEC | |
![]() | 830033580 | SPEC | |
![]() | 830033643 | SPEC | |
![]() | 830033645 | SPEC | |
![]() | 830034122 | SPEC | |
![]() | 830034225 | SPEC | |
![]() | 830035264 | SPEC | |
![]() | 830035265 | SPEC | |
![]() | 830035266 | SPEC | |
![]() | 830035268 | SPEC | |
![]() | 830035269 | SPEC | |
![]() | 830035293 | SPEC | |
![]() | 830036034 | SPEC | |
![]() | 830036401 | SPEC | |
![]() | 830036533 | SPEC | |
![]() | 830050510 | SPEC | |
![]() | 830051068 | SPEC | |
![]() | 830051235 | SPEC | |
![]() | 830053798 | SPEC | |
![]() | 830054555 | SPEC | |
![]() | 830055295 | SPEC | |
![]() | 830055299 | SPEC | |
![]() | 830055474 | SPEC | |
![]() | 830055663 | SPEC | |
![]() | 830055901 | SPEC | |
![]() | 830055951 | SPEC | |
![]() | 830055962 | SPEC | |
![]() | 830055999 | SPEC | |
![]() | 830056346 | SPEC | |
![]() | 830056463 | SPEC | |
![]() | 830056556 | SPEC | |
![]() | 830056583 | SPEC | |
![]() | 830056808 | SPEC | |
![]() | 830057824 | SPEC | |
![]() | 830058124 | SPEC | |
![]() | 830058149 | SPEC | |
![]() | 830058383B | SPEC | |
![]() | 830059082 | SPEC | |
![]() | 830059477 | SPEC | |
![]() | 830059522 | SPEC | |
![]() | 830059526 | SPEC | |
![]() | 830059530 | SPEC | |
![]() | 830059532 | SPEC | |
![]() | 830059535 | SPEC | |
![]() | 830059537 | SPEC | |
![]() | 830059539 | SPEC | |
![]() | 830059585 | SPEC | |
![]() | 830059596 | SPEC | |
![]() | 830059597 | SPEC | |
![]() | 830059632 | SPEC | |
![]() | 830059638 | SPEC | |
![]() | 830059646 | SPEC | |
![]() | 830059648 | SPEC | |
![]() | 830059800 | SPEC | |
![]() | 830060258 | SPEC | |
![]() | 830060843 | SPEC | |
![]() | 830061647 | SPEC | |
![]() | 830061677 | SPEC | |
![]() | 830072604 | SPEC | |
![]() | 830061856 | SPEC | |
![]() | 830072546 | SPEC | |
![]() | 830072543 | SPEC | |
![]() | 830063321 | SPEC | |
![]() | 830063334 | SPEC | |
![]() | 830072541 | SPEC | |
![]() | 830064296 | SPEC | |
![]() | 830064703 | SPEC | |
![]() | 830072539 | SPEC | |
![]() | 830065460 | SPEC | |
![]() | 830068911 | SPEC | |
![]() | 830072402 | SPEC | |
![]() | 830069377 | SPEC | |
![]() | 830070868 | SPEC | |
![]() | 830069381 | SPEC | |
![]() | 830069383 | SPEC | |
![]() | 830069944 | SPEC | |
![]() | 830069882 | SPEC | |
![]() | 830069390 | SPEC | |
![]() | 830069392 | SPEC | |
![]() | 830069528 | SPEC | |
![]() | 830069527 | SPEC | |
![]() | 830069526 | SPEC | |
![]() | 830069405 | SPEC | |
![]() | 830069494 | SPEC | |
![]() | 830069407 | SPEC | |
![]() | 830069493 | SPEC | |
![]() | 830003051B | SPEC | |
![]() | 830108212509 | SPEC | |
![]() | 830100965009 | SPEC | |
![]() | 830103552209 | SPEC | |
![]() | 830103622909 | SPEC | |
![]() | 830105961309 | SPEC | |
![]() | 830107006509 | SPEC | |
![]() | 830107284409 | SPEC | |
![]() | 830107820709 | SPEC | |
![]() | 830107871909 | SPEC | |
![]() | 830108160801 | SPEC | |
![]() | 830108161001 | SPEC | |
![]() | 830108161201 | SPEC | |
![]() | 830108161301 | SPEC | |
![]() | 830108161901 | SPEC | |
![]() | 830108206909 | SPEC | |
![]() | 830108207109 | SPEC | |
![]() | 830108207209 | SPEC | |
![]() | 830108207309 | SPEC | |
![]() | 830108207409 | SPEC | |
![]() | 830108207509 | SPEC | |
![]() | 830108207609 | SPEC | |
![]() | 830108207709 | SPEC | |
![]() | 830108207809 | SPEC | |
![]() | 830108208109 | SPEC | |
![]() | 830108208209 | SPEC | |
![]() | 830108208409 | SPEC | |
![]() | 830108208709 | SPEC | |
![]() | 830108208809 | SPEC | |
![]() | 830108212309 | SPEC | |
![]() | 830108212809 | SPEC | |
![]() | 830108212909 | SPEC | |
![]() | 830108213209 | SPEC | |
![]() | 830108178109 | SPEC | |
![]() | 830108174209 | SPEC | |
![]() | 830108213509 | SPEC | |
![]() | 830081609 | SPEC | |
![]() | 830081620 | SPEC | |
![]() | 830105420809 | SPEC | |
![]() | 830105863709 | SPEC | |
![]() | 830106162701 | SPEC | |
![]() | 830108338709 | SPEC | |
![]() | 830108338809 | SPEC | |
![]() | 830108340709 | SPEC | |
![]() | 830108340809 | SPEC | |
![]() | 830108313809 | SPEC | |
![]() | 830107878109 | SPEC | |
![]() | 830108288709 | SPEC | |
![]() | 830108049101 | SPEC | |
![]() | 830108254201 | SPEC | |
![]() | 830082070 | SPEC | |
![]() | 830105961109 | SPEC | |
![]() | 830106163301 | SPEC | |
![]() | 830003086B | SPEC | |
![]() | 830003093B | SPEC | |
![]() | 830003044B | SPEC | |
![]() | 830003110B | SPEC | |
![]() | 830003115B | SPEC | |
![]() | 830003174B | SPEC | |
![]() | 830003176B | SPEC | |
![]() | 830003218B | SPEC | |
![]() | 830003224B | SPEC | |
![]() | 830003277B | SPEC | |
![]() | 830003279B | SPEC | |
![]() | 830003286B | SPEC | |
![]() | 830003309B | SPEC | |
![]() | 830003312B | SPEC | |
![]() | 830003386B | SPEC | |
![]() | 830003387 | SPEC | |
![]() | 830012313 | SPEC | |
![]() | 830015023 | SPEC | |
![]() | 830018153 | SPEC | |
![]() | 830026388 | SPEC | |
![]() | 830026396 | SPEC | |
![]() | 830026904 | SPEC | |
![]() | 830026908 | SPEC | |
![]() | 830026911 | SPEC | |
![]() | 830028392 | SPEC | |
![]() | 830033328 | SPEC | |
![]() | 830033644 | SPEC | |
![]() | 830034439 | SPEC | |
![]() | 830035267 | SPEC | |
![]() | 830036956 | SPEC | |
![]() | 830055293 | SPEC | |
![]() | 830059523 | SPEC | |
![]() | 830059529 | SPEC | |
![]() | 830059531 | SPEC | |
![]() | 830072403 | SPEC | |
![]() | 830069387 | SPEC | |
![]() | 830069400 | SPEC | |
![]() | 830069404 | SPEC | |
![]() | 830105957509 | SPEC | |
![]() | 830105961709 | SPEC | |
![]() | 830108208009 | SPEC | |
![]() | 830061648 | SPEC | |
![]() | 830108161601 | SPEC | |
![]() | 830108213009 | SPEC | |
![]() | 830108131401 | SPEC |
| Muster |
|---|
| Artikel Nr. | Datenblatt | Simulation | Downloads | Status | Anwendung | f | Tol. f | Stabilität (ppm) | Cload (pF) | Betriebstemperatur | Design Kit | Muster |
|---|
Sortimente
Artikel dieser Produktserie finden Sie in den folgenden Sortimenten:
Videos
WE meet @ Digital Days 2021: Back-to-Basics - Specifying quartz crystals and oscillators






















