Characteristics
- Broadband filtering due to low capacitance winding technique
- High suppression of asymmetrical interferences also at low frequency range
- Very compact design
- Highest possible rated current by small size
- Operating temperature: –40 ºC to +125 ºC
- Flammability corresponding to UL 94 V-0
- Climatic category: 40/125/21
- Certified according to IEC 60938-2
Applications
- Power electronics
- Power line in- and output filter
- Filtering of devices without any ground connection
- Suppression of radio interferences in motors
- Suppression of common mode noise
Application Notes
Products
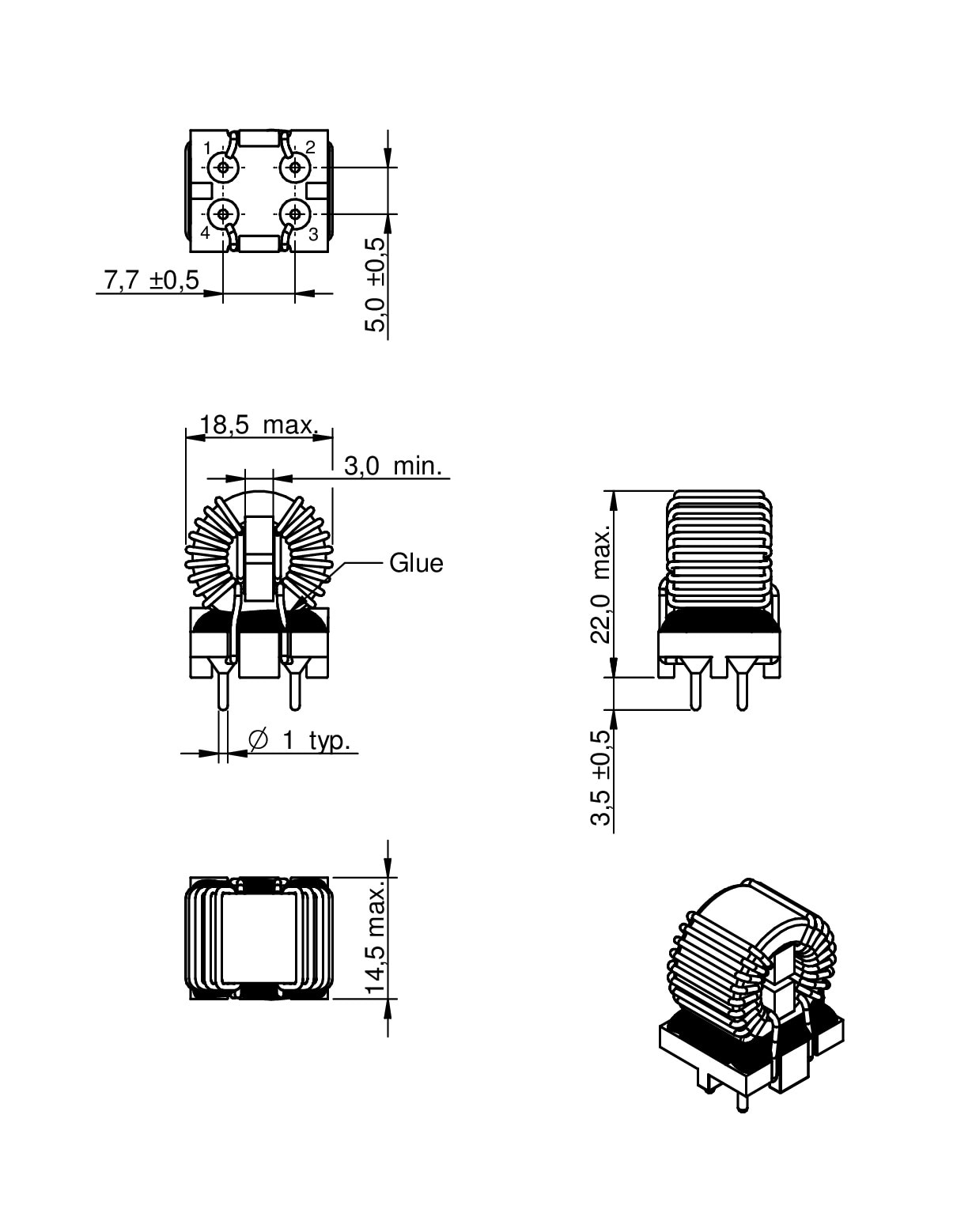
Type S
| Order Code | Datasheet | Simulation | Downloads | Status | IR (A) | L (mH) | RDC max. (mΩ) | VR (V (AC)) | VT (V (AC)) | Material | L (mm) | W (mm) | H (mm) | Mount | Design Kit | Samples |
|---|---|---|---|---|---|---|---|---|---|---|---|---|---|---|---|---|
| 7448225007 | SPEC | 10 files | Active i| Production is active. Expected lifetime: >10 years. | 5 | 0.7 | 15 | 250 | 1500 | MnZn | 18.5 | 14.5 | 22 | THT | 744821 | ||
| 7448226404 | SPEC | – | 9 files | Active i| Production is active. Expected lifetime: >10 years. | 6.4 | 0.35 | 10 | 250 | 1500 | MnZn | 18.5 | 14.5 | 22 | THT | – | |
| 7448227005 | SPEC | 10 files | Active i| Production is active. Expected lifetime: >10 years. | 6.5 | 0.45 | 10 | 250 | 1500 | MnZn | 18.5 | 14.5 | 22 | THT | 744821 | ||
| 7448228002 | SPEC | – | 9 files | Active i| Production is active. Expected lifetime: >10 years. | 8 | 0.175 | 6 | 250 | 1500 | MnZn | 18.5 | 14.5 | 22 | THT | – |
| Samples |
|---|
| Order Code | Datasheet | Simulation | Downloads | Status | IR (A) | L (mH) | RDC max. (mΩ) | VR (V (AC)) | VT (V (AC)) | Material | L (mm) | W (mm) | H (mm) | Mount | Design Kit | Samples |
|---|
Assortments
Articles from this product series can be found in the following assortments:
Videos
How to solve EMC problems! || The mystery of the buzzing speaker
Videos
Würth Elektronik Webinar: EMC Filters – From component to design


