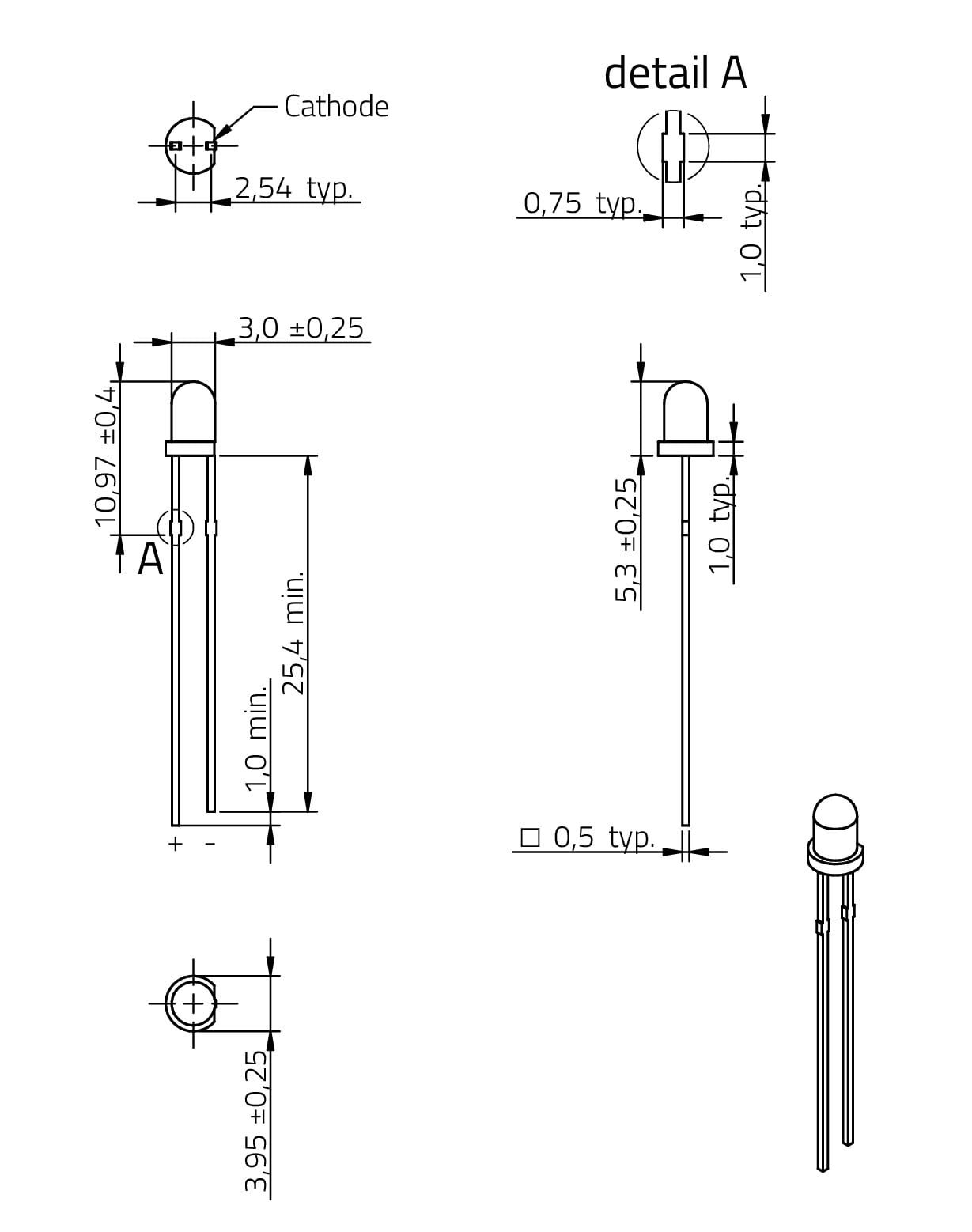
WL-TMRC THT Mono-color Round Color
| Size | Dimensions | L (mm) | W (mm) | H (mm) | Mount | |
|---|---|---|---|---|---|---|
3 mm - without stopper | 3 | 3 | 5.3 | THT | ||
5 mm - without stopper | 5 | 5 | 8.6 | THT |
LTSpice files
Characteristics
- Low energy consumption
- High reliability
- Low current requirement
- Fast switching
- No UV/IR radiation
- Easy installation
- LED without stopper
- Variety of lens colors
- Variety of viewing angle
Applications
- Status light
- Light guide design
- Commercial advertising
- Decorative lighting
- Interior and exterior lighting
- Outdoor LED panels
- Instrumentation and front panel indicator
- Traffic signal light
- Electronic and communication appliance
- Toys
Products
All
3 mm - without stopper
5 mm - without stopper
Filter by
show in
article in 2 product lines
Reset allOrder Code | Datasheet | Simulation | Downloads | Status | λDom typ.(nm) | Emitting Color | λPeak typ.(nm) | IV typ.(mcd) | VF typ.(V) | Chip Technology | 2θ50% typ.(°) | Design Kit | SamplesAvailability & Sample | ||
|---|---|---|---|---|---|---|---|---|---|---|---|---|---|---|---|
![]() | 151051BS04000 | SPEC470 nm, Blue, 465 nm PCN pendingDue to a pending PCN there will be a new datasheet revision issued for this order code soon. Please find the actual as well based on valid PCN date the new revision datasheet below. If you have further questions please get in contact with our sales staff. | Availability – | Status Activei| Production is active. Expected lifetime: >10 years. | Dominant Wavelength [typ.]470 nm | Emitting ColorBlue | Peak Wavelength [typ.]465 nm | Luminous Intensity [typ.]500 mcd | Forward Voltage [typ.]3.2 V | Chip TechnologyGaN | Viewing Angle Phi 0° [typ.]40 ° | Design Kit | –Check availability | ||
![]() | 151031VS06000 | SPEC568 nm, Bright Green, 560 nm | Availability – | Status Activei| Production is active. Expected lifetime: >10 years. | Dominant Wavelength [typ.]568 nm | Emitting ColorBright Green | Peak Wavelength [typ.]560 nm | Luminous Intensity [typ.]30 mcd | Forward Voltage [typ.]2.2 V | Chip TechnologyGaAsP/GaP | Viewing Angle Phi 0° [typ.]60 ° | Design Kit | –Check availability | ||
![]() | 151031VS04000 | SPEC570 nm, Bright Green, 573 nm | Availability – | Status Activei| Production is active. Expected lifetime: >10 years. | Dominant Wavelength [typ.]570 nm | Emitting ColorBright Green | Peak Wavelength [typ.]573 nm | Luminous Intensity [typ.]120 mcd | Forward Voltage [typ.]2.1 V | Chip TechnologyAlInGaP | Viewing Angle Phi 0° [typ.]40 ° | Design Kit | –Check availability | ||
![]() | 151051VS04000 | SPEC572 nm, Bright Green, 573 nm | Availability – | Status Activei| Production is active. Expected lifetime: >10 years. | Dominant Wavelength [typ.]572 nm | Emitting ColorBright Green | Peak Wavelength [typ.]573 nm | Luminous Intensity [typ.]140 mcd | Forward Voltage [typ.]2.1 V | Chip TechnologyAlInGaP | Viewing Angle Phi 0° [typ.]40 ° | Design Kit | –Check availability | ||
![]() | 151031YS05900 | SPEC590 nm, Yellow, 585 nm | Availability – | Status Activei| Production is active. Expected lifetime: >10 years. | Dominant Wavelength [typ.]590 nm | Emitting ColorYellow | Peak Wavelength [typ.]585 nm | Luminous Intensity [typ.]30 mcd | Forward Voltage [typ.]2.1 V | Chip TechnologyGaAsP/GaP | Viewing Angle Phi 0° [typ.]60 ° | Design Kit | –Check availability | ||
![]() | 151031YS06000 | SPEC590 nm, Yellow, 592 nm | Availability – | Status Activei| Production is active. Expected lifetime: >10 years. | Dominant Wavelength [typ.]590 nm | Emitting ColorYellow | Peak Wavelength [typ.]592 nm | Luminous Intensity [typ.]110 mcd | Forward Voltage [typ.]2 V | Chip TechnologyAlInGaP | Viewing Angle Phi 0° [typ.]60 ° | Design Kit | –Check availability | ||
![]() | 151051YS04000 | SPEC590 nm, Yellow, 592 nm | Availability – | Status Activei| Production is active. Expected lifetime: >10 years. | Dominant Wavelength [typ.]590 nm | Emitting ColorYellow | Peak Wavelength [typ.]592 nm | Luminous Intensity [typ.]450 mcd | Forward Voltage [typ.]2 V | Chip TechnologyAlInGaP | Viewing Angle Phi 0° [typ.]40 ° | Design Kit | –Check availability | ||
![]() | 151031SS04000 | SPEC635 nm, Super Red, 640 nm | Availability – | Status Activei| Production is active. Expected lifetime: >10 years. | Dominant Wavelength [typ.]635 nm | Emitting ColorSuper Red | Peak Wavelength [typ.]640 nm | Luminous Intensity [typ.]160 mcd | Forward Voltage [typ.]2 V | Chip TechnologyAlInGaP | Viewing Angle Phi 0° [typ.]40 ° | Design Kit | –Check availability | ||
![]() | 151051SS04000 | SPEC635 nm, Super Red, 640 nm | Availability – | Status Activei| Production is active. Expected lifetime: >10 years. | Dominant Wavelength [typ.]635 nm | Emitting ColorSuper Red | Peak Wavelength [typ.]640 nm | Luminous Intensity [typ.]250 mcd | Forward Voltage [typ.]2.1 V | Chip TechnologyAlInGaP | Viewing Angle Phi 0° [typ.]40 ° | Design Kit | –Check availability | ||
![]() | 151031SS06000 | SPEC640 nm, Super Red, 650 nm | Availability – | Status Activei| Production is active. Expected lifetime: >10 years. | Dominant Wavelength [typ.]640 nm | Emitting ColorSuper Red | Peak Wavelength [typ.]650 nm | Luminous Intensity [typ.]35 mcd | Forward Voltage [typ.]2.2 V | Chip TechnologyAlGaAs | Viewing Angle Phi 0° [typ.]60 ° | Design Kit | –Check availability | ||
![]() | 151051RS11000 | SPEC645 nm, Red, 650 nm | Availability – | Status Activei| Production is active. Expected lifetime: >10 years. | Dominant Wavelength [typ.]645 nm | Emitting ColorRed | Peak Wavelength [typ.]650 nm | Luminous Intensity [typ.]30 mcd | Forward Voltage [typ.]2.1 V | Chip TechnologyAlGaInP | Viewing Angle Phi 0° [typ.]60 ° | Design Kit | –Check availability |
Availability Forecast
WE item number Packaging unitsLead time
––– weeks
| Expected Availability | Opening inventory | Quantity |
|---|---|---|
| Current Availability | – | – |
There is no forecast for this quantity request.
Does it just not fit? Please contact us.Simply contact our service team for special orders and bulk quantities.Contact us
Assortments
Articles from this product series can be found in the following assortments:







